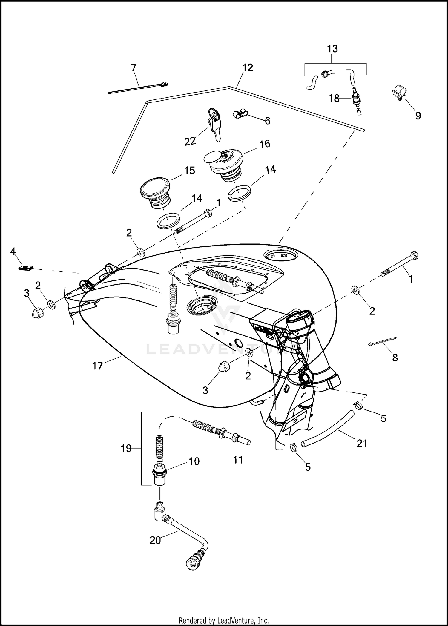
FUEL TANK для Harley Davidson FLD 1GZ4 DYNA SWITCHBACK 2016 г.

Доставка из США до Москвы 90 руб. за 100 грамм
Доставка
  • Доставка из США, ОАЭ или из Германии в Москву
  • Доставка со складов в Москве
Скидка 5% от суммы заказа более 30 000 руб.
Оплата
  • Наличный способ оплаты
  • Банковской картой Visa, Mastercard
Номер запчасти,
наличие, срок поставки
Наименование Кол-во Цена
1 3112A / 45-55 дней Screw 2 954 р.
2 6016 / 45-55 дней Washer 11/32 x 11/16 x 1/16 4 900 р.
3 7481 / 45-55 дней Acorn nut 5/16-18 x 5/8 x 1/2 2 900 р.
4 8173 / 45-55 дней Speed nut 1 900 р.
5 10014 / 45-55 дней Clamp 2 900 р.
6 10113 / 45-55 дней Clip vapor valve 1 900 р.
7 10177 / 45-55 дней Cable strap vent tube 1 900 р.
8 10270 / 45-55 дней Cable strap 1 1 026 р.
9 10340B / 45-55 дней Clip resealable 1 900 р.
10 11323A / 45-55 дней O-ring check valve to fuel tank this part replaces 11323. 1 900 р.
11 11387A / 45-55 дней O-ring 1 900 р.
12 27296-12 Tube valve-to-common point (except california and asia-pacific) not available 1 Узнать цены
13 27389-12 / 45-55 дней Vent line assembly tank-to-common point, with 62150-85 1 7 940 р.
14 61100194 / 45-55 дней Cap,fuel,gasket this part replaces 61109-85d. 1 2 664 р.
15 61272-92F / 45-55 дней Cap,fuel,rh-thread,filler,chrome this part replaces 61272-92c. 1 8 624 р.
16 61100055 Filler cap with 61109-85d and 90300093 (asia-pacific, japan) not available 1 Узнать цены
17 61000707 / 45-55 дней Tank,fuel,tank,primed,weldment this part replaces 61593-10. 1 900 р.
18 62150-85 / 45-55 дней Vapor valve 1 3 123 р.
19 62194-04D / 45-55 дней Check valve output, with 11323a and 11387a this part replaces 62194-04c. 1 10 946 р.
20 62349-04F / 45-55 дней Fuel line from tank to intake, with 10038a 1 9 538 р.
21 63501-68B / 45-55 дней Hose 1/4-in id x 1/2-in od (rubber) 1 31 820 р.
22 90300093 / 45-55 дней Key (set of 2) (asia-pacific) 1 1 987 р.
Список узлов