Навигация
Главная
Основной сайт
Поиск
Ski-Doo
Arctic Cat
Yamaha
Can-Am
Honda
Sea-Doo
Kawasaki
Suzuki
Polaris
BRP Lynx
Harley Davidson
Подобрать запчасти
Главная
Harley Davidson
Мотоциклы
2025
FXBB 1YJ9 STREET BOB
Запчасти для Harley Davidson FXBB 1YJ9 STREET BOB 2025 г.
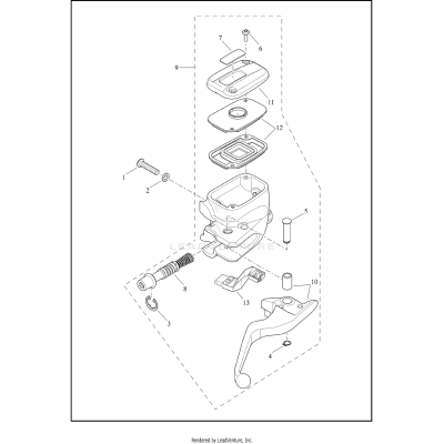
AIR CLEANER - FLHC, FXBB
ALTERNATOR AND REGULATOR
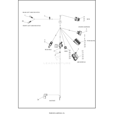
BATTERY
BELT, CHAINS AND SPROCKETS
BRAKE CALIPER, FRONT
BRAKE CALIPER, REAR
BRAKE CONTROL, FRONT
BRAKE CONTROL, REAR
BRAKE LINES AND MODULE, REAR - ABS
BRAKE LINES, FRONT, ABS - FLFB, FLHC, FXBB, FXBR
BRAKE, MASTER CYLINDER, REAR
CADDIES, BRAKE LINE AND ELECTRICAL
CAMSHAFTS AND CAMSHAFT COVER
CLUTCH
CLUTCH CONTROL
COOLING SYSTEM, OIL-COOLED
CRANKCASE AND ENGINE OIL FILTER
CYLINDERS, HEADS AND VALVES
ELECTRONIC CONTROL MODULE (ECM) AND COIL
ENGINE ASSEMBLY - MILWAUKEE-EIGHT™ 117
ENGINE ASSEMBLY - MILWAUKEE-EIGHT™ 117 H.O.
ENGINE MOUNTS
EVAPORATIVE EMISSIONS COMPONENTS
EXHAUST SYSTEM - FLHC, FXBB, FXLRS, FXLRST
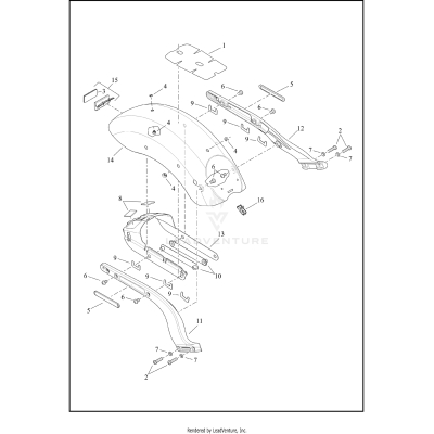
FENDERS AND SUPPORTS, REAR - FXBB
FENDERS, FRONT
FOOTPEGS, PASSENGER
FOOTPEGS, RIDER -FXBB, FXLRS, FXLRST, FXBR
FORK BRACKETS, FRONT - FXBB
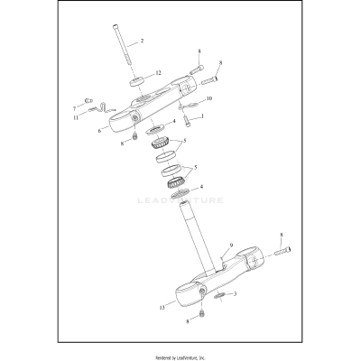
FORK, FRONT - FXBB
FORK, REAR AND SHOCK ABSORBERS
FRAME AND JIFFY STAND
FUEL PUMP
FUEL TANK - FXBB
FUEL TANK TRIM
HANDLEBAR
HANDLEBAR RISERS
HEADLAMP - FXBB, FXLRS, FXBR
HORN
INDUCTION MODULE, FUEL
INSTRUMENTS -FXBR, FXBB, FXLRS, FXLRST
LABELS
LICENSE PLATE BRACKETS - FXBB
LOOSE PARTS
MIRRORS
PARKING BRAKE - FLFB, FXBB
PISTONS AND FLYWHEEL ASSEMBLY - MILWAUKEE-EIGHT™ 117
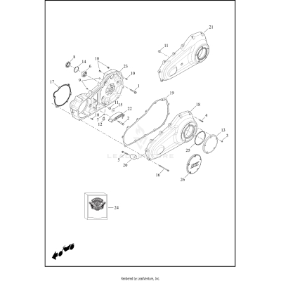
PRIMARY HOUSING
REAR BELT GUARD
ROCKER ARM ASSEMBLY AND PUSHRODS
SEATS
SENSORS AND SWITCHES, ENGINE
SHIFTER, GEAR
SIDE COVERS
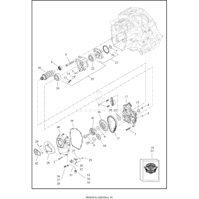
STARTER MOTOR
SWITCHES
SWITCHES, HANDLEBAR, FRONT
THROTTLE CONTROL
TRANSMISSION BEARINGS AND COVERS
TRANSMISSION GEARS
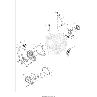
TRANSMISSION HOUSING, TOP COVER AND OIL PAN
TURN SIGNALS, FRONT
TURN SIGNALS, REAR - FLFB, FXBB, FXBR
WHEELS, FRONT, CAST AND SLOTTED
WHEELS, FRONT, LACED
WHEELS, REAR
WIRING HARNESS, ENGINE
WIRING HARNESS, ENGINE (2 OF 3)
WIRING HARNESS, ENGINE (3 OF 3)
WIRING HARNESS, FRAME BACKBONE - FXLRST (2 OF 2)
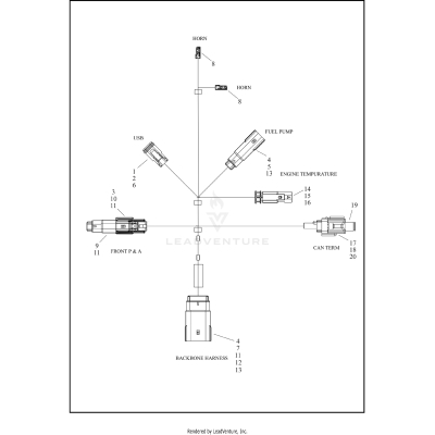
WIRING HARNESS, FRAME BACKBONE FLFB, FLHC, FXBB, FXBR, FXLRS
WIRING HARNESS, FRAME BACKBONE FLFB, FLHC, FXBB, FXBR, FXLRS (2 OF 2)
WIRING HARNESS, HAND CONTROL JUMPER
WIRING HARNESS, MAIN, ABS
WIRING HARNESS, MAIN, ABS (2 OF 3)
WIRING HARNESS, MAIN, ABS (3 OF 3)
WIRING HARNESS, UNDER STEERING HEAD