FRONT ARM для Honda TRX90 A 2005 г.

Доставка из США до Москвы 90 руб. за 100 грамм
Доставка
  • Доставка из США, ОАЭ или из Германии в Москву
  • Доставка со складов в Москве
Скидка 5% от суммы заказа более 30 000 руб.
Оплата
  • Наличный способ оплаты
  • Банковской картой Visa, Mastercard
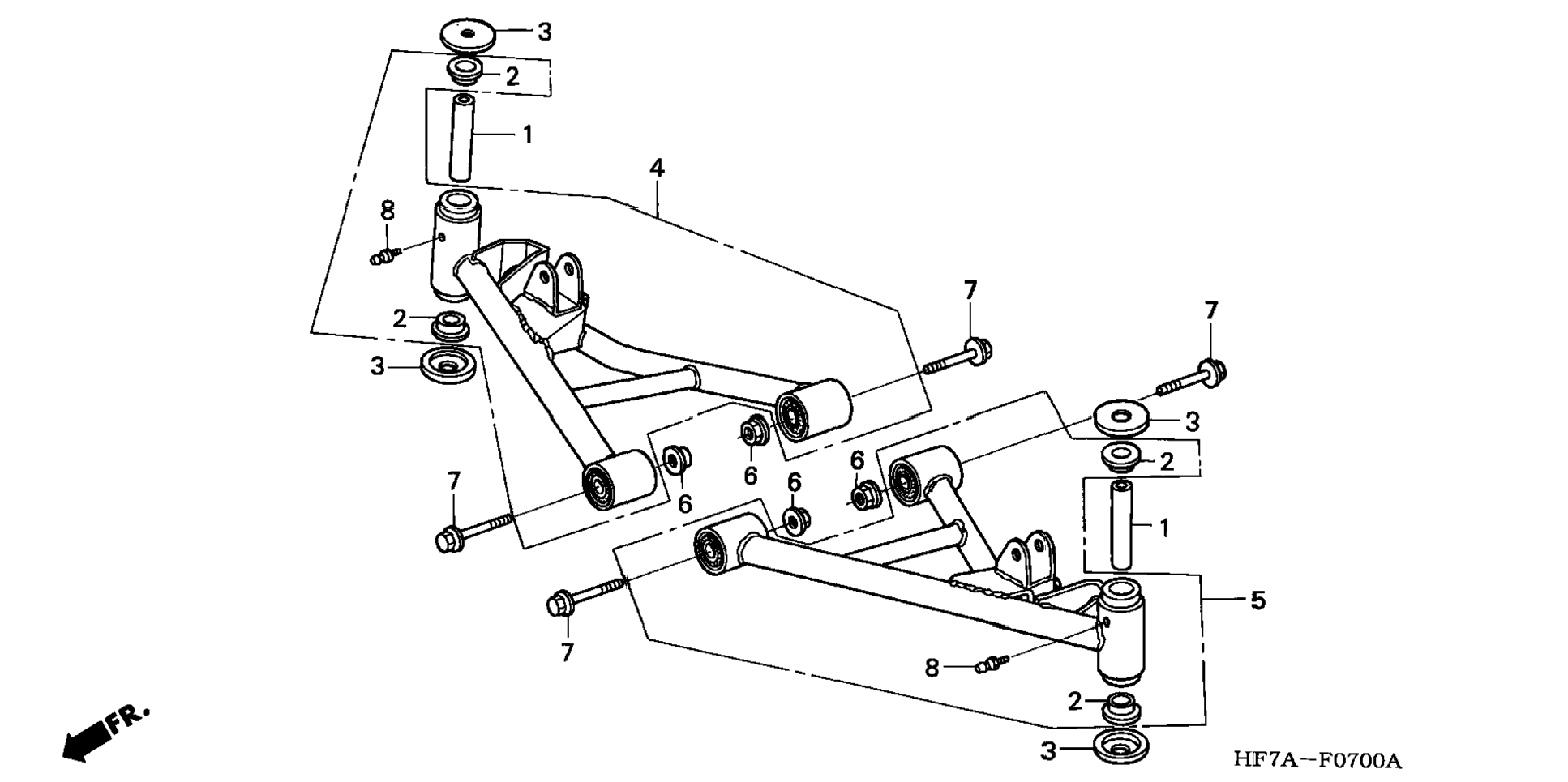
Номер запчасти,
наличие, срок поставки
Наименование Кол-во Цена
1 51214-HC3-000 / 45-55 дней Collar, king pin 2 4 861 р.
2 51215-VM6-003 / 45-55 дней Bush, kingpin 4 2 643 р.
3 51218-HC3-000 / 45-55 дней Cap, dust seal 4 1 511 р.
4 51350-HF7-000 Arm assy., r. fr. 1 Узнать цены
5 51360-HF7-000 Arm assy., l. fr. 1 Узнать цены
6 90305-HC0-770 / 45-55 дней Nut, self-lock (10mm) 4 414 р.
7 90151-HC5-000 / 45-55 дней Bolt, flange (10x62) 4 1 101 р.
7 95801-10065-00 / 45-55 дней Bolt, flange (10x65) 4 1 068 р.
8 96201-10000 / 45-55 дней Nipple, grease (a.t6) (m6x1.0) 2 317 р.
Список узлов