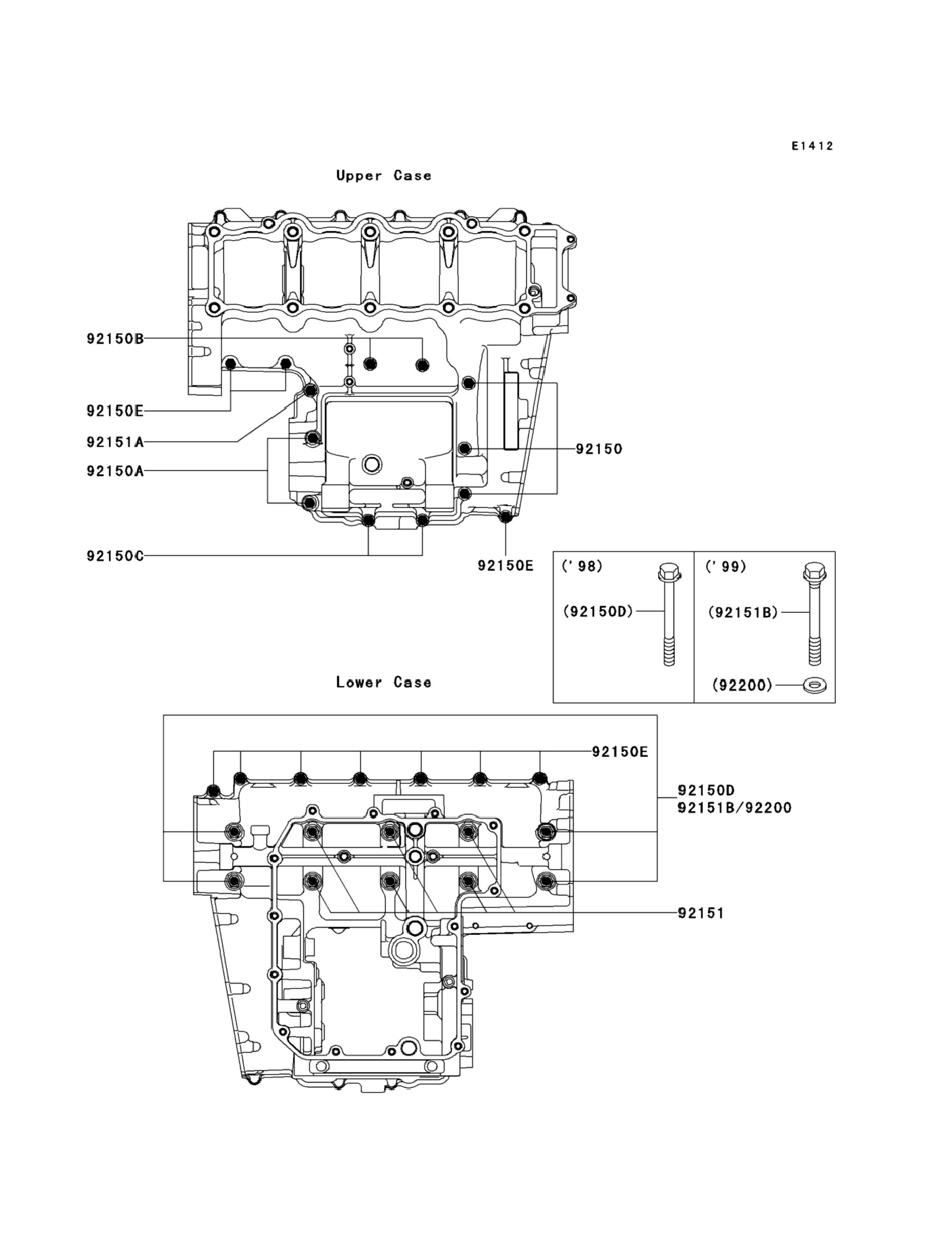
Crankcase Bolt Pattern для Kawasaki NINJA ZX-9R (ZX900-C2) 1999 г.

Доставка из США до Москвы 90 руб. за 100 грамм
Доставка
  • Доставка из США, ОАЭ или из Германии в Москву
  • Доставка со складов в Москве
Скидка 5% от суммы заказа более 30 000 руб.
Оплата
  • Наличный способ оплаты
  • Банковской картой Visa, Mastercard
Номер запчасти,
наличие, срок поставки
Наименование Кол-во Цена
92150 92150-1251 / 45-55 дней Bolt,7x85 3 962 р.
92150A 92150-1483 / 45-55 дней Bolt,8x70 2 617 р.
92150B 92150-1548 / 45-55 дней Bolt,6x60 2 389 р.
92150C 92150-1622 / 45-55 дней Bolt,6x90 2 260 р.
92150E 92150-1794 / 45-55 дней Bolt,6x40 10 181 р.
92151 92151-1222 / 45-55 дней Bolt,9x81 6 571 р.
92151A 92151-1223 / 45-55 дней Bolt,7x50 1 315 р.
92151B 92151-1378 / 45-55 дней Bolt,9x95 4 741 р.
92200 92200-1426 / 45-55 дней Washer 4 350 р.
Список узлов