Footrests для Kawasaki KDX200R (KDX220-A8) 2001 г.

Доставка из США до Москвы 90 руб. за 100 грамм
Доставка
  • Доставка из США, ОАЭ или из Германии в Москву
  • Доставка со складов в Москве
Скидка 5% от суммы заказа более 30 000 руб.
Оплата
  • Наличный способ оплаты
  • Банковской картой Visa, Mastercard
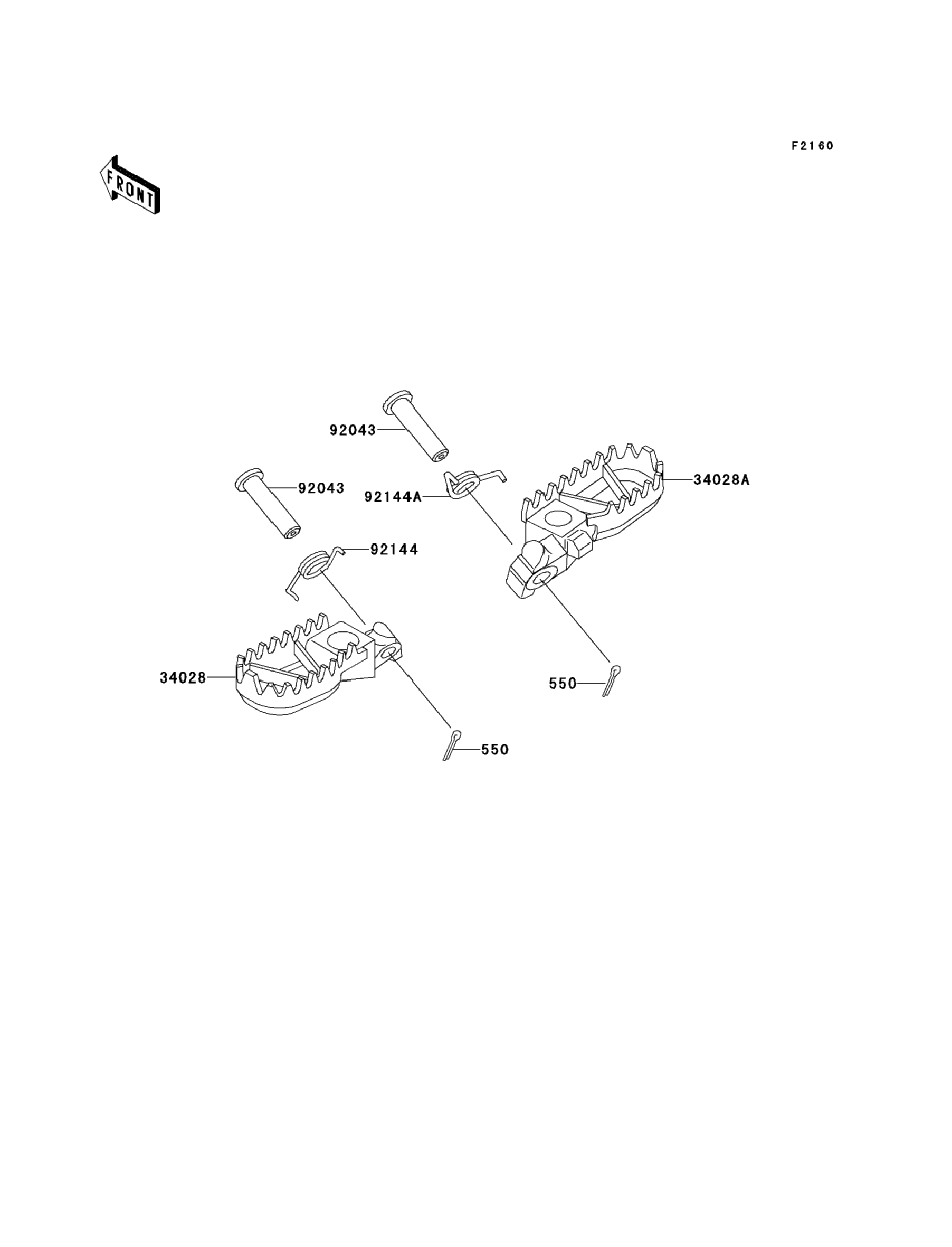
Номер запчасти,
наличие, срок поставки
Наименование Кол-во Цена
550 550S3020 / 45-55 дней Pin-cotter,3.0x20 2 256 р.
34028 34028-1332-CE / 45-55 дней Step,lh,silver no.25 1 4 246 р.
34028A 34028-1365-CE / 45-55 дней Step,rh,silver no.25 1 4 246 р.
92043 92043-1372 / 45-55 дней Pin,10x45.5 2 998 р.
92144 92144-1828 / 45-55 дней Spring,step,lh 1 808 р.
92144A 92144-1829 / 45-55 дней Spring,step,rh 1 808 р.
Список узлов