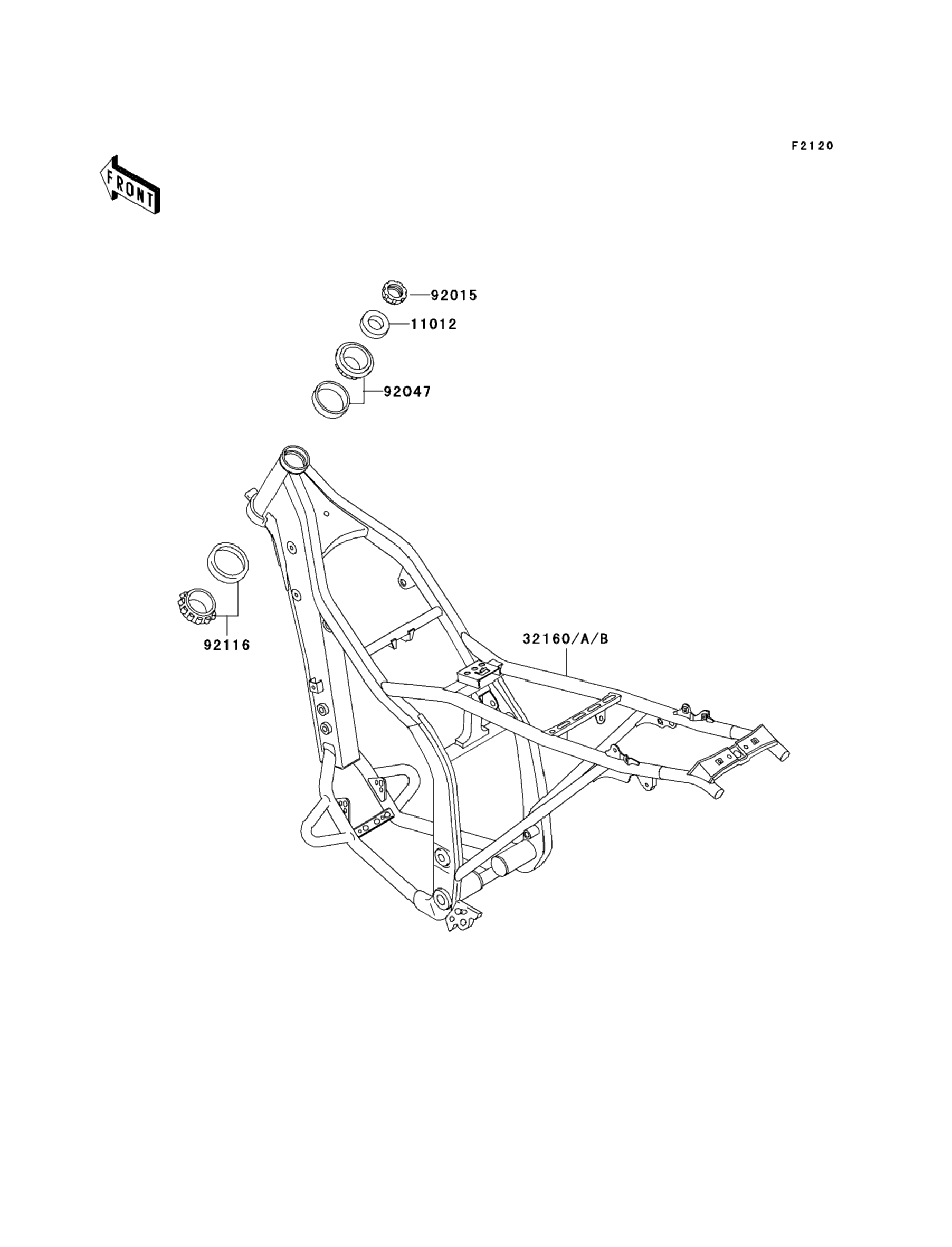
Рамка для Kawasaki KLX300R (KLX300-A6) 2001 г.

(Frame)
Доставка из США до Москвы 90 руб. за 100 грамм
Доставка
  • Доставка из США, ОАЭ или из Германии в Москву
  • Доставка со складов в Москве
Скидка 5% от суммы заказа более 30 000 руб.
Оплата
  • Наличный способ оплаты
  • Банковской картой Visa, Mastercard
Номер запчасти,
наличие, срок поставки
Наименование Кол-во Цена
11012 11012-1762 / 45-55 дней Cap,steering stem 1 490 р.
32160 32160-1757-CC / 45-55 дней Frame-comp,l.green 1 211 683 р.
92015 92015-1546 / 45-55 дней Nut,25mm,t=12 1 1 779 р.
92047 92047-017 / 45-55 дней Race,roller,32005jr rs 1 4 180 р.
92116 92116-1069 / 45-55 дней Bearing-roller,hi-cap32006jrrs 1 6 002 р.
Список узлов