Frame(A2) для Kawasaki VULCAN 2000 (VN2000-A2) 2005 г.

Доставка из США до Москвы 90 руб. за 100 грамм
Доставка
  • Доставка из США, ОАЭ или из Германии в Москву
  • Доставка со складов в Москве
Скидка 5% от суммы заказа более 30 000 руб.
Оплата
  • Наличный способ оплаты
  • Банковской картой Visa, Mastercard
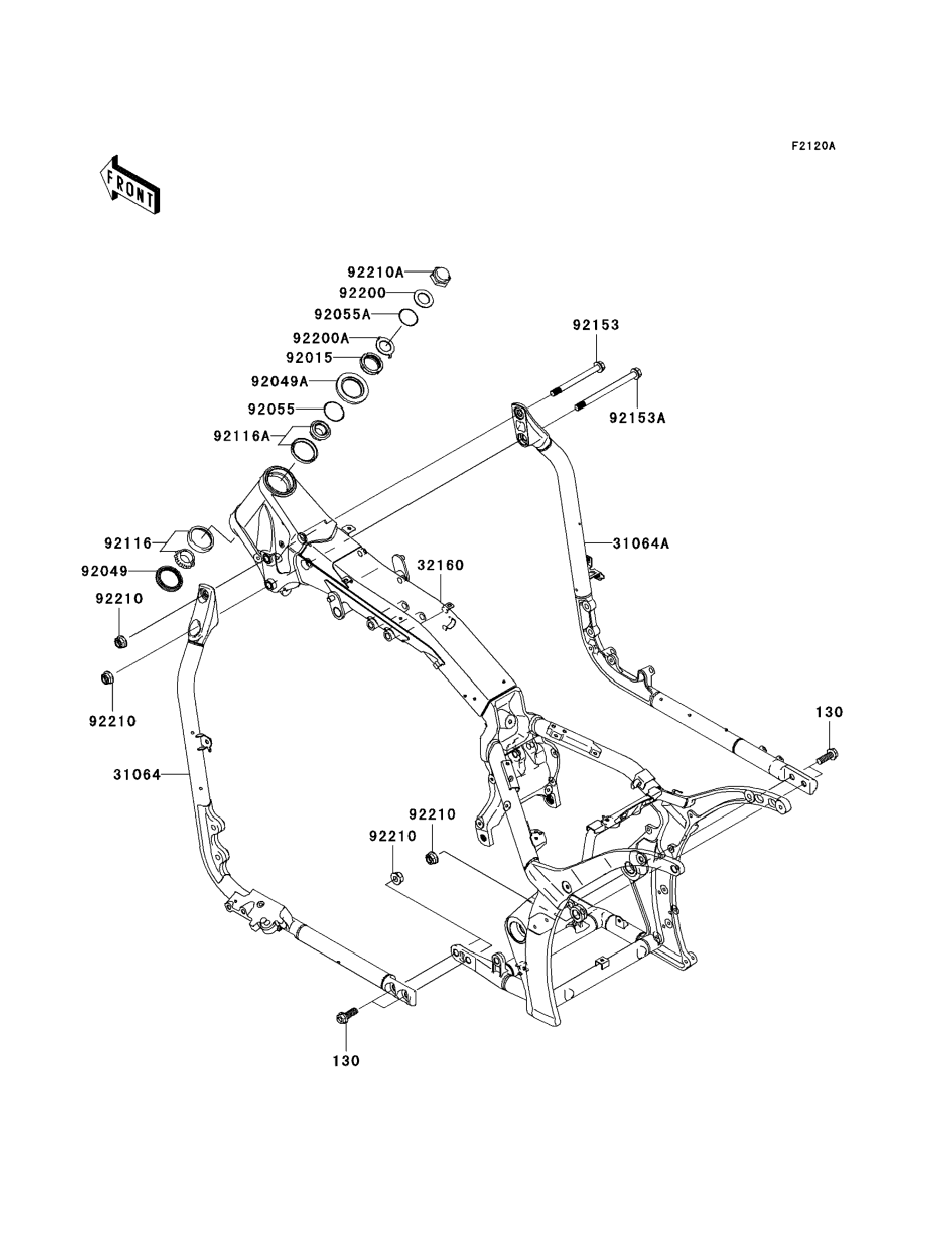
Номер запчасти,
наличие, срок поставки
Наименование Кол-во Цена
130 130CB1235 / 45-55 дней Bolt-flanged,12x35 4 340 р.
31064 31064-5014 / 45-55 дней Pipe-comp,downtube,lh 1 63 799 р.
31064A 31064-0026 / 45-55 дней Pipe-comp,downtube,rh 1 55 571 р.
32160 32160-0208 / 45-55 дней Frame-comp 1 393 894 р.
92015 92015-1848 / 45-55 дней Nut,steering stem,35mm 1 4 172 р.
92049 92049-1383 / 45-55 дней Seal-oil,xmhe 43 55 4j 1 1 683 р.
92049A 92049-1483 / 45-55 дней Seal-oil,mx043n2 1 1 733 р.
92055A 92055-1459 / 45-55 дней Ring-o,id=24.5 1 375 р.
92055 92055-1452 / 45-55 дней Ring-o,34.5x2.0 1 398 р.
92116 92116-1072 / 45-55 дней Bearing-roller,32907jr-2 1 6 755 р.
92116A 92116-1074 / 45-55 дней Bearing-roller,32907jr-3 1 6 755 р.
92153 92153-0598 / 45-55 дней Bolt,flanged,12x132 1 1 977 р.
92153A 92153-0599 / 45-55 дней Bolt,flanged,12x168 1 1 530 р.
92200 92200-0105 / 45-55 дней Washer,25.5x42x2.3 1 366 р.
92200A 92200-0137 / 45-55 дней Washer,claw,25.5x40x2.3 1 341 р.
92210A 92210-1166 / 45-55 дней Nut,cap,25mm 1 2 041 р.
Список узлов