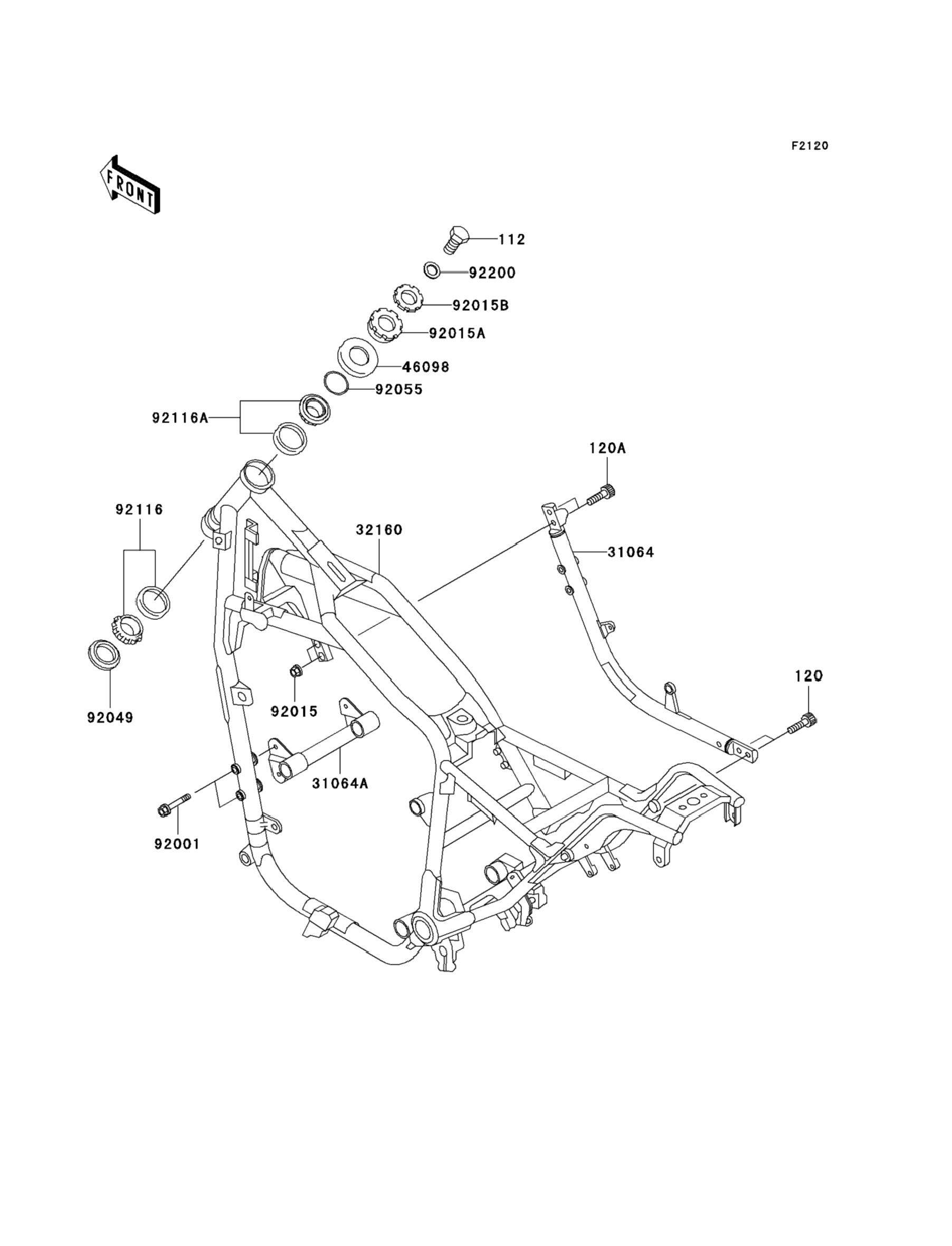
Рамка для Kawasaki VULCAN 750 (VN750A6F) 2006 г.

(Frame)
Доставка из США до Москвы 90 руб. за 100 грамм
Доставка
  • Доставка из США, ОАЭ или из Германии в Москву
  • Доставка со складов в Москве
Скидка 5% от суммы заказа более 30 000 руб.
Оплата
  • Наличный способ оплаты
  • Банковской картой Visa, Mastercard
Номер запчасти,
наличие, срок поставки
Наименование Кол-во Цена
112 112BA1425 / 45-55 дней Bolt-upset,14x25 1 828 р.
120 120CB1020 / 45-55 дней Bolt-socket,10x20 2 459 р.
120A 120CB1030 / 45-55 дней Bolt-socket,10x30 2 523 р.
31064 31064-1058 / 45-55 дней Pipe-comp,sub frame 1 34 356 р.
31064A 31064-1059 / 45-55 дней Pipe-comp 1 14 832 р.
32160 32160-1314 / 45-55 дней Frame-comp 1 141 404 р.
46098 46098-017 / 45-55 дней Cap,steering stem 1 490 р.
92001 92001-1615 / 45-55 дней Bolt,flanged,8x60,black 4 537 р.
92015B 92015-1378 / 45-55 дней Nut,25mm,t=6 1 1 779 р.
92015A 92015-1377 / 45-55 дней Nut,25mm,t=10 1 2 344 р.
92015 92015-1021 / 45-55 дней Nut,10mm 2 353 р.
92049 92049-1162 / 45-55 дней Seal-oil,xmhe36x52x4j 1 815 р.
92055 92055-1459 / 45-55 дней Ring-o,id=24.5 1 375 р.
92116 92116-1009 / 45-55 дней Bearing-roller,hr320/28xj 1 3 560 р.
92116A 92116-1058 / 45-55 дней Bearing-roller,hi-cap32005jr 1 4 839 р.
92200 92200-1140 / 45-55 дней Washer 1 990 р.
Список узлов