Клапан(ы) для Kawasaki KLX110 (KLX110A9F) 2009 г.

(Valve(s))
Доставка из США до Москвы 90 руб. за 100 грамм
Доставка
  • Доставка из США, ОАЭ или из Германии в Москву
  • Доставка со складов в Москве
Скидка 5% от суммы заказа более 30 000 руб.
Оплата
  • Наличный способ оплаты
  • Банковской картой Visa, Mastercard
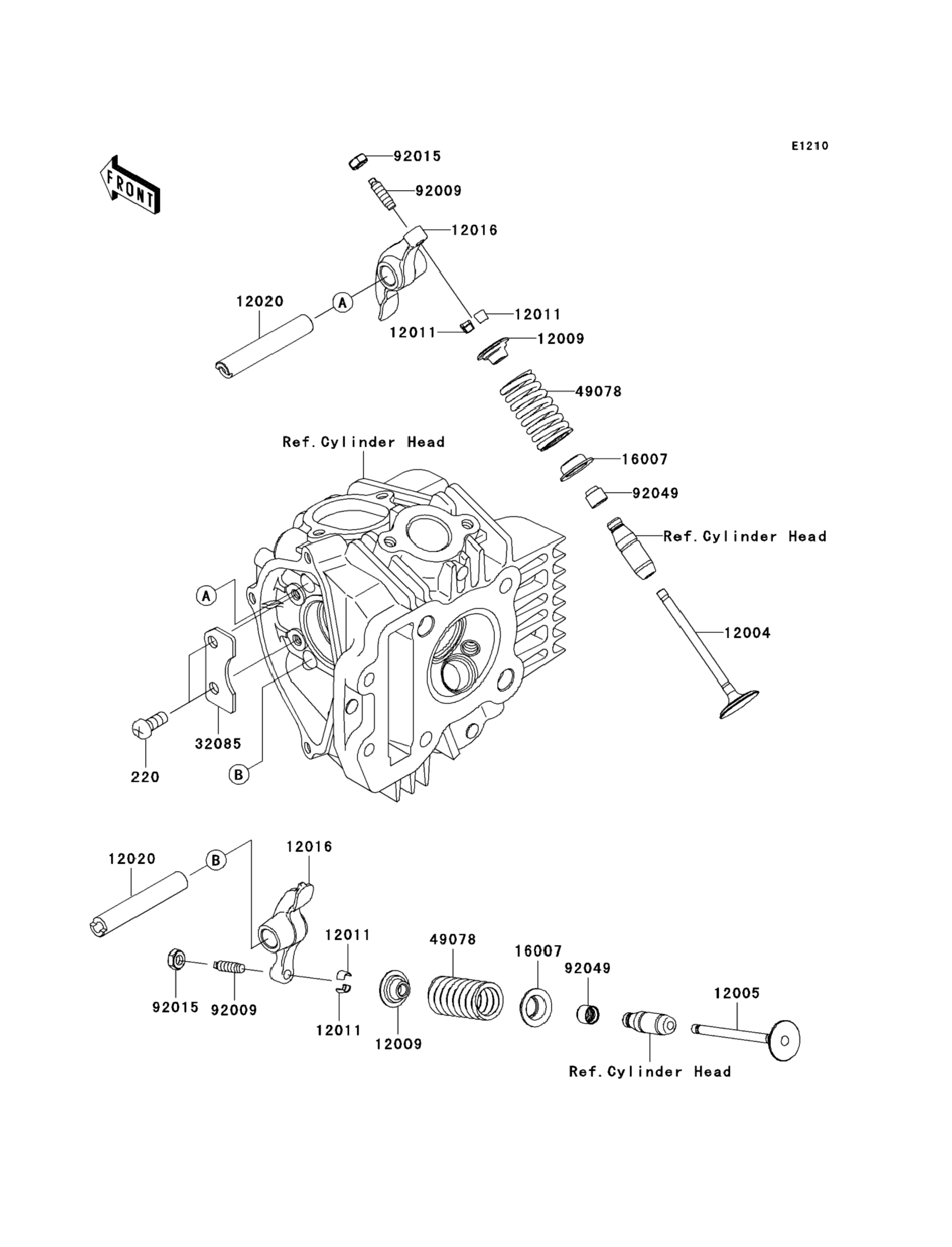
Номер запчасти,
наличие, срок поставки
Наименование Кол-во Цена
220 220AA0614 / 45-55 дней Screw-pan-cross,6x14 2 153 р.
12004 12004-0710 / 45-55 дней Valve-intake 1 1 760 р.
12005 12005-0713 / 45-55 дней Valve-exhaust 1 1 513 р.
12009 12009-1073 / 45-55 дней Retainer-valve spring 2 929 р.
12011 12011-1053 / 45-55 дней Collet 4 435 р.
12016 12016-0001 / 45-55 дней Arm-rocker 2 3 788 р.
12020 12020-0010 / 45-55 дней Shaft-rocker 2 1 786 р.
16007 16007-1187 / 45-55 дней Seat-spring,valve 2 291 р.
32085 32085-1428 / 45-55 дней Stopper 1 185 р.
49078 49078-1151 / 45-55 дней Spring-engine valve 2 673 р.
92009 92009-1109 / 45-55 дней Screw,valve adjust 2 176 р.
92015 92210-1491 / 45-55 дней Nut,valve adjust lock 2 153 р.
92049 92049-1349 / 45-55 дней Seal-oil,vsb 4.3 7.5 5.3 8.3 2 1 002 р.
Список узлов