Помпа для Kawasaki VULCAN 1700 VOYAGER (VN1700A9FA) 2009 г.

(Water Pump)
Доставка из США до Москвы 90 руб. за 100 грамм
Доставка
  • Доставка из США, ОАЭ или из Германии в Москву
  • Доставка со складов в Москве
Скидка 5% от суммы заказа более 30 000 руб.
Оплата
  • Наличный способ оплаты
  • Банковской картой Visa, Mastercard
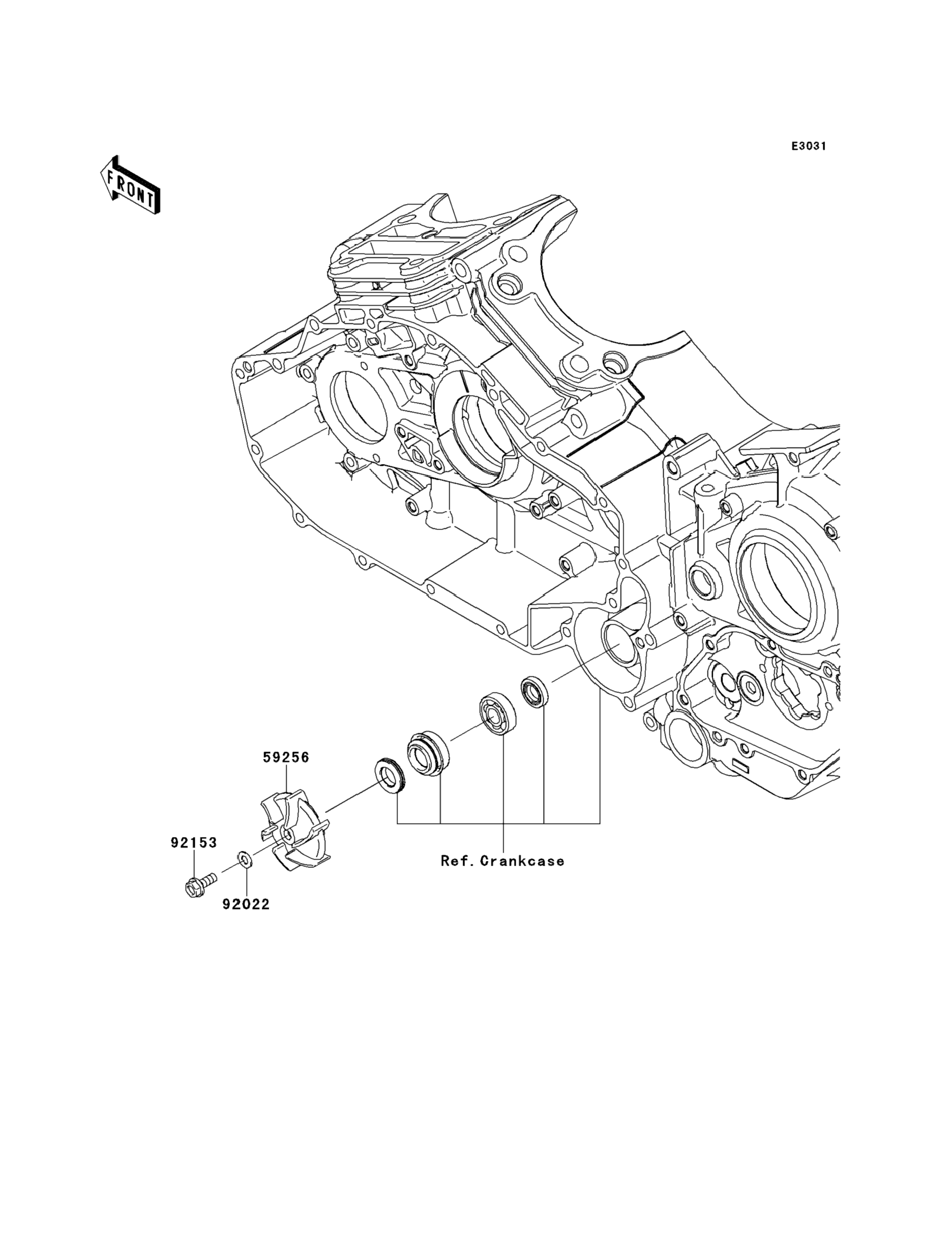
Номер запчасти,
наличие, срок поставки
Наименование Кол-во Цена
59256 59256-0002 / 45-55 дней Impeller 1 3 940 р.
92022 92022-077 / 45-55 дней Washer,6.1x12x1 1 334 р.
92153 92153-0323 / 45-55 дней Bolt,left handed,6x16 1 190 р.
Список узлов