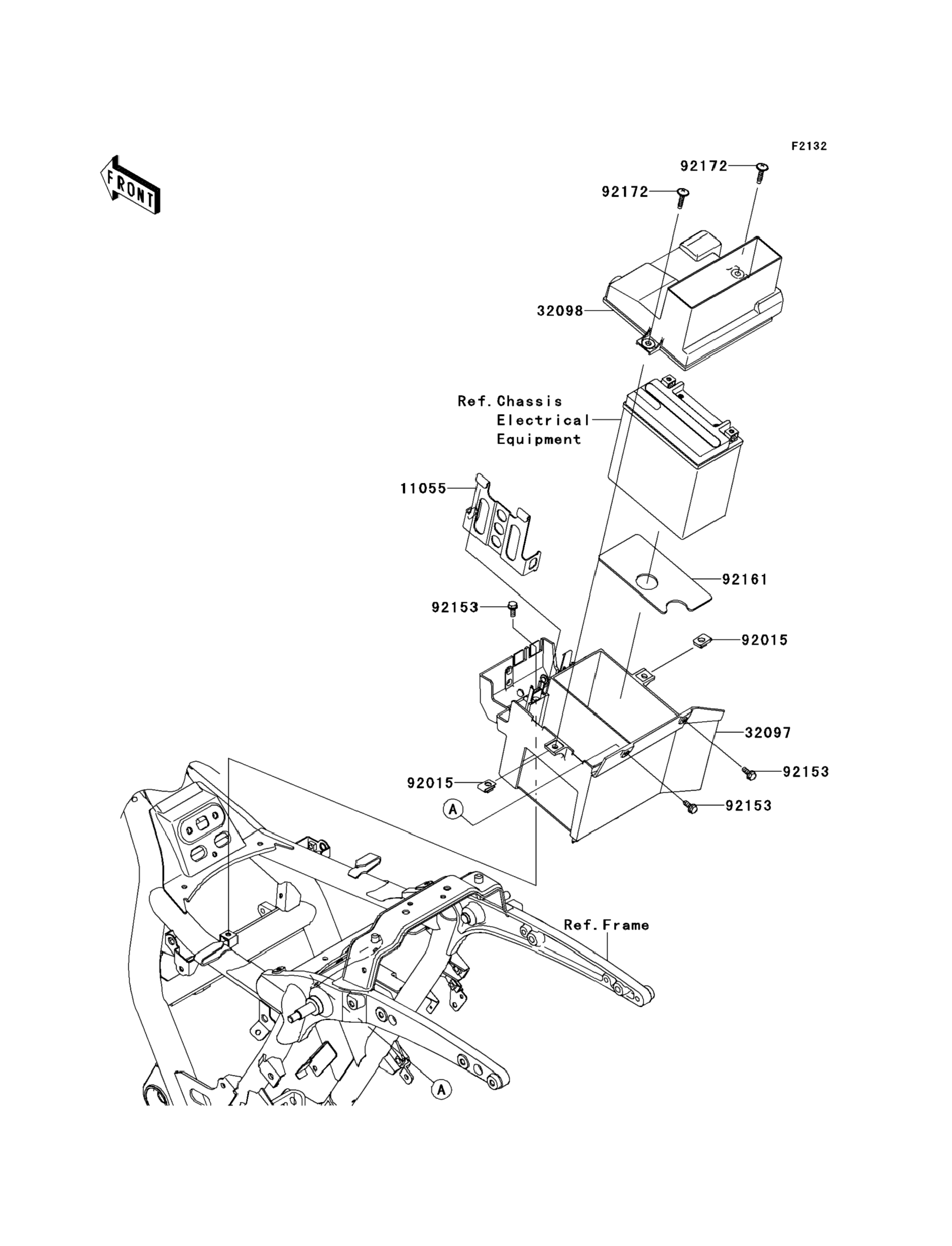
Battery Case для Kawasaki VULCAN 1700 VAQUERO (VN1700JBFA) 2011 г.

Доставка из США до Москвы 90 руб. за 100 грамм
Доставка
  • Доставка из США, ОАЭ или из Германии в Москву
  • Доставка со складов в Москве
Скидка 5% от суммы заказа более 30 000 руб.
Оплата
  • Наличный способ оплаты
  • Банковской картой Visa, Mastercard
Номер запчасти,
наличие, срок поставки
Наименование Кол-во Цена
11055 11055-0617 / 45-55 дней Bracket,ecu&relay box 1 1 844 р.
32097 32097-0027 / 45-55 дней Case-battery 1 4 963 р.
32098 32098-0020 / 45-55 дней Case-tool 1 5 064 р.
92015 92015-1602 / 45-55 дней Nut,6mm 2 551 р.
92153 92153-1215 / 45-55 дней Bolt,6x16 3 338 р.
92161 92161-1097 / 45-55 дней Damper,battery 1 514 р.
92172 92172-0137 / 45-55 дней Screw,6x26 2 375 р.
Список узлов