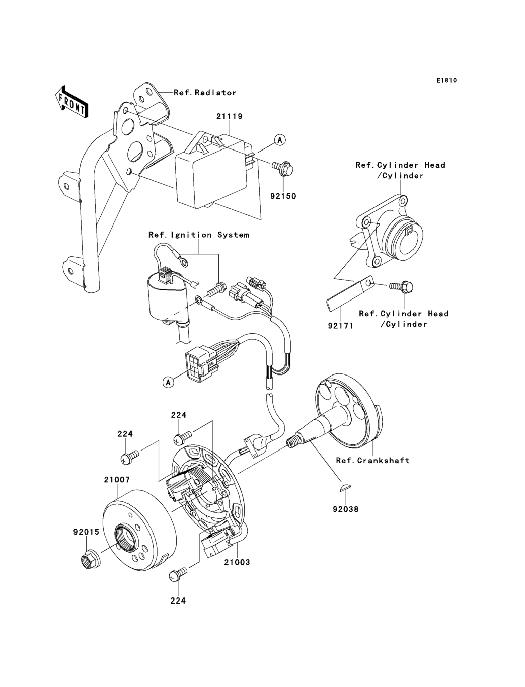
Генератор для Kawasaki KX85 (KX85ADF) 2013 г.

(Generator)
Доставка из США до Москвы 90 руб. за 100 грамм
Доставка
  • Доставка из США, ОАЭ или из Германии в Москву
  • Доставка со складов в Москве
Скидка 5% от суммы заказа более 30 000 руб.
Оплата
  • Наличный способ оплаты
  • Банковской картой Visa, Mastercard
Номер запчасти,
наличие, срок поставки
Наименование Кол-во Цена
224 224AA0614 / 45-55 дней Screw-pan-wp-cros,6x14 3 435 р.
21003 21003-0104 / 45-55 дней Stator 1 50 395 р.
21007 21007-0073 / 45-55 дней Rotor 1 41 174 р.
21119 21119-0048 / 45-55 дней Igniter 1 27 372 р.
92015 92015-1415 / 45-55 дней Nut,flanged,10mm 1 375 р.
92038 92038-001 / 45-55 дней Key,woodruff 1 398 р.
92150 92150-1506 / 45-55 дней Bolt,flanged,6x16 2 398 р.
92171 92171-0652 / 45-55 дней Clamp 1 190 р.
Список узлов