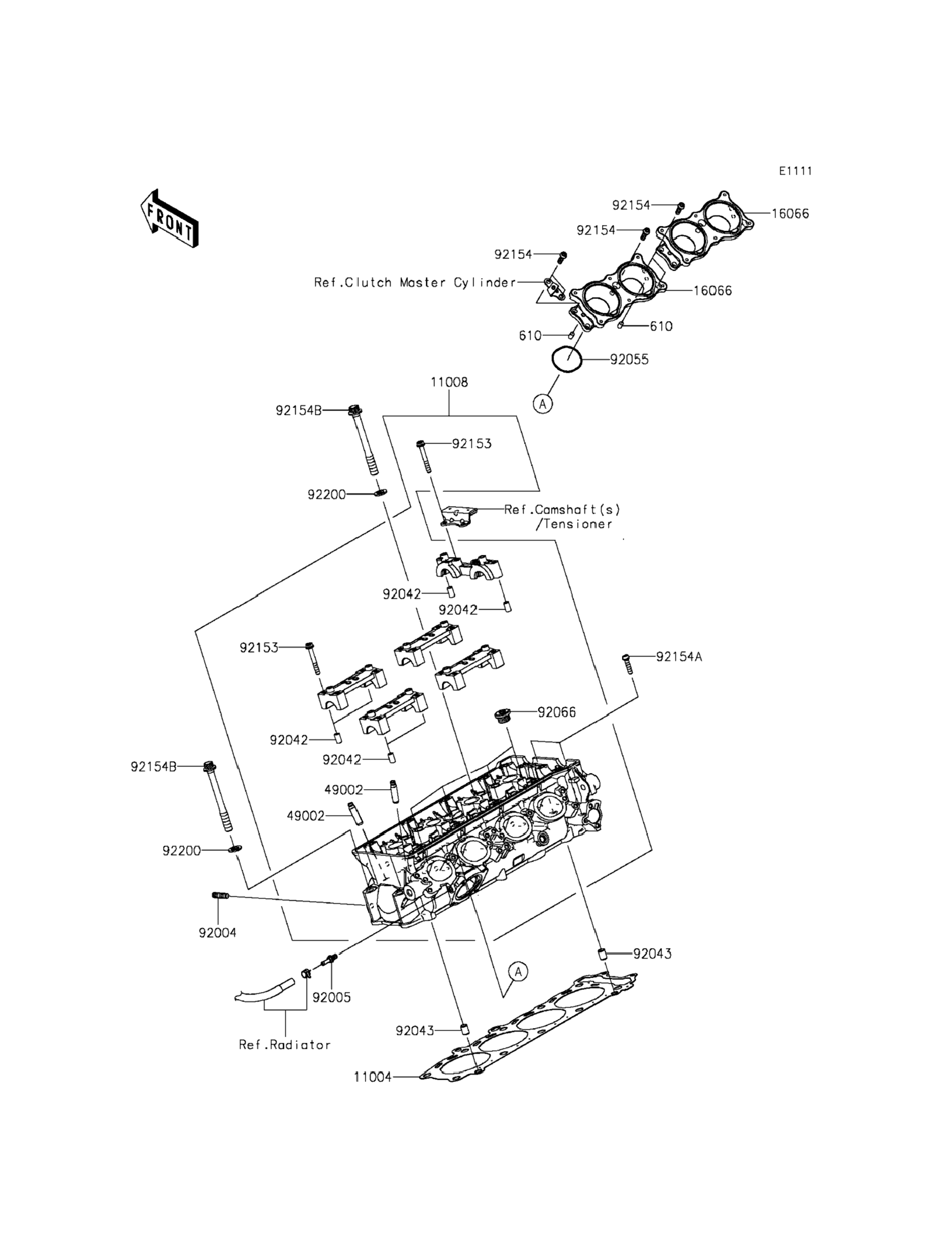
Крышка цилиндра для Kawasaki NINJA H2R (ZX1000PFF) 2015 г.

(Cylinder Head)
Доставка из США до Москвы 90 руб. за 100 грамм
Доставка
  • Доставка из США, ОАЭ или из Германии в Москву
  • Доставка со складов в Москве
Скидка 5% от суммы заказа более 30 000 руб.
Оплата
  • Наличный способ оплаты
  • Банковской картой Visa, Mastercard
Номер запчасти,
наличие, срок поставки
Наименование Кол-во Цена
610 610A0610 / 45-55 дней Roller,6x10 4 153 р.
11004 11004-0754 / 45-55 дней Gasket-head 1 15 187 р.
11008 11008-0849 / 45-55 дней Head-comp-cylinder 1 332 642 р.
16066 16066-0003 / 45-55 дней Holder-throttle body 2 10 840 р.
49002 49002-0009 / 45-55 дней Guide-valve 16 3 276 р.
92004 92004-0049 / 45-55 дней Stud,8x18 8 447 р.
92005 92005-0826 / 45-55 дней Fitting 1 900 р.
92042 92042-007 / 45-55 дней Pin,dowel,6.3x8x14 10 450 р.
92043 92043-1264 / 45-55 дней Pin,8.2x10x14 2 153 р.
92055 92055-1401 / 45-55 дней Ring-o,43.7x1.9 4 1 184 р.
92066 92066-0016 / 45-55 дней Plug,18x10 4 1 125 р.
92153 92153-0656 / 45-55 дней Bolt,socket,6x45 20 185 р.
92154B 92154-1819 / 45-55 дней Bolt,11x103 10 1 954 р.
92154 92154-1455 / 45-55 дней Bolt,socket,6x18 10 153 р.
92154A 92154-1457 / 45-55 дней Bolt,socket,6x25 2 153 р.
92200 92200-0940 / 45-55 дней Washer,11.2x18.2x1.8 10 233 р.
Список узлов