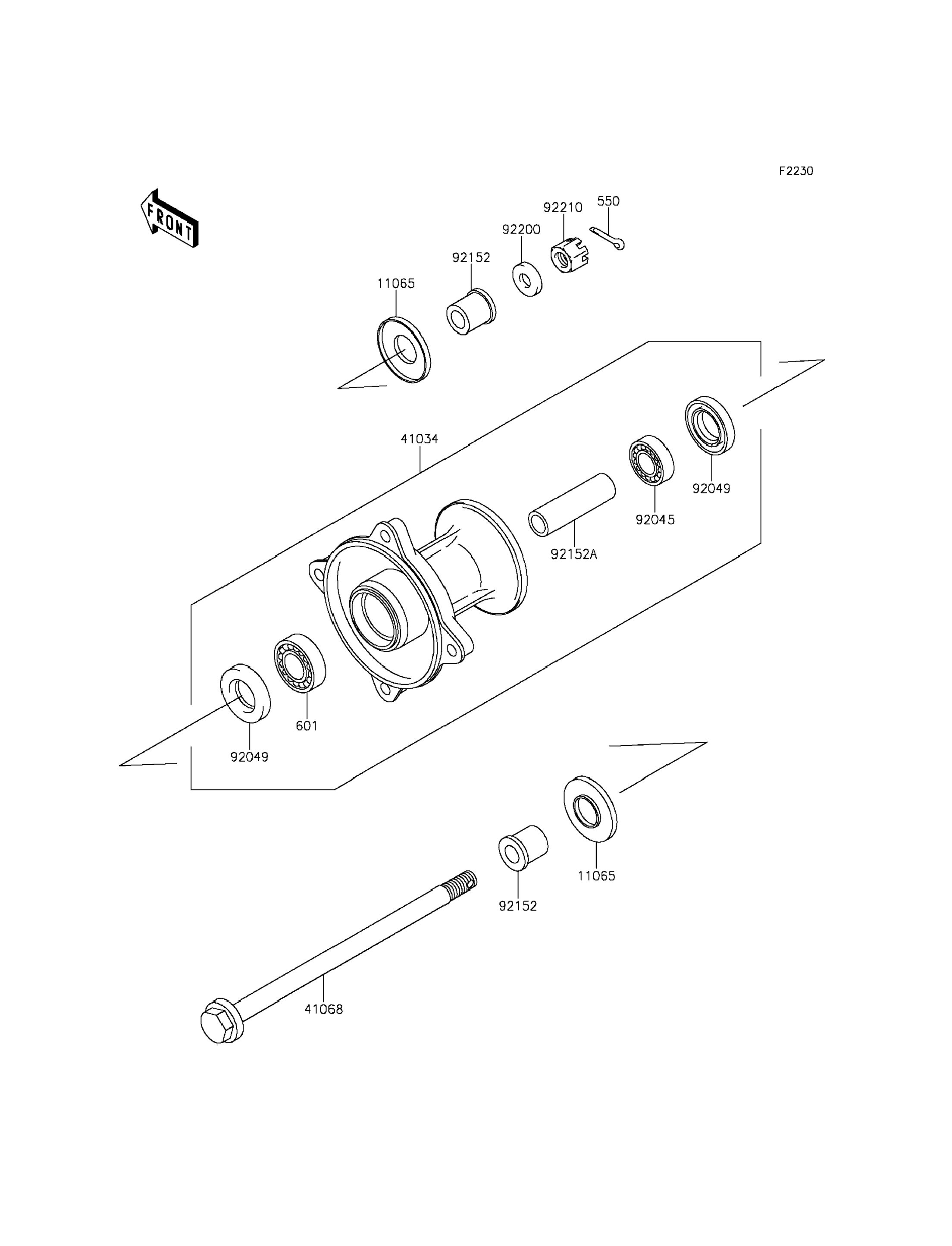
Front Hub для Kawasaki KX65 (KX65AHF) 2017 г.

Доставка из США до Москвы 90 руб. за 100 грамм
Доставка
  • Доставка из США, ОАЭ или из Германии в Москву
  • Доставка со складов в Москве
Скидка 5% от суммы заказа более 30 000 руб.
Оплата
  • Наличный способ оплаты
  • Банковской картой Visa, Mastercard
Номер запчасти,
наличие, срок поставки
Наименование Кол-во Цена
550 550AA3025 / 45-55 дней Pin-cotter,3.0x25 1 153 р.
601 601B6301UU / 45-55 дней Bearing-ball,#6201uuc3 1 2 263 р.
11065 11065-1137 / 45-55 дней Cap 2 332 р.
41034 41034-1302 / 45-55 дней Drum-assy,front brake 1 23 616 р.
41068 41068-1418 / 45-55 дней Axle,fr 1 2 486 р.
92045 92045-1062 / 45-55 дней Bearing-ball,tmb201lluc3/2a 1 2 312 р.
92049 92049-1257 / 45-55 дней Seal-oil,tc20376.5 2 815 р.
92152 92152-1196 / 45-55 дней Collar,axle,l=15.5 2 895 р.
92152A 92152-1197 / 45-55 дней Collar,fr brake drum,l=59 1 499 р.
92200 92200-1004 / 45-55 дней Washer,12.3x23x2.3 1 375 р.
92210 92210-7501 / 45-55 дней Nut,12mm 1 292 р.
Список узлов