Рамка для Kawasaki MULE 1000 (KAF450-B1) 2007 г.

(Frame)
Доставка из США до Москвы 90 руб. за 100 грамм
Доставка
  • Доставка из США, ОАЭ или из Германии в Москву
  • Доставка со складов в Москве
Скидка 5% от суммы заказа более 30 000 руб.
Оплата
  • Наличный способ оплаты
  • Банковской картой Visa, Mastercard
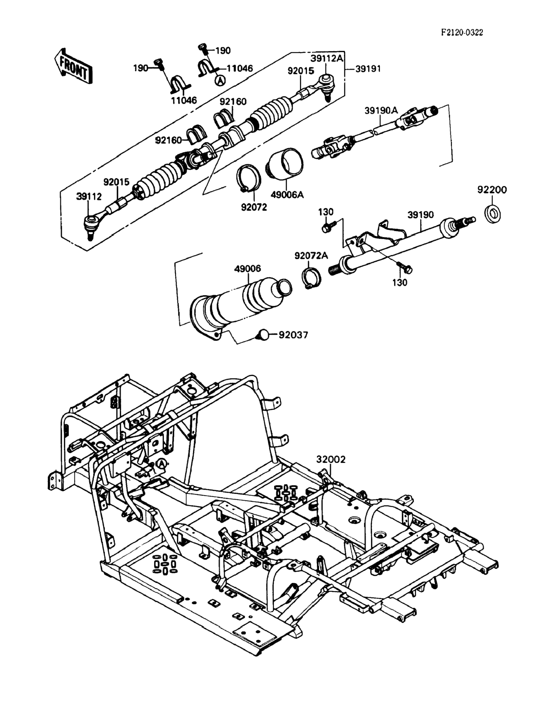
Номер запчасти,
наличие, срок поставки
Наименование Кол-во Цена
190 190BA1025 / 45-55 дней Bolt-upset-ws 4 419 р.
11046 11056-2238 / 45-55 дней Bracket,steering gear 2 927 р.
32002 32002-1948 / 45-55 дней Frame-comp 1 215 810 р.
39112 39112-1068 / 45-55 дней Rodend-tie,steering gear,lh 1 9 062 р.
39112A 39112-1069 / 45-55 дней Rodend-tie,steering gear,rh 1 9 062 р.
39190A 39190-1002 / 45-55 дней Shaft-assy-steering 1 25 107 р.
39190 39190-1001 / 45-55 дней Shaft-assy-steering 1 20 318 р.
39191 39191-0031 / 45-55 дней Gear-assy-steering 1 110 752 р.
49006 49006-1224 / 45-55 дней Boot,steering shaft,upp 1 3 738 р.
49006A 49006-1225 / 45-55 дней Boot,sttering shaft,lwr 1 1 105 р.
92015 92015-1864 / 45-55 дней Nut 2 1 238 р.
92160 92160-1084 / 45-55 дней Damper,steering gear 2 2 931 р.
92200 92200-1130 / 45-55 дней Washer,15x45x0.6 1 350 р.
Список узлов