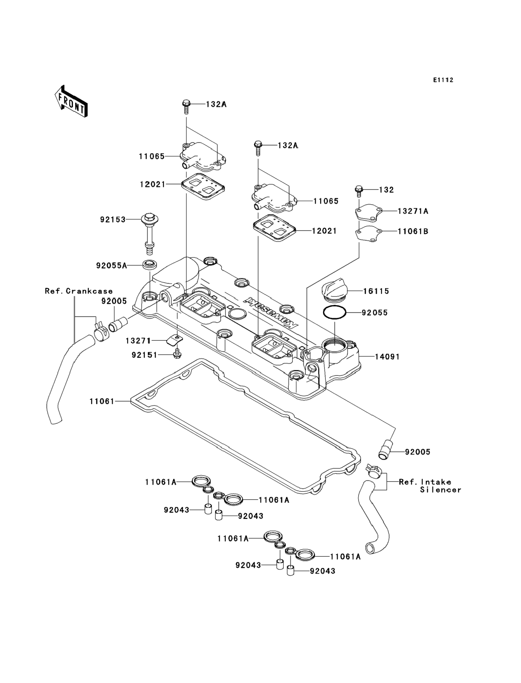
Cylinder Head Cover для Kawasaki JET SKI STX-12F (JT1200-D1) 2005 г.

Доставка из США до Москвы 90 руб. за 100 грамм
Доставка
  • Доставка из США, ОАЭ или из Германии в Москву
  • Доставка со складов в Москве
Скидка 5% от суммы заказа более 30 000 руб.
Оплата
  • Наличный способ оплаты
  • Банковской картой Visa, Mastercard
Номер запчасти,
наличие, срок поставки
Наименование Кол-во Цена
132 132BD0614 / 45-55 дней Bolt-flanged-small 3 288 р.
11061 11061-0090 / 45-55 дней Gasket,head cover 1 6 815 р.
11061A 11061-0105 / 45-55 дней Gasket,spark plug hole 4 990 р.
11061B 11061-0814 / 45-55 дней Gasket,plate 1 422 р.
11065 11065-3723 / 45-55 дней Cap,asv 2 2 694 р.
12021 12021-1119 / 45-55 дней Valve-assy-reed 2 7 147 р.
13271A 13271-3898 / 45-55 дней Plate 1 728 р.
13271 13271-3851 / 45-55 дней Plate 1 356 р.
14091 14091-3814 / 45-55 дней Cover,head 1 42 202 р.
16115 16115-1064 / 45-55 дней Cap-oil filler 1 696 р.
92043 92043-4009 / 45-55 дней Pin,10.1x12x14 4 490 р.
92055 92055-1295 / 45-55 дней Ring-o,38mm 1 1 398 р.
92055A 92055-1352 / 45-55 дней Ring-o,head cover bolt 7 875 р.
92151 92151-1822 / 45-55 дней Bolt,6x10 1 153 р.
92153 92151-1221 / 45-55 дней Bolt,head cover 7 806 р.
Список узлов