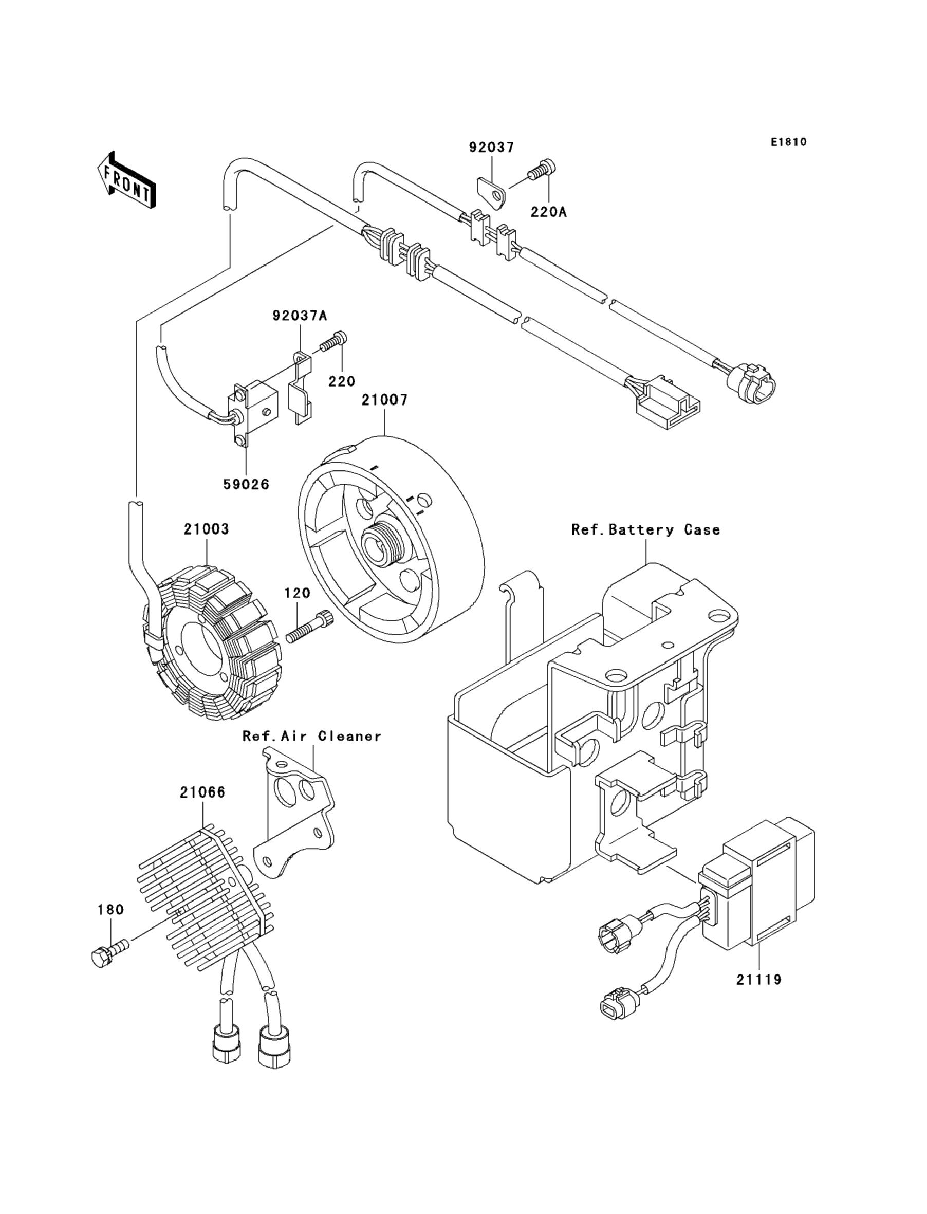
Генератор для Kawasaki BAYOU 300 4X4 (KLF300-C15) 2003 г.

(Generator)
Доставка из США до Москвы 90 руб. за 100 грамм
Доставка
  • Доставка из США, ОАЭ или из Германии в Москву
  • Доставка со складов в Москве
Скидка 5% от суммы заказа более 30 000 руб.
Оплата
  • Наличный способ оплаты
  • Банковской картой Visa, Mastercard
Номер запчасти,
наличие, срок поставки
Наименование Кол-во Цена
120 120CA0630 / 45-55 дней Bolt-socket,6x30 3 473 р.
180 180AA0625 / 45-55 дней Bolt-upset-ws,6x25 2 343 р.
220A 220B0612 / 45-55 дней Screw-pan-cros,6x12 1 153 р.
220 220AA0514 / 45-55 дней Screw-pan-cros 2 340 р.
21003 21003-1276 / 45-55 дней Stator 1 66 618 р.
21007 21007-1361 / 45-55 дней Rotor 1 58 916 р.
21066 21066-0047 / 45-55 дней Regulator-voltage 1 26 132 р.
21119 21119-1369 / 45-55 дней Igniter 1 63 787 р.
59026 59026-1092 / 45-55 дней Coil-pulsing 1 15 149 р.
92037 92037-1656 / 45-55 дней Clamp,wiring harness 1 350 р.
92037A 92037-1987 / 45-55 дней Clamp 1 773 р.
Список узлов