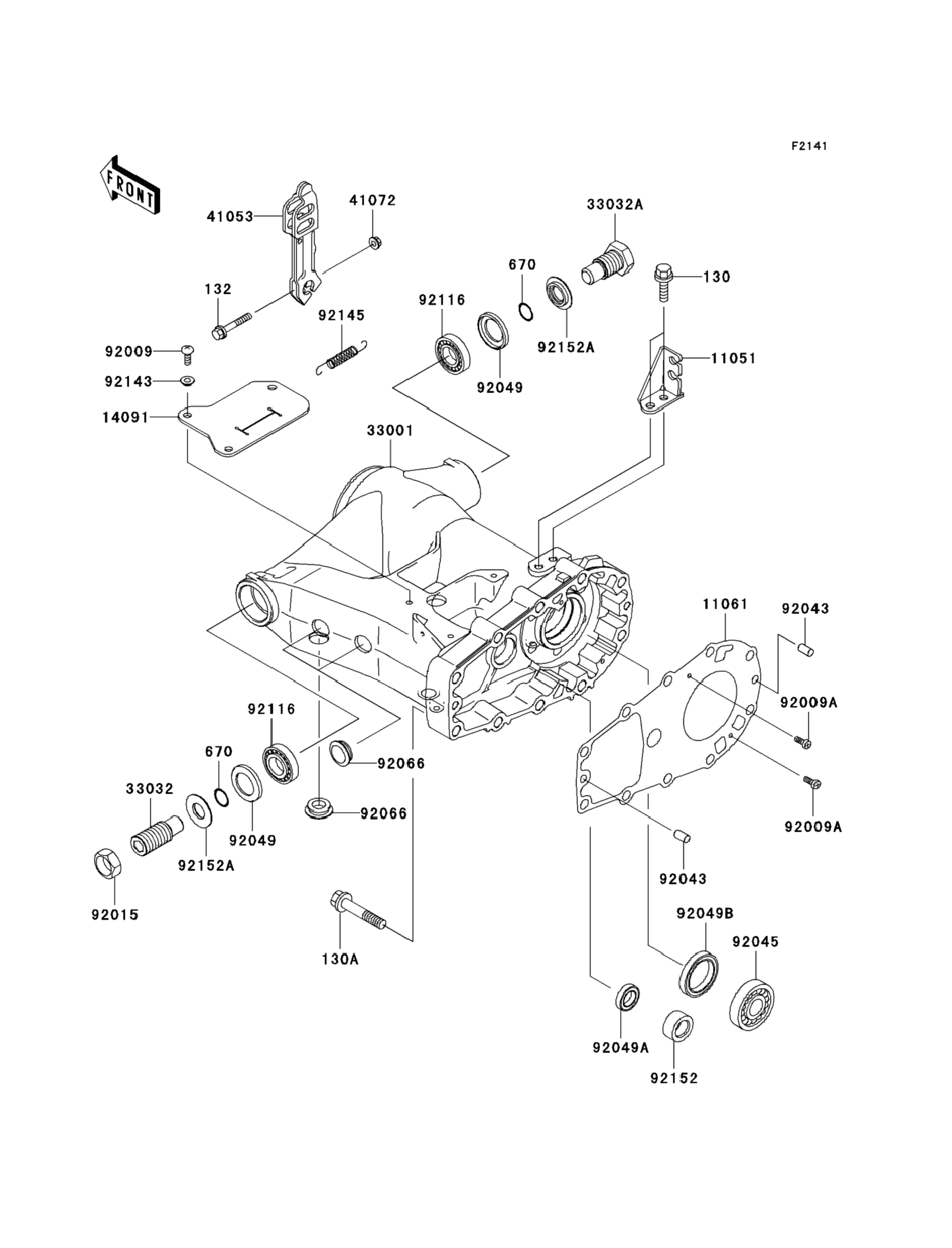
Swingarm для Kawasaki PRAIRIE 360 4X4 (KVF360-C2) 2004 г.

Доставка из США до Москвы 90 руб. за 100 грамм
Доставка
  • Доставка из США, ОАЭ или из Германии в Москву
  • Доставка со складов в Москве
Скидка 5% от суммы заказа более 30 000 руб.
Оплата
  • Наличный способ оплаты
  • Банковской картой Visa, Mastercard
Номер запчасти,
наличие, срок поставки
Наименование Кол-во Цена
130 130BB0822 / 45-55 дней Bolt-flanged 2 173 р.
130A 130CA1055 / 45-55 дней Bolt-flanged 10 233 р.
132 132BA0640 / 45-55 дней Bolt-flanged-small 1 356 р.
670 670B2016 / 45-55 дней O ring,16mm 2 153 р.
11051 11051-1762 / 45-55 дней Bracket,cable 1 866 р.
11061 11061-1065 / 45-55 дней Gasket,swing arm 1 4 663 р.
14091 14091-7508 / 45-55 дней Cover 1 525 р.
33001 33001-7502 / 45-55 дней Arm-comp-swing 1 27 933 р.
33032 33032-1197 / 45-55 дней Shaft-swing arm,left side 1 3 863 р.
33032A 33032-1200 / 45-55 дней Shaft-swing arm,right side 1 3 863 р.
41053 41053-1094 / 45-55 дней Lever-brake cam 1 5 256 р.
41072 41072-007 / 45-55 дней Nut,6mm 1 301 р.
92009 92009-1166 / 45-55 дней Screw 3 435 р.
92009A 92009-1936 / 45-55 дней Screw,4x10 2 153 р.
92015 92015-1229 / 45-55 дней Nut,22mm 1 898 р.
92043 92043-1567 / 45-55 дней Pin,8x14 2 167 р.
92045 92045-1427 / 45-55 дней Bearing-ball,tmbo/28c3 1 3 184 р.
92049 92049-1030 / 45-55 дней Seal-oil,26406 2 852 р.
92049A 92049-1537 / 45-55 дней Seal-oil,tc17x28x6 1 1 025 р.
92049B 92049-1538 / 45-55 дней Seal-oil,htc35x48x7 1 1 323 р.
92066 92066-1534 / 45-55 дней Plug 3 158 р.
92116 92116-1001 / 45-55 дней Bearing-roller,4t30203e1 2 3 722 р.
92143 92143-1331 / 45-55 дней Collar 3 272 р.
92145 92145-1313 / 45-55 дней Spring,brake lever return 1 398 р.
92152 92152-1240 / 45-55 дней Collar 1 1 323 р.
92152A 92152-1356 / 45-55 дней Collar 2 890 р.
Список узлов