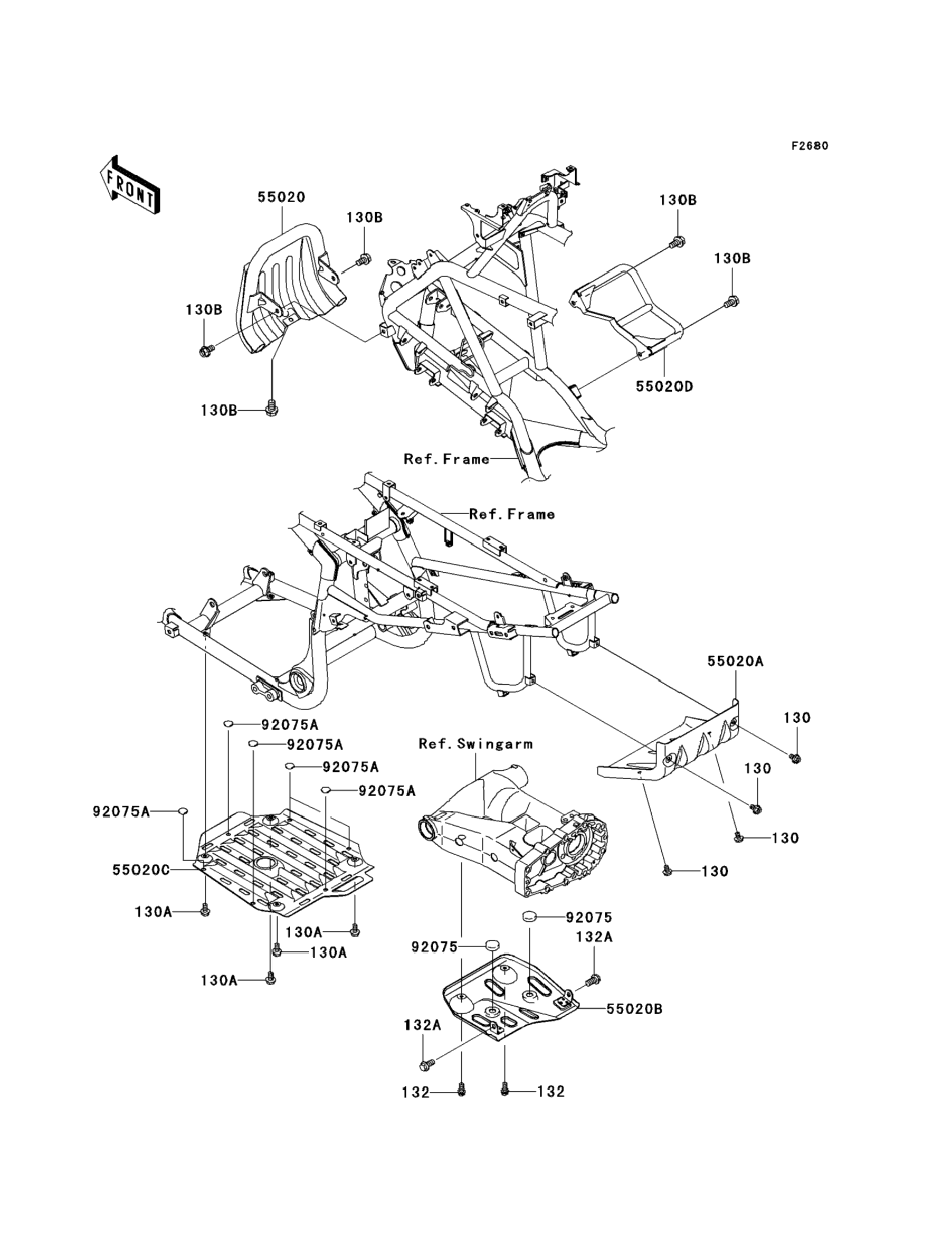
Guard(s) для Kawasaki KFX700 (KSV700B6F) 2006 г.

Доставка из США до Москвы 90 руб. за 100 грамм
Доставка
  • Доставка из США, ОАЭ или из Германии в Москву
  • Доставка со складов в Москве
Скидка 5% от суммы заказа более 30 000 руб.
Оплата
  • Наличный способ оплаты
  • Банковской картой Visa, Mastercard
Номер запчасти,
наличие, срок поставки
Наименование Кол-во Цена
130B 130BB0814 / 45-55 дней Bolt-flanged,8x14 5 332 р.
130A 130BB0612 / 45-55 дней Bolt-flanged,6x12 4 173 р.
130 130BB0610 / 45-55 дней Bolt-flanged,6x10 4 182 р.
132 132BB0612 / 45-55 дней Bolt-flanged-small,6x12 2 153 р.
132A 132BB0816 / 45-55 дней Bolt-flanged-small,8x16 2 332 р.
55020B 55020-0032 / 45-55 дней Guard,swing arm 1 4 278 р.
55020C 55020-1802 / 45-55 дней Guard,engine 1 6 649 р.
55020A 55020-0011 / 45-55 дней Guard,fuel tank 1 8 124 р.
55020 55020-0010-HN / 45-55 дней Guard,fr,g.gray 1 12 304 р.
55020D 55020-1810-HN / 45-55 дней Guard,belt converter,g.gray 1 3 625 р.
92075 92075-157 / 45-55 дней Damper 2 684 р.
92075A 92075-261 / 45-55 дней Damper,rubber 6 346 р.
Список узлов