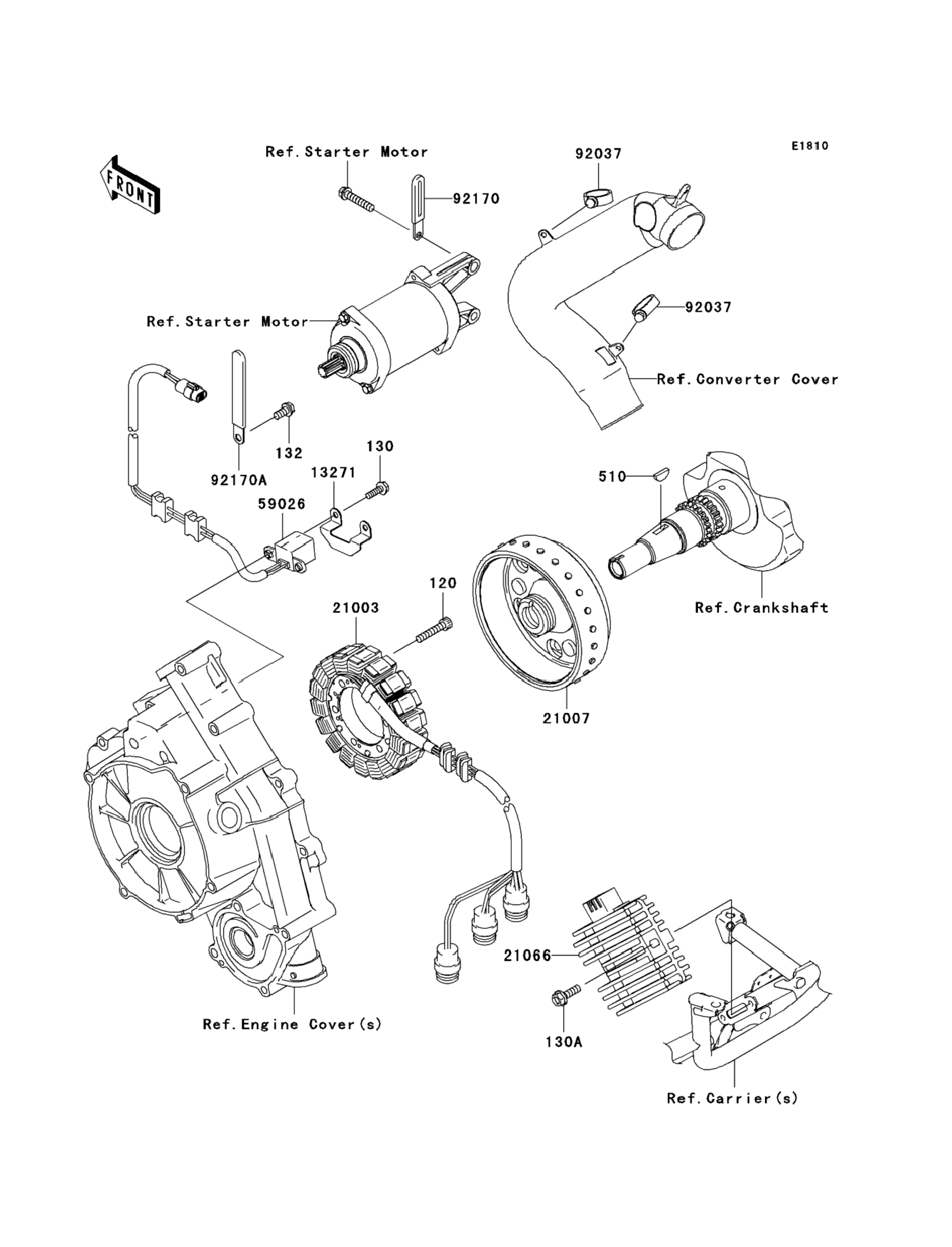
Генератор для Kawasaki BRUTE FORCE 750 4X4I (KVF750E8FA) 2008 г.

(Generator)
Доставка из США до Москвы 90 руб. за 100 грамм
Доставка
  • Доставка из США, ОАЭ или из Германии в Москву
  • Доставка со складов в Москве
Скидка 5% от суммы заказа более 30 000 руб.
Оплата
  • Наличный способ оплаты
  • Банковской картой Visa, Mastercard
Номер запчасти,
наличие, срок поставки
Наименование Кол-во Цена
120 120CB0630 / 45-55 дней Bolt-socket,6x30 3 226 р.
130 130BA0516 / 45-55 дней Bolt-flanged,5x16 2 153 р.
130A 130BB0620 / 45-55 дней Bolt-flanged,6x20 2 153 р.
132 132BD0612 / 45-55 дней Bolt-flanged-small,6x12 1 153 р.
510 510A4200 / 45-55 дней Key-woodruff 1 223 р.
13271 13271-1369 / 45-55 дней Plate 1 213 р.
21003 21003-0099 / 45-55 дней Stator 1 63 385 р.
21007 21007-0111 / 45-55 дней Rotor 1 67 103 р.
21066 21066-0030 / 45-55 дней Regulator-voltage 1 20 222 р.
59026 59026-0005 / 45-55 дней Coil-pulsing 1 10 213 р.
92037 92037-1827 / 45-55 дней Clamp,hose 2 617 р.
92170A 92170-1925 / 45-55 дней Clamp 1 182 р.
92170 92170-1514 / 45-55 дней Clamp 1 346 р.
Список узлов