Навигация
Главная
Основной сайт
Поиск
Ski-Doo
Arctic Cat
Yamaha
Can-Am
Honda
Sea-Doo
Kawasaki
Suzuki
Polaris
BRP Lynx
Harley Davidson
Подобрать запчасти
Главная
Kawasaki
Квадроциклы (ATV)
2009
KFX700 (KSV700B9F)
Optional Parts
Optional Parts для Kawasaki KFX700 (KSV700B9F) 2009 г.
Доставка из США до Москвы 90 руб. за 100 грамм
Доставка
Доставка из США, ОАЭ или из Германии в Москву
Доставка со складов в Москве
Скидка 5% от суммы заказа более 30 000 руб.
Оплата
Наличный способ оплаты
Банковской картой Visa, Mastercard
№
Номер запчасти,
наличие, срок поставки
Наименование
Кол-во
Цена
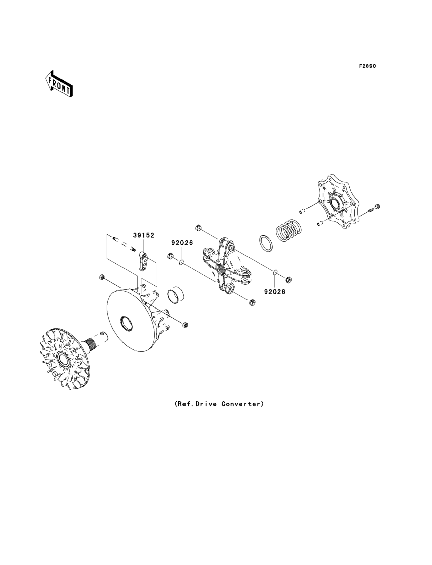
39152
39152-0004
/ 45-55 дней
Weight-ramp,ec-h3
4
5 439 р.
92026
92026-0038
/ 45-55 дней
Spacer,t=0.1
2
404 р.
Список узлов
Воздушный фильтр
Brake Pedal
Cables
Camshaft(s)/Tensioner
Карбюратор
Carburetor Parts
Chassis Electrical Equipment
Converter Cover
Картер
Коленвал
Крышка цилиндра
Cylinder/Piston(s)
Decals(B9F)
Drive Converter
Drive Shaft-Rear
Driven Converter/Drive Belt
Крышка двигателя
Footrests
Рамка
Frame Fittings
Front Bevel Gear
Передний тормоз
Front Fender(s)
Front Hub
Front Master Cylinder
Топливный бак
Gear Change Mechanism
Генератор
Guard(s)
Руль
Headlight(s)
Ignition Switch
Ignition System
Labels
Глушитель(и)
Oil Pump/Oil Filter
Optional Parts
Owner's Tools
Радиатор
Rear Fender(s)
Rear Hub
Сиденье
Shock Absorber(s)
Starter Motor(B9F)
Suspension
Swingarm
Taillight(s)
Коробка передач
Клапан(ы)
Wheels/Tires