Навигация
Главная
Основной сайт
Поиск
Ski-Doo
Arctic Cat
Yamaha
Can-Am
Honda
Sea-Doo
Kawasaki
Suzuki
Polaris
BRP Lynx
Harley Davidson
Подобрать запчасти
Главная
Поиск
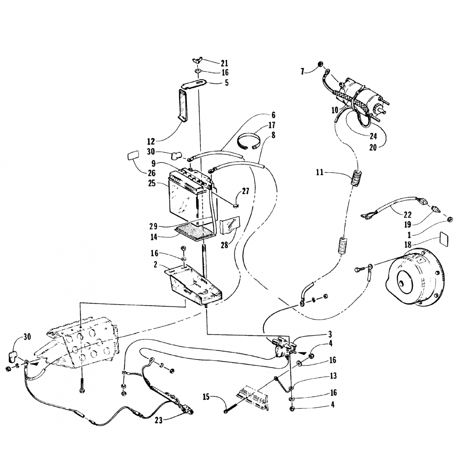
Деталь Optional Kit (inc. Battery and Starter Motor Assemblies (0639-245)
0639245
Optional Kit (inc. Battery and Starter Motor Assemblies
Наименование:
Optional Kit (inc. Battery and Starter Motor Assemblies
OEM:
0639245
Позиция на картинке:
Доставка из США до Москвы 150 руб. за 100 грамм
Доставка
Доставка из США, ОАЭ или из Германии в Москву
Доставка со складов в Москве
Скидка 5% от суммы заказа более 30 000 руб.
Оплата
Наличный способ оплаты
Банковской картой Visa, Mastercard
Применяемость детали Arctic Cat 0639-245
Arctic Cat / Снегоходы / 1997 / BEARCAT WIDE TRACK (97BCD) / ELECTRIC START - BATTERY ASSEMBLY