Навигация
Главная
Основной сайт
Поиск
Ski-Doo
Arctic Cat
Yamaha
Can-Am
Honda
Sea-Doo
Kawasaki
Suzuki
Polaris
BRP Lynx
Harley Davidson
Подобрать запчасти
Главная
Поиск
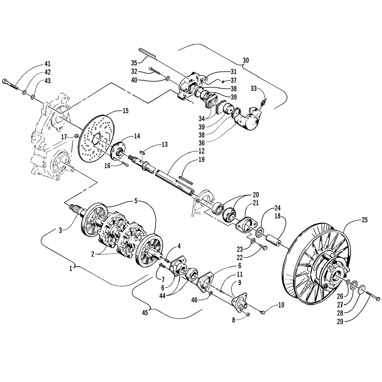
Деталь Assembly (0726-097)
0726097
Assembly
Наименование:
Assembly
OEM:
0726097
Позиция на картинке:
25
Цена (заказ из Cша 45-55 дней):
68 900 р.
Купить
Доставка из США до Москвы 150 руб. за 100 грамм
Доставка
Доставка из США, ОАЭ или из Германии в Москву
Доставка со складов в Москве
Скидка 5% от суммы заказа более 30 000 руб.
Оплата
Наличный способ оплаты
Банковской картой Visa, Mastercard
Применяемость детали Arctic Cat 0726-097
Arctic Cat / Снегоходы / 2000 / TRIPLE TOURING 600 (S2000TTD2RUS) / DRIVE TRAIN SHAFTS AND BRAKE ASSEMBLIES
Arctic Cat / Снегоходы / 2000 / ZRT 600 (BLACK) (S2000ZTDAAUSB) / DRIVE TRAIN SHAFTS AND BRAKE ASSEMBLIES
Arctic Cat / Снегоходы / 2000 / ZRT 600 (GREEN) (S2000ZTDAAUSG) / DRIVE TRAIN SHAFTS AND BRAKE ASSEMBLIES
Arctic Cat / Снегоходы / 1999 / ZRT 600 (99ZRF) / DRIVEN CLUTCH