Навигация
Главная
Основной сайт
Поиск
Ski-Doo
Arctic Cat
Yamaha
Can-Am
Honda
Sea-Doo
Kawasaki
Suzuki
Polaris
BRP Lynx
Harley Davidson
Подобрать запчасти
Главная
Поиск
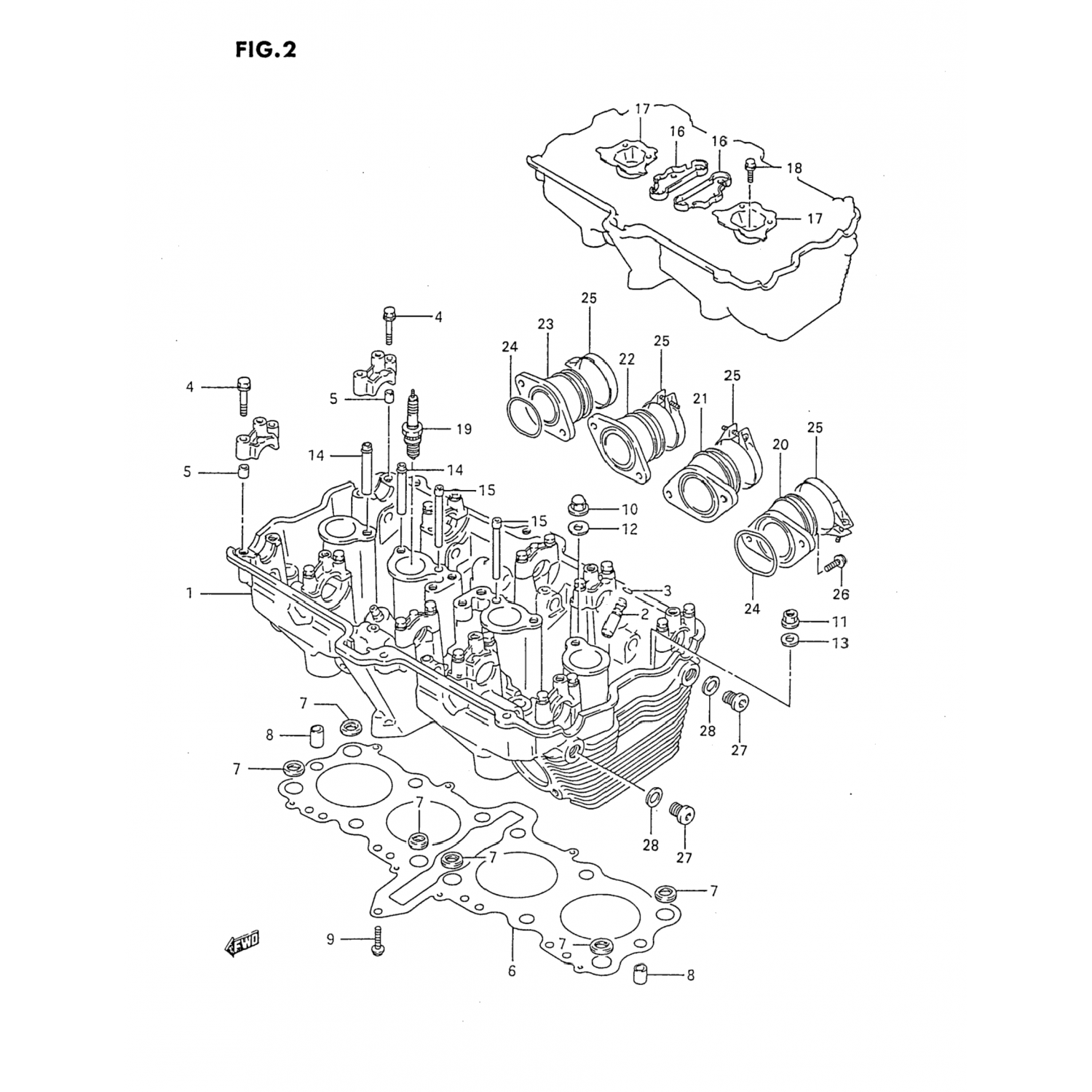
Деталь PLATE, OIL PIPE,NO.2 (11137-17C01)
1113717C01
PLATE, OIL PIPE,NO.2
Наименование:
PLATE, OIL PIPE,NO.2
OEM:
1113717C01
Позиция на картинке:
17
Доставка из США до Москвы 150 руб. за 100 грамм
Доставка
Доставка из США, ОАЭ или из Германии в Москву
Доставка со складов в Москве
Скидка 5% от суммы заказа более 30 000 руб.
Оплата
Наличный способ оплаты
Банковской картой Visa, Mastercard
Применяемость детали Suzuki 11137-17C01
Suzuki / Мотоциклы / 1997 / Katana (GSX750F) / Крышка цилиндра
Suzuki / Мотоциклы / 1996 / Katana (GSX750F) / Крышка цилиндра