Навигация
Главная
Основной сайт
Поиск
Производители
Ski-Doo
Arctic Cat
Yamaha
Can-Am
Honda
Sea-Doo
Kawasaki
Suzuki
Polaris
BRP Lynx
Harley Davidson
Производители
Ski-Doo
Arctic Cat
Yamaha
Can-Am
Honda
Sea-Doo
Kawasaki
Suzuki
Polaris
BRP Lynx
Harley Davidson
Вид техники
Вид техники
Год выпуска
Год выпуска
Модель
Модель
Подобрать запчасти
Главная
Поиск
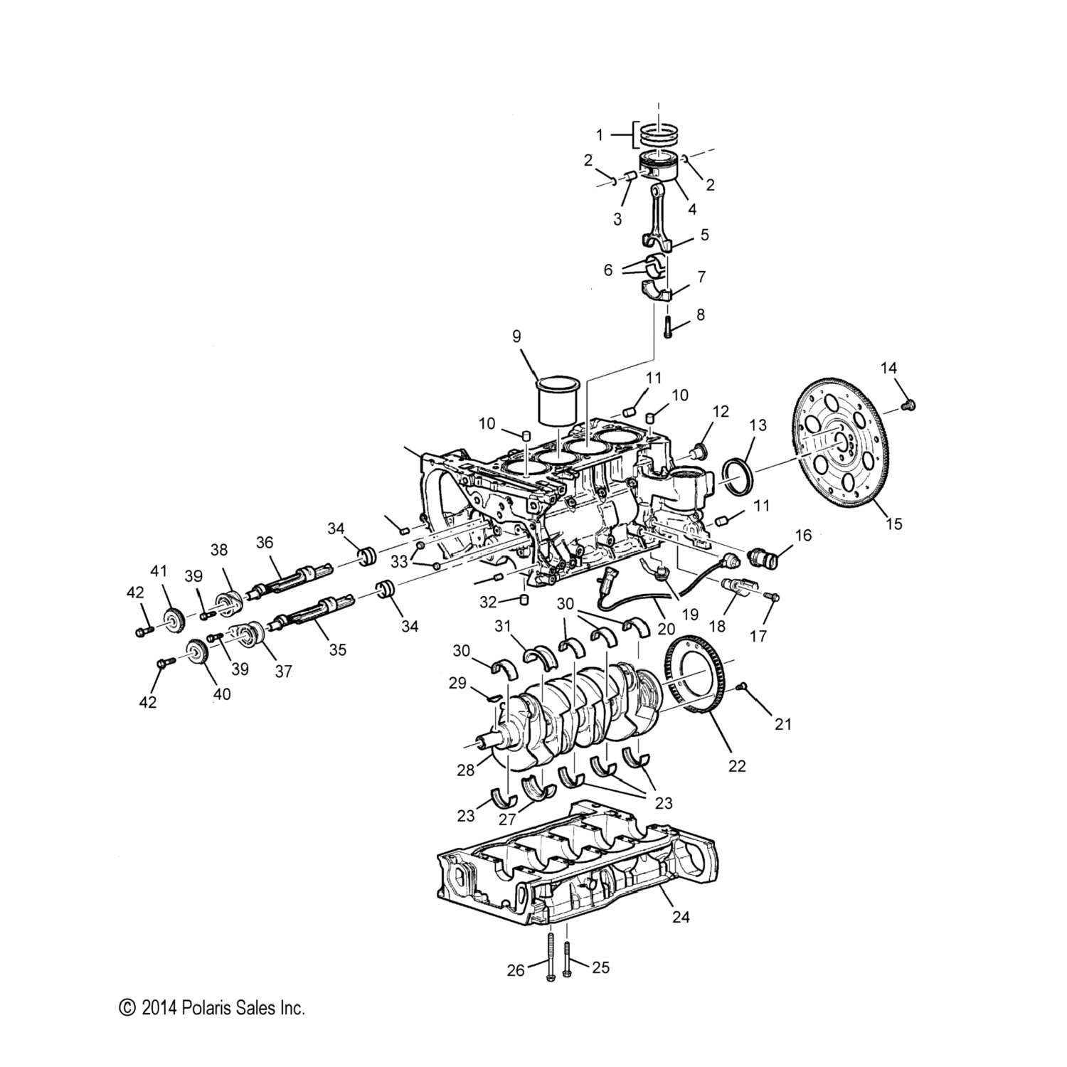
Деталь KIT, PISTON (12646457)
12646457
KIT, PISTON
Наименование:
KIT, PISTON
OEM:
12646457
Позиция на картинке:
4
Цена (заказ из Cша 35-45 дней):
8 693 р.
Купить
Цена (заказ из Cша 45-55 дней):
17 668 р.
Купить
Доставка из США до Москвы 150 руб. за 100 грамм
Доставка
Доставка из США, ОАЭ или из Германии в Москву
Доставка со складов в Москве
Скидка 5% от суммы заказа более 30 000 руб.
Оплата
Наличный способ оплаты
Банковской картой Visa, Mastercard
Применяемость детали Polaris 12646457
Polaris / Slingshot™ / 2017 / SLINGSHOT ALL OPTIONS (T17AAPF/AARF/AASF) / Engine, Cylinder Block And Related Parts All Options
Polaris / Slingshot™ / 2016 / SLINGSHOT ALL OPTIONS (T16AAS/AAP) / Engine, Cylinder Block And Related Parts All Options
Polaris / Slingshot™ / 2015 / SLINGSHOT ALL OPTIONS (T15AAS/AAP) / Engine, Cylinder Block And Related Parts All Options