Навигация
Главная
Основной сайт
Поиск
Ski-Doo
Arctic Cat
Yamaha
Can-Am
Honda
Sea-Doo
Kawasaki
Suzuki
Polaris
BRP Lynx
Harley Davidson
Подобрать запчасти
Главная
Поиск
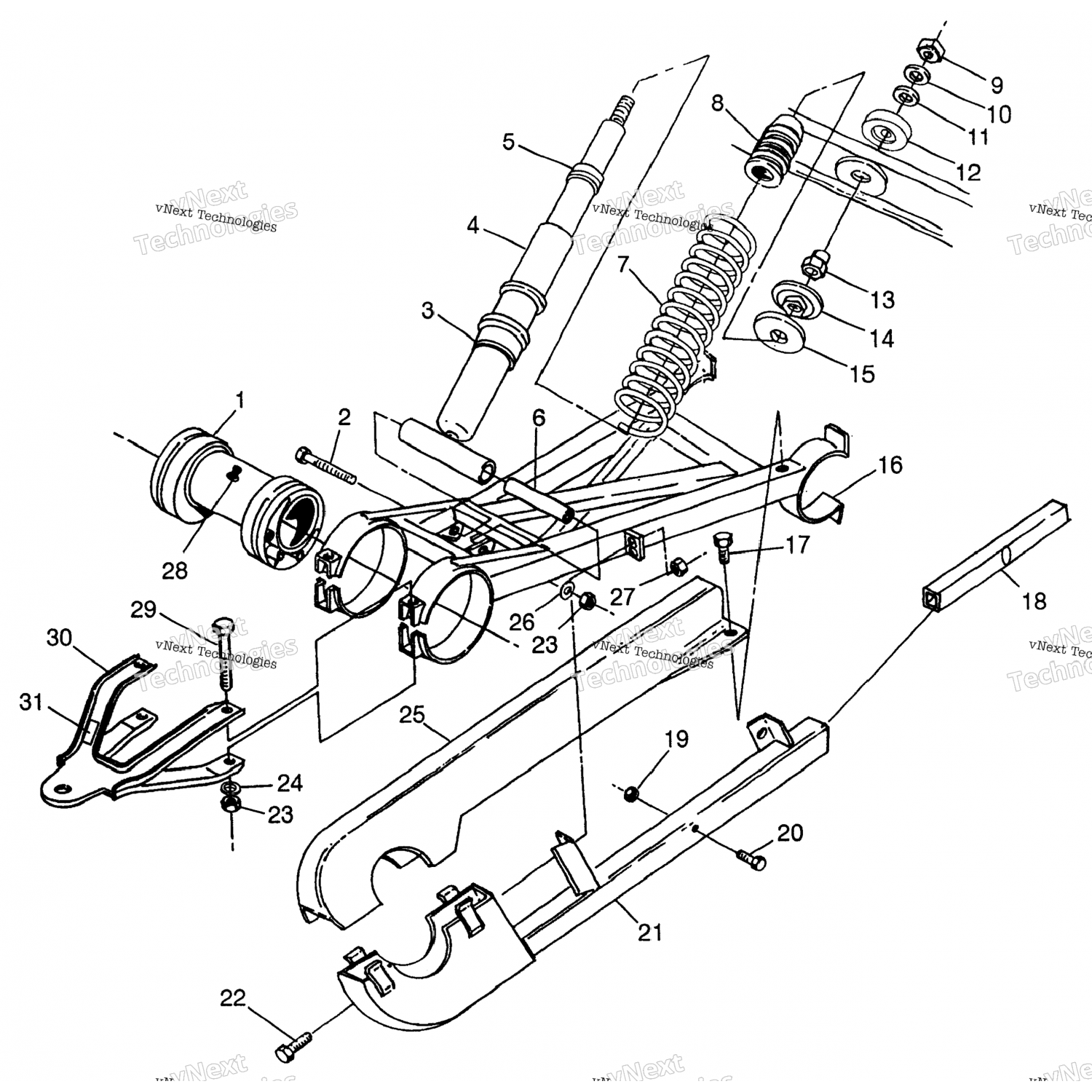
Деталь STRUT ASM,REAR (Incl. 3, 5) (1580078)
1580078
STRUT ASM,REAR (Incl. 3, 5)
Наименование:
STRUT ASM,REAR (Incl. 3, 5)
OEM:
1580078
Позиция на картинке:
4
Доставка из США до Москвы 150 руб. за 100 грамм
Доставка
Доставка из США, ОАЭ или из Германии в Москву
Доставка со складов в Москве
Скидка 5% от суммы заказа более 30 000 руб.
Оплата
Наличный способ оплаты
Банковской картой Visa, Mastercard
Применяемость детали Polaris 1580078
Polaris / Квадроциклы (ATV) / 1997 / SWEDISH MAGNUM 6X6 (S97AE42E) / Swing Arm Weldment Magnum 6X6 W97ae42a & Swedish Magnum 6X6 S97ae4 (4940754075D003)
Polaris / Квадроциклы (ATV) / 1997 / BIG BOSS 6X6 400L (N97AE38D) / Swing Arm Weldment Big Boss 6X6 400L W97ae38a (4940814081C014)
Polaris / Квадроциклы (ATV) / 1996 / SWEDISH MAGNUM 6X6 (S968744) / Swing Arm Weldment Magnum 6X6 W968744 & Magnum 6X6 Swedish (4936073607D002)
Polaris / Квадроциклы (ATV) / 1996 / NORWEGIAN 400L 6X6 (N968740) / Swing Arm Weldment 6X6 400L W968740 & 6X6 400L Norwegian N968 (4935963596D002)
Polaris / Квадроциклы (ATV) / 1994 / NORWEGIAN 400L 6X6 (N948740) / Swing Arm Weldment 6X6 400L, Swedish S948740 & Norwegian (4926812681038A)
Polaris / Квадроциклы (ATV) / 1995 / BIG BOSS 6X6 400L (W958740) / Swing Arm Weldment 6X6 400L U.S. , Swedish S958740 & No (4930273027D002)
Polaris / Квадроциклы (ATV) / 1998 / BIG BOSS 500 6X6 (W98AE50A) / Swing Arm Weldment S98ae50e (4946394639D004)
Polaris / Квадроциклы (ATV) / 1998 / SWEDISH BIG BOSS 500 6X6 (S98AE50E) / Swing Arm Weldment (4946394639D004)
Polaris / Квадроциклы (ATV) / 1996 / 400L 6X6 (W968740) / Swing Arm Weldment 6X6 400L & 6X6 400L Norwegian N968 (4935963596D002)
Polaris / Квадроциклы (ATV) / 1994 / 400L 6X6 (W948740) / Swing Arm Weldment 6X6 400L (4926802680C013)