Notice: Error: SELECT command denied to user 'oem'@'localhost' for table 'product_opt'
Error No: 1142
SELECT p.*,(100-d.discount)/100*d.koef*p.price*d.currency as price_result FROM partsimport_db.product_opt p LEFT JOIN partsimport_db.discount d ON (d.manufacturer=p.shipper AND d.name='OPT1') WHERE model = '2202665' ORDER BY price_result in /var/www/partsimport/data/www/oem.partsimport.ru/system/database/mysqli.php on line 54

Warning: Invalid argument supplied for foreach() in /var/www/partsimport/data/www/oem.partsimport.ru/catalog/controller/parts/search.php on line 93
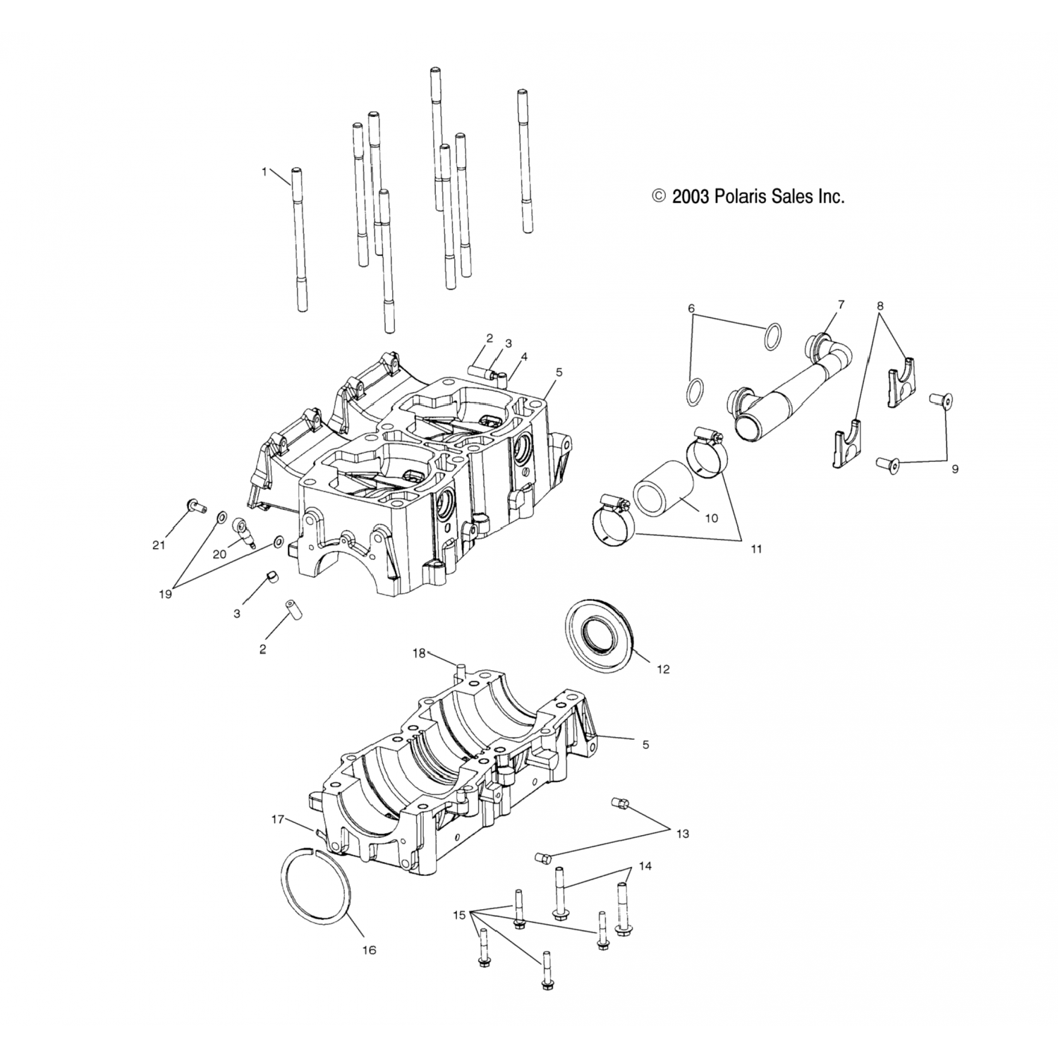
2202665 Polaris - Kit, Crankcase [Incl. 1,5,14,18]

Деталь Kit, Crankcase [Incl. 1,5,14,18] (2202665)

2202665
Kit, Crankcase [Incl. 1,5,14,18]
Наименование: Kit, Crankcase [Incl. 1,5,14,18]
OEM: 2202665
Позиция на картинке: 5
Доставка из США до Москвы 150 руб. за 100 грамм
Доставка
  • Доставка из США, ОАЭ или из Германии в Москву
  • Доставка со складов в Москве
Скидка 5% от суммы заказа более 30 000 руб.
Оплата
  • Наличный способ оплаты
  • Банковской картой Visa, Mastercard


Array ( [type] => 2 [message] => Invalid argument supplied for foreach() [file] => /var/www/partsimport/data/www/oem.partsimport.ru/catalog/controller/parts/search.php [line] => 93 )