Навигация
Главная
Основной сайт
Поиск
Ski-Doo
Arctic Cat
Yamaha
Can-Am
Honda
Sea-Doo
Kawasaki
Suzuki
Polaris
BRP Lynx
Harley Davidson
Подобрать запчасти
Главная
Поиск
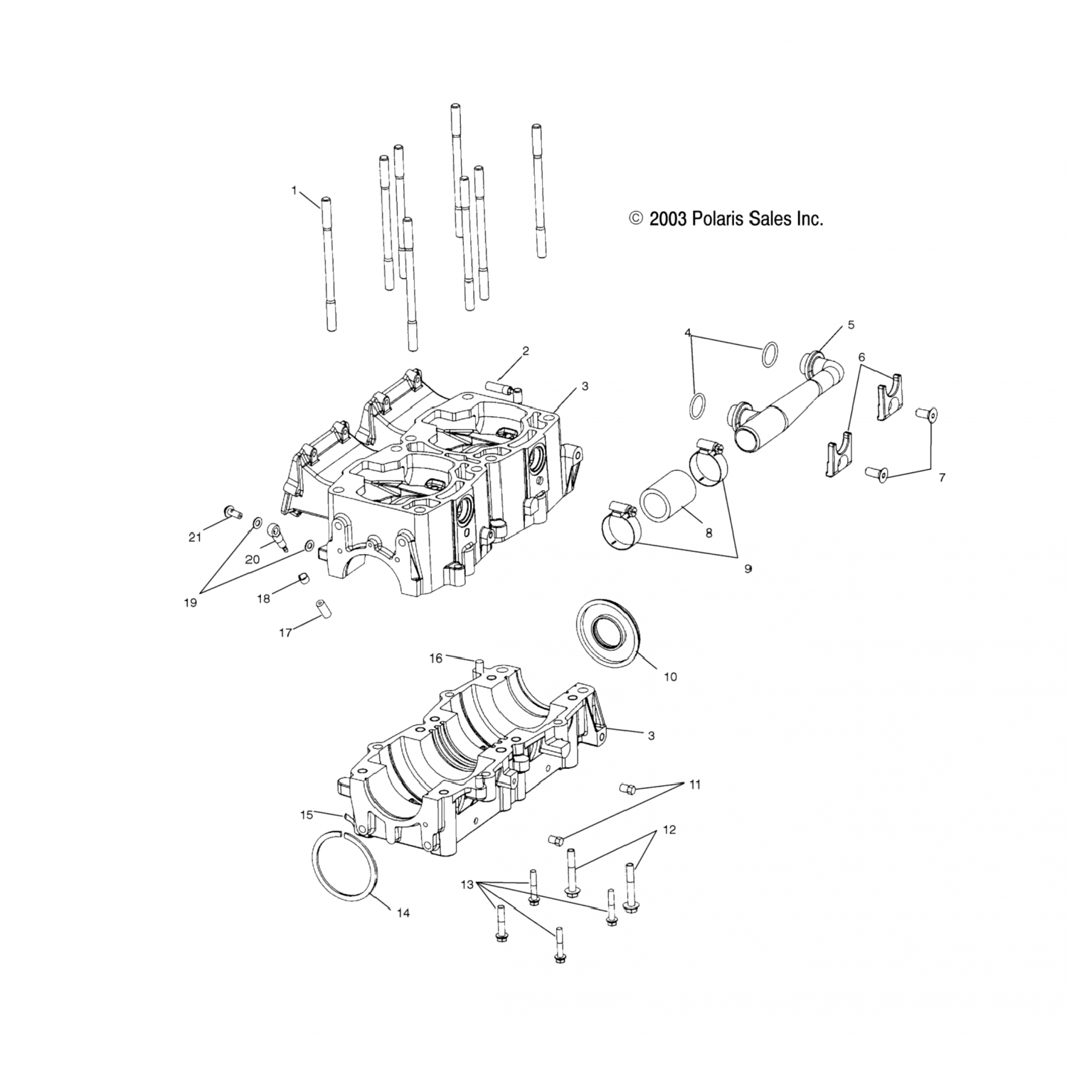
Деталь Kit, Crankcase [Incl. 1,5,14,18] (2202666)
2202666
Kit, Crankcase [Incl. 1,5,14,18]
Наименование:
Kit, Crankcase [Incl. 1,5,14,18]
OEM:
2202666
Позиция на картинке:
3
Цена (заказ из Cша 45-55 дней):
90 572 р.
Купить
Доставка из США до Москвы 150 руб. за 100 грамм
Доставка
Доставка из США, ОАЭ или из Германии в Москву
Доставка со складов в Москве
Скидка 5% от суммы заказа более 30 000 руб.
Оплата
Наличный способ оплаты
Банковской картой Visa, Mastercard
Применяемость детали Polaris 2202666
Polaris / Снегоходы / 2004 / 600/700/800 PRO X/PRO X2 (S04NX6ES) / Crankcase S04nx8cs/S04ny8cs/8Ce (4988598859C14)
Polaris / Снегоходы / 2004 / 800 PRO XR (S04NZ8CS) / Crankcase /Csa/Cenx6es