Навигация
Главная
Основной сайт
Поиск
Ski-Doo
Arctic Cat
Yamaha
Can-Am
Honda
Sea-Doo
Kawasaki
Suzuki
Polaris
BRP Lynx
Harley Davidson
Подобрать запчасти
Главная
Поиск
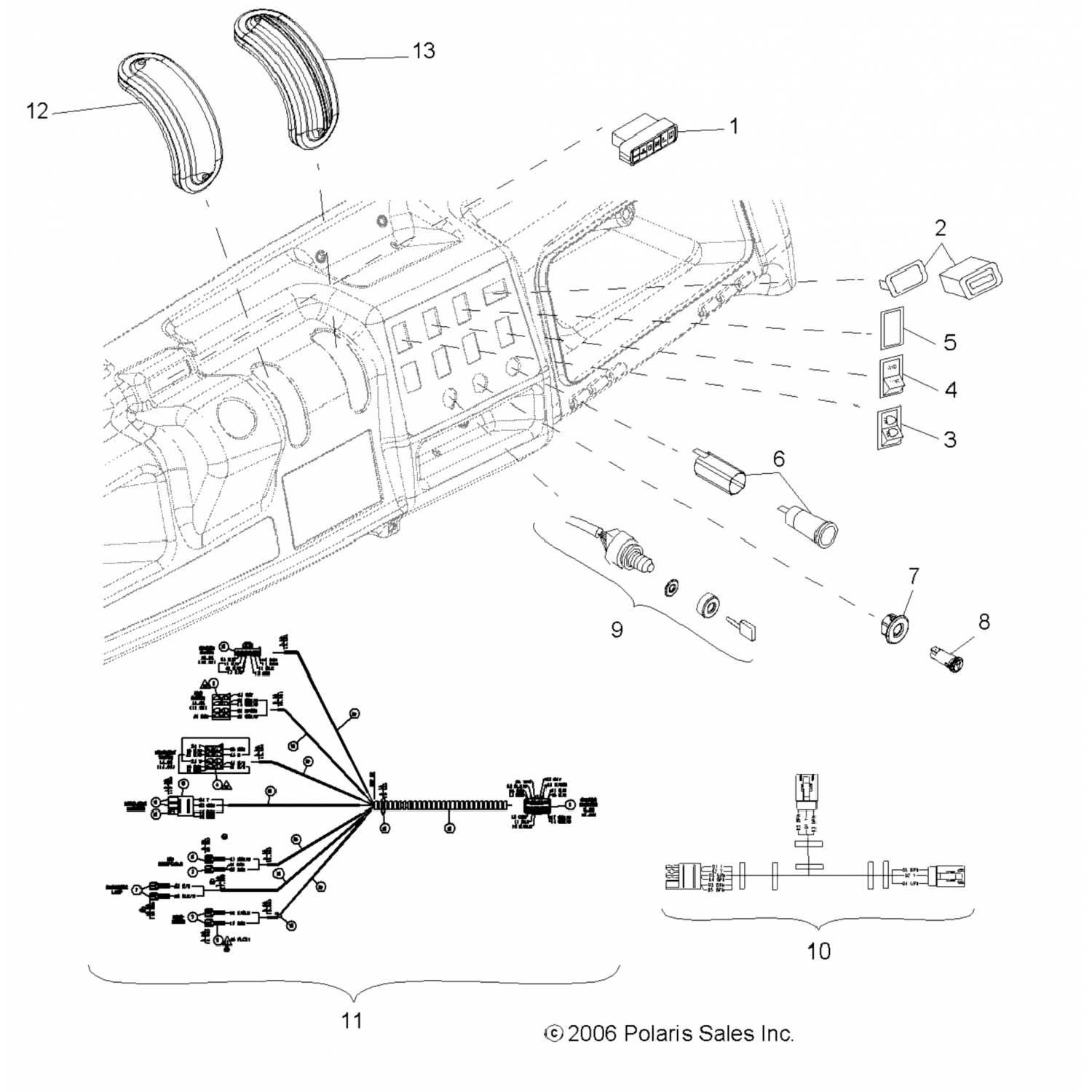
Деталь Harness, Dash (2410880)
2410880
Harness, Dash
Наименование:
Harness, Dash
OEM:
2410880
Позиция на картинке:
11
Доставка из США до Москвы 150 руб. за 100 грамм
Доставка
Доставка из США, ОАЭ или из Германии в Москву
Доставка со складов в Москве
Скидка 5% от суммы заказа более 30 000 руб.
Оплата
Наличный способ оплаты
Банковской картой Visa, Mastercard
Применяемость детали Polaris 2410880
Polaris / Side x Side / 2007 / RANGER 500 EFI 4X4 (R07RH50AF/AR/AT) / Dash Instruments & Controls