Навигация
Главная
Основной сайт
Поиск
Ski-Doo
Arctic Cat
Yamaha
Can-Am
Honda
Sea-Doo
Kawasaki
Suzuki
Polaris
BRP Lynx
Harley Davidson
Подобрать запчасти
Главная
Поиск
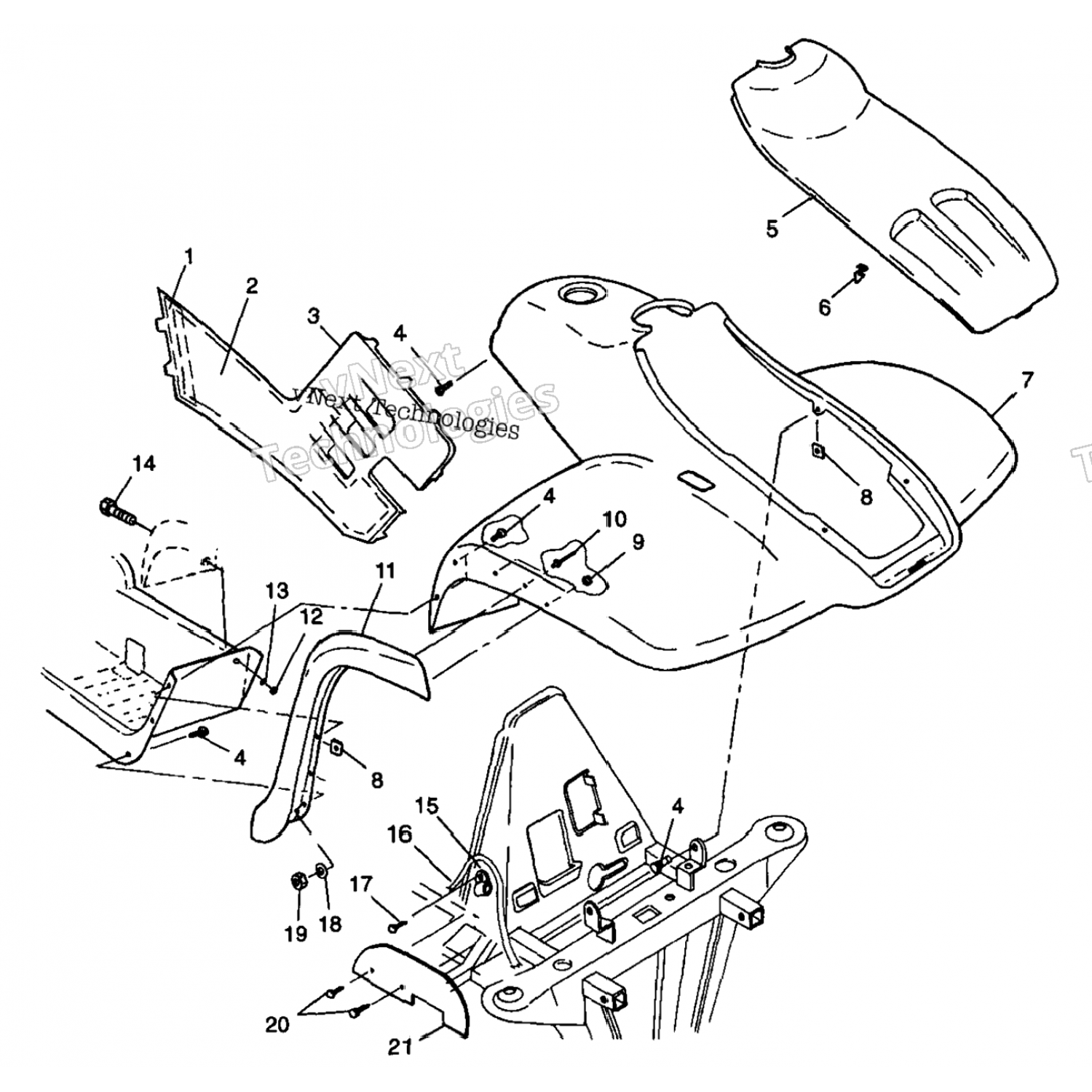
Деталь PANEL/FOIL ASM,RH,P.RED (Option 2) (2620085-136)
2620085136
PANEL/FOIL ASM,RH,P.RED (Option 2)
Наименование:
PANEL/FOIL ASM,RH,P.RED (Option 2)
OEM:
2620085136
Позиция на картинке:
3
Доставка из США до Москвы 150 руб. за 100 грамм
Доставка
Доставка из США, ОАЭ или из Германии в Москву
Доставка со складов в Москве
Скидка 5% от суммы заказа более 30 000 руб.
Оплата
Наличный способ оплаты
Банковской картой Visa, Mastercard
Применяемость детали Polaris 2620085-136
Polaris / Квадроциклы (ATV) / 1998 / SPORTSMAN 500 (W98CH50AC) / Front Ca S98ch50e (4950135013A007)
Polaris / Квадроциклы (ATV) / 1998 / SPORTSMAN 500 (W98CH50AD) / Front Ca S98ch50e (4950135013A007)
Polaris / Квадроциклы (ATV) / 1998 / SPORTSMAN 500 (W98CH50AF) / Front Ca S98ch50e (4950135013A007)
Polaris / Квадроциклы (ATV) / 1998 / SWEDISH SPORTSMAN 500 (S98CH50EB) / Front Ca S98ch50e (4950135013A007)
Polaris / Квадроциклы (ATV) / 1995 / XPLORER (W959140) / Front Cab Assembly Xplorer 4X4
Polaris / Квадроциклы (ATV) / 1998 / SWEDISH SPORTSMAN 500 (S98CH50E) / Front Ca (4950135013A007)
Polaris / Квадроциклы (ATV) / 1997 / XPLORER 500 (W97CD50A) / Front Cab Xplorer 500