Навигация
Главная
Основной сайт
Поиск
Ski-Doo
Arctic Cat
Yamaha
Can-Am
Honda
Sea-Doo
Kawasaki
Suzuki
Polaris
BRP Lynx
Harley Davidson
Подобрать запчасти
Главная
Поиск
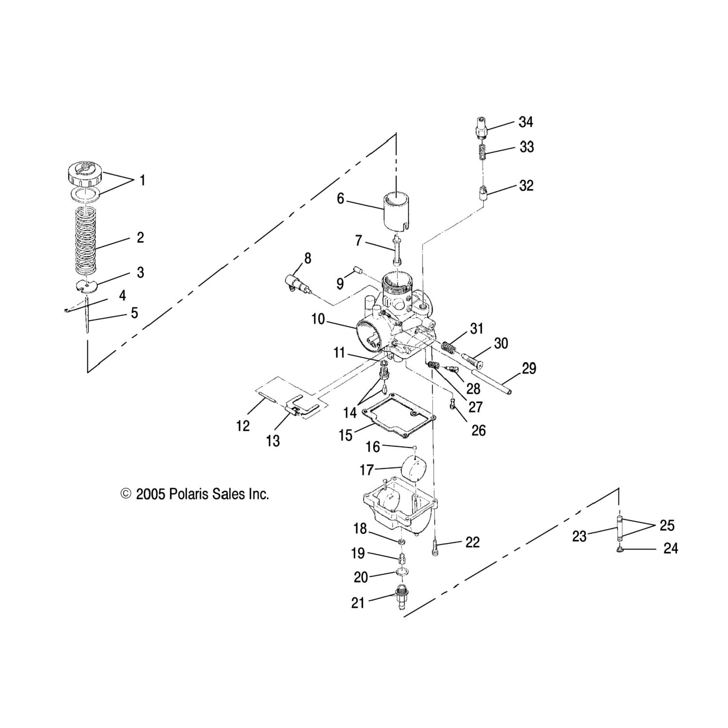
Деталь Asm., Carburetor [Incl. 1-22] (3131635)
3131635
Asm., Carburetor [Incl. 1-22]
Наименование:
Asm., Carburetor [Incl. 1-22]
OEM:
3131635
Позиция на картинке:
10
Цена (заказ из Cша 45-55 дней):
44 307 р.
Купить
Доставка из США до Москвы 150 руб. за 100 грамм
Доставка
Доставка из США, ОАЭ или из Германии в Москву
Доставка со складов в Москве
Скидка 5% от суммы заказа более 30 000 руб.
Оплата
Наличный способ оплаты
Банковской картой Visa, Mastercard
Применяемость детали Polaris 3131635
Polaris / Снегоходы / 2008 / 550 LX (S08ND5BS) / Engine, Carburetor
Polaris / Снегоходы / 2008 / SUPERSPORT/EURO (S08NP5BS/BE) / Engine, Carburetor
Polaris / Снегоходы / 2008 / TRAIL TOURING/FLEET/EURO (S08NT5BS/BE/BSA/BSF) / Engine, Carburetor
Polaris / Снегоходы / 2007 / 550 EDGE LX (S07ND5BS) / Engine, Carburetor
Polaris / Снегоходы / 2007 / SUPERSPORT EDGE (S07NP5BS/BE) / Engine, Carburetor
Polaris / Снегоходы / 2007 / TRAIL TOURING DELUXE (S07NT5BS/BSA/BE/BEA) / Engine, Carburetor