Навигация
Главная
Основной сайт
Поиск
Ski-Doo
Arctic Cat
Yamaha
Can-Am
Honda
Sea-Doo
Kawasaki
Suzuki
Polaris
BRP Lynx
Harley Davidson
Подобрать запчасти
Главная
Поиск
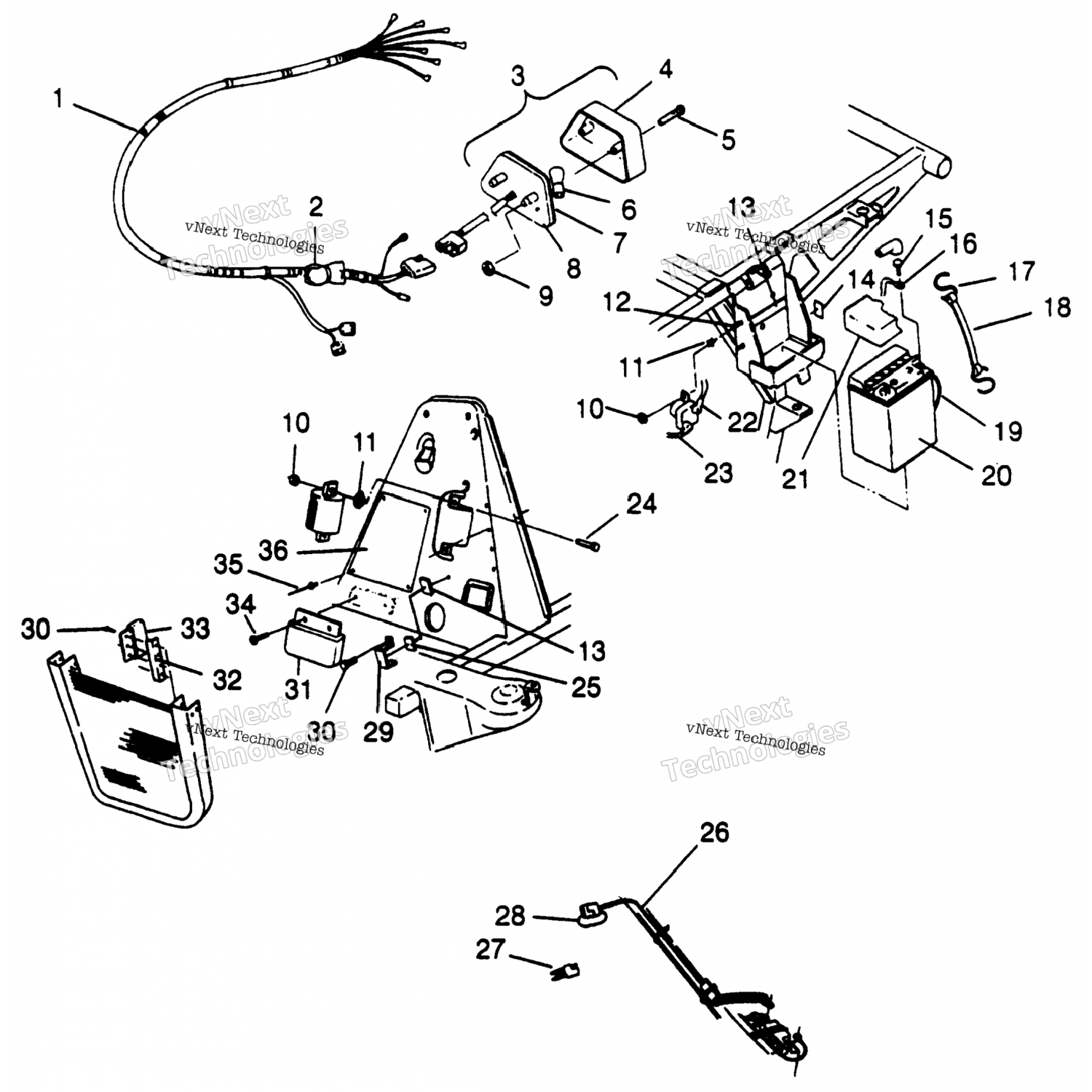
Деталь LIMITER,RPM,LR83,HUB GROUND (Hub Ground) (4060135)
4060135
LIMITER,RPM,LR83,HUB GROUND (Hub Ground)
Наименование:
LIMITER,RPM,LR83,HUB GROUND (Hub Ground)
OEM:
4060135
Позиция на картинке:
31
Доставка из США до Москвы 150 руб. за 100 грамм
Доставка
Доставка из США, ОАЭ или из Германии в Москву
Доставка со складов в Москве
Скидка 5% от суммы заказа более 30 000 руб.
Оплата
Наличный способ оплаты
Банковской картой Visa, Mastercard
Применяемость детали Polaris 4060135
Polaris / Квадроциклы (ATV) / 1996 / SWEDISH SPORTSMAN 500 (S969244) / Electrical/Taillight Sportsman 500 W969244