Навигация
Главная
Основной сайт
Поиск
Ski-Doo
Arctic Cat
Yamaha
Can-Am
Honda
Sea-Doo
Kawasaki
Suzuki
Polaris
BRP Lynx
Harley Davidson
Подобрать запчасти
Главная
Поиск
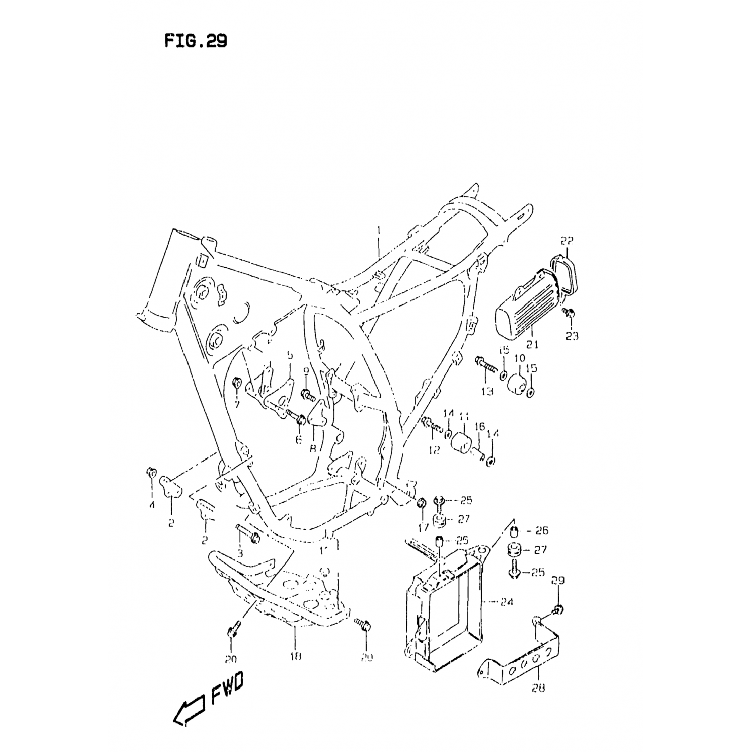
Деталь FRAME (CHARCOAL) MODEL X (41100-14E30-24K)
4110014E3024K
FRAME (CHARCOAL) MODEL X
Наименование:
FRAME (CHARCOAL) MODEL X
OEM:
4110014E3024K
Позиция на картинке:
1-2
Доставка из США до Москвы 150 руб. за 100 грамм
Доставка
Доставка из США, ОАЭ или из Германии в Москву
Доставка со складов в Москве
Скидка 5% от суммы заказа более 30 000 руб.
Оплата
Наличный способ оплаты
Банковской картой Visa, Mastercard
Применяемость детали Suzuki 41100-14E30-24K
Suzuki / Мотоциклы / 1999 / DR350SE / Рамка
Suzuki / Мотоциклы / 1998 / DR350SE / Рамка
Suzuki / Мотоциклы / 1997 / DR350SE / Рамка