Навигация
Главная
Основной сайт
Поиск
Ski-Doo
Arctic Cat
Yamaha
Can-Am
Honda
Sea-Doo
Kawasaki
Suzuki
Polaris
BRP Lynx
Harley Davidson
Подобрать запчасти
Главная
Поиск
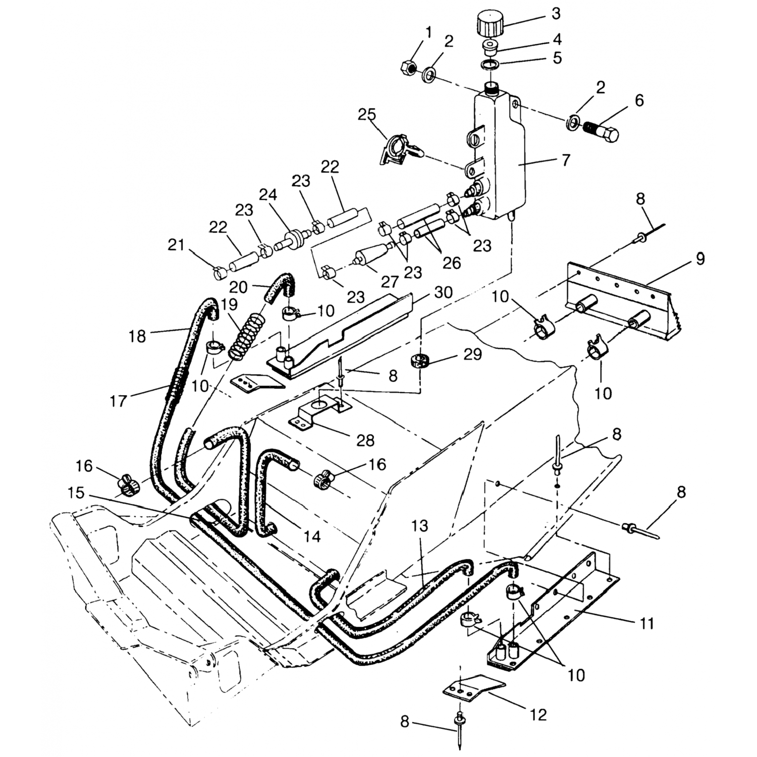
Деталь HOSE (5410398)
5410398
HOSE
Наименование:
HOSE
OEM:
5410398
Позиция на картинке:
14
Доставка из США до Москвы 150 руб. за 100 грамм
Доставка
Доставка из США, ОАЭ или из Германии в Москву
Доставка со складов в Москве
Скидка 5% от суммы заказа более 30 000 руб.
Оплата
Наличный способ оплаты
Банковской картой Visa, Mastercard
Применяемость детали Polaris 5410398
Polaris / Снегоходы / 1996 / EURO WIDETRAK LX (E962064) / Cooling System Widetrak Lx 0962064 & European Widetrak Lx
Polaris / Снегоходы / 1996 / WIDETRAK LX (0962064) / Cooling System Widetrak Lx & European Widetrak Lx E962064