Навигация
Главная
Основной сайт
Поиск
Ski-Doo
Arctic Cat
Yamaha
Can-Am
Honda
Sea-Doo
Kawasaki
Suzuki
Polaris
BRP Lynx
Harley Davidson
Подобрать запчасти
Главная
Поиск
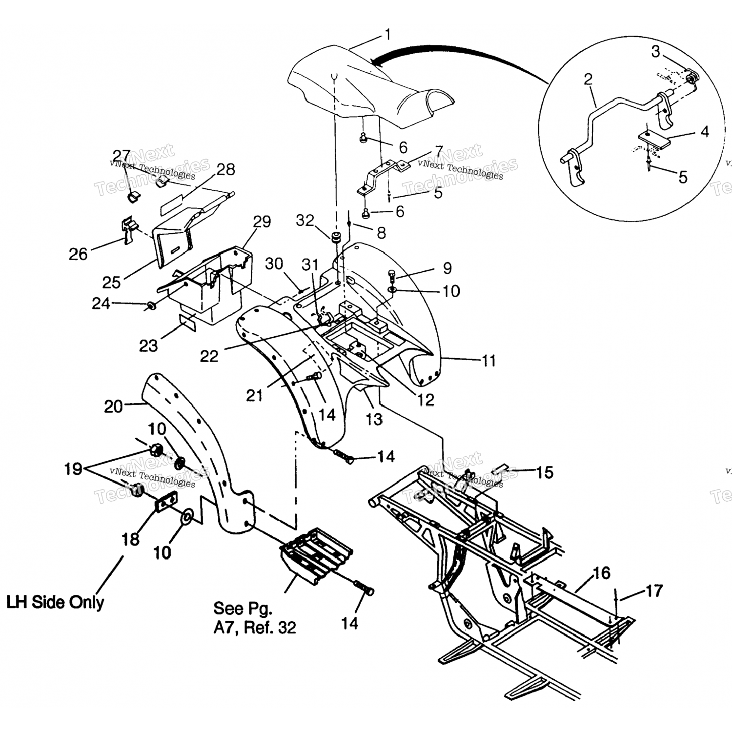
Деталь CAB,REAR,BLUE(350ATV-MOD) (5431271-157)
5431271157
CAB,REAR,BLUE(350ATV-MOD)
Наименование:
CAB,REAR,BLUE(350ATV-MOD)
OEM:
5431271157
Позиция на картинке:
11
Доставка из США до Москвы 150 руб. за 100 грамм
Доставка
Доставка из США, ОАЭ или из Германии в Москву
Доставка со складов в Москве
Скидка 5% от суммы заказа более 30 000 руб.
Оплата
Наличный способ оплаты
Банковской картой Visa, Mastercard
Применяемость детали Polaris 5431271-157
Polaris / Квадроциклы (ATV) / 1996 / MAGNUM 4X4 (W968144) / Rear Cab Magnum 4X4 & Swedish Magnum 4X4 S968144