Notice: Error: SELECT command denied to user 'oem'@'localhost' for table 'product_opt'
Error No: 1142
SELECT p.*,(100-d.discount)/100*d.koef*p.price*d.currency as price_result FROM partsimport_db.product_opt p LEFT JOIN partsimport_db.discount d ON (d.manufacturer=p.shipper AND d.name='OPT1') WHERE model = '5521375' ORDER BY price_result in /var/www/partsimport/data/www/oem.partsimport.ru/system/database/mysqli.php on line 54

Warning: Invalid argument supplied for foreach() in /var/www/partsimport/data/www/oem.partsimport.ru/catalog/controller/parts/search.php on line 93
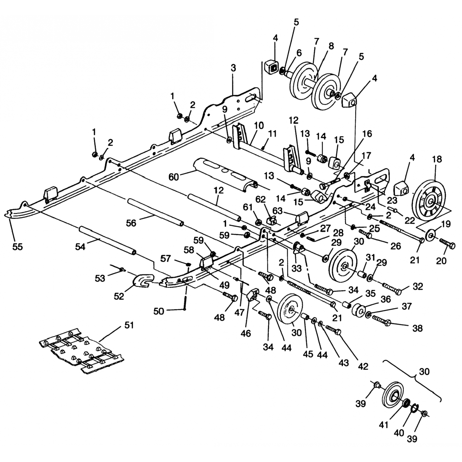
5521375 Polaris - SLIDER,RH,(XTRA 10)

Деталь SLIDER,RH,(XTRA 10) (5521375)

5521375
SLIDER,RH,(XTRA 10)
Наименование: SLIDER,RH,(XTRA 10)
OEM: 5521375
Позиция на картинке: 55
Доставка из США до Москвы 150 руб. за 100 грамм
Доставка
  • Доставка из США, ОАЭ или из Германии в Москву
  • Доставка со складов в Москве
Скидка 5% от суммы заказа более 30 000 руб.
Оплата
  • Наличный способ оплаты
  • Банковской картой Visa, Mastercard

Применяемость детали Polaris 5521375



Array ( [type] => 2 [message] => Invalid argument supplied for foreach() [file] => /var/www/partsimport/data/www/oem.partsimport.ru/catalog/controller/parts/search.php [line] => 93 )