Навигация
Главная
Основной сайт
Поиск
Ski-Doo
Arctic Cat
Yamaha
Can-Am
Honda
Sea-Doo
Kawasaki
Suzuki
Polaris
BRP Lynx
Harley Davidson
Подобрать запчасти
Главная
Поиск
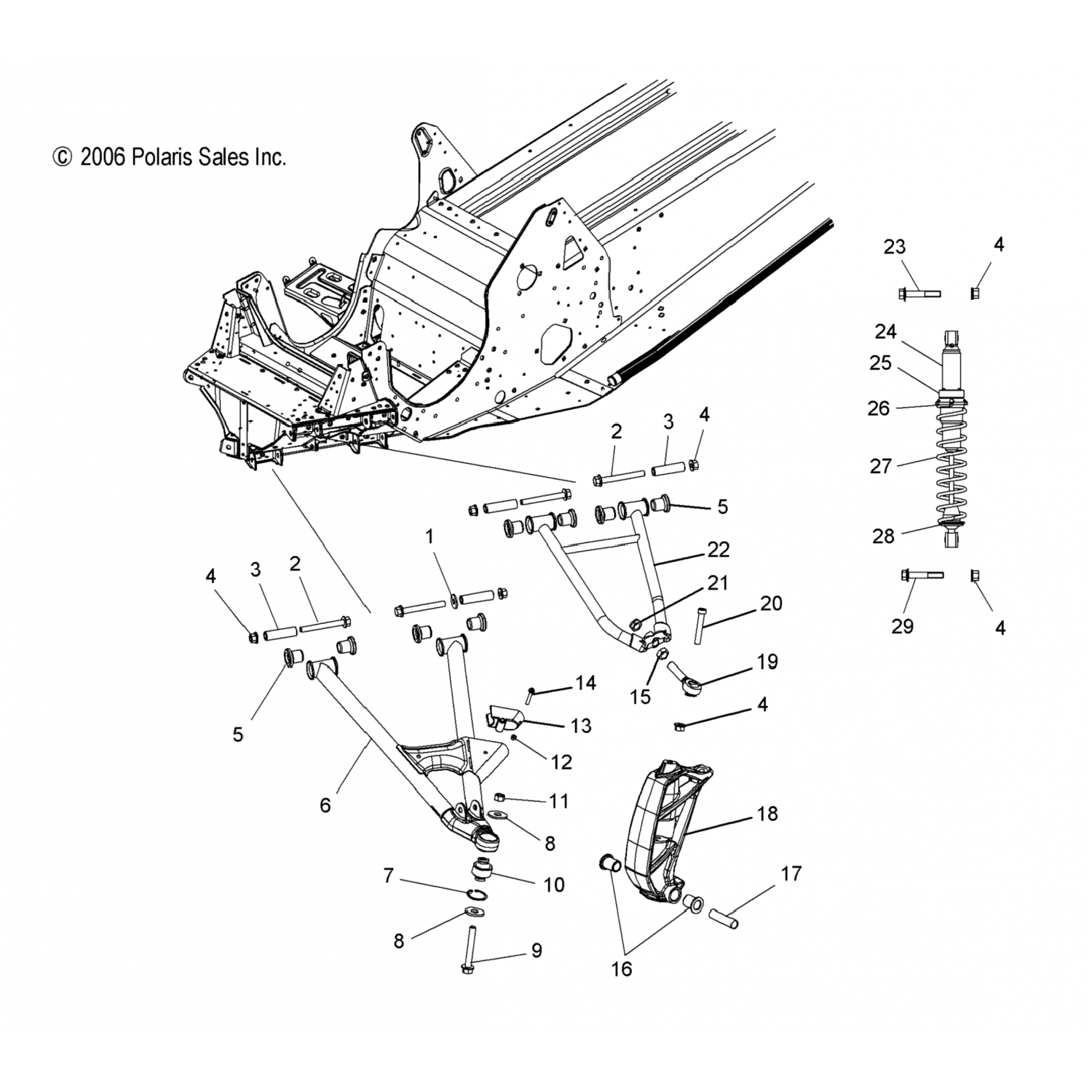
Деталь Spring, Compression, Silver (7041550-385)
7041550385
Spring, Compression, Silver
Наименование:
Spring, Compression, Silver
OEM:
7041550385
Позиция на картинке:
27
Цена (заказ из Cша 45-55 дней):
6 885 р.
Купить
Доставка из США до Москвы 150 руб. за 100 грамм
Доставка
Доставка из США, ОАЭ или из Германии в Москву
Доставка со складов в Москве
Скидка 5% от суммы заказа более 30 000 руб.
Оплата
Наличный способ оплаты
Банковской картой Visa, Mastercard
Применяемость детали Polaris 7041550-385
Polaris / Снегоходы / 2007 / 600 HO IQ TOURING CLEANFIRE/EURO (S07PT6HS/HE) / Suspension, Front
Polaris / Снегоходы / 2007 / FS/FST IQ TOURING (S07PT7ES/PT7EE/PT7FS/PT7FE) / Suspension, Front