Навигация
Главная
Основной сайт
Поиск
Ski-Doo
Arctic Cat
Yamaha
Can-Am
Honda
Sea-Doo
Kawasaki
Suzuki
Polaris
BRP Lynx
Harley Davidson
Подобрать запчасти
Главная
Поиск
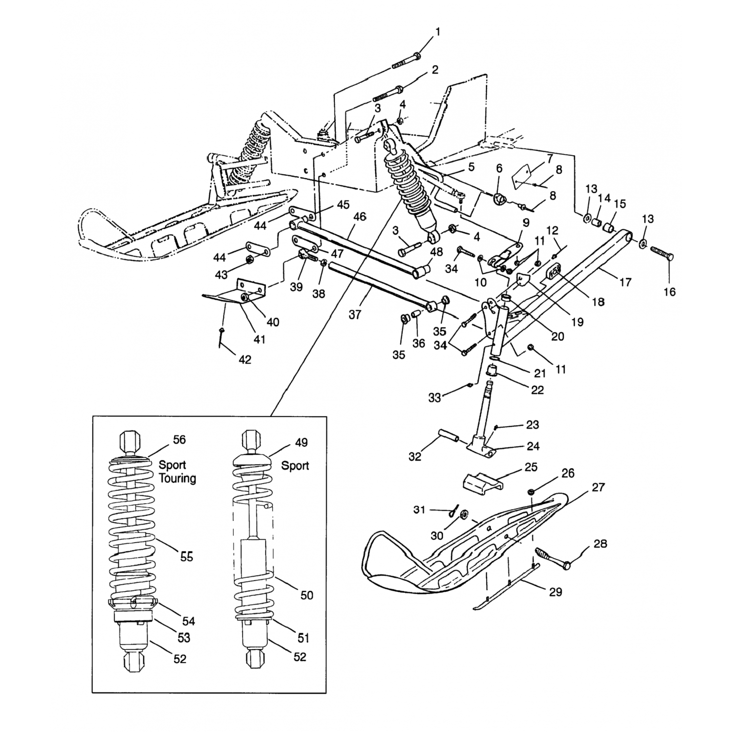
Деталь SHOCK,GAS,IFS (Touring) (7041562)
7041562
SHOCK,GAS,IFS (Touring)
Наименование:
SHOCK,GAS,IFS (Touring)
OEM:
7041562
Позиция на картинке:
52
Доставка из США до Москвы 150 руб. за 100 грамм
Доставка
Доставка из США, ОАЭ или из Германии в Москву
Доставка со складов в Москве
Скидка 5% от суммы заказа более 30 000 руб.
Оплата
Наличный способ оплаты
Банковской картой Visa, Mastercard
Применяемость детали Polaris 7041562
Polaris / Снегоходы / 1998 / SPORT (0980443) / Front Suspension & Ski
Polaris / Снегоходы / 1998 / SPORT TOURING (0980243) / Front Suspension & Ski 0980443
Polaris / Снегоходы / 1998 / SPORT TOURING (0980243) / Front Suspension & Ski 0980443
Polaris / Снегоходы / 1997 / EURO SPORT TOURING (E970243) / Front Suspension & Ski
Polaris / Снегоходы / 1997 / SPORT (0970443) / Front Suspension & Ski E970243
Polaris / Снегоходы / 1997 / SPORT TOURING (0970243) / Front Suspension & Ski E970243