Навигация
Главная
Основной сайт
Поиск
Ski-Doo
Arctic Cat
Yamaha
Can-Am
Honda
Sea-Doo
Kawasaki
Suzuki
Polaris
BRP Lynx
Harley Davidson
Подобрать запчасти
Главная
Поиск
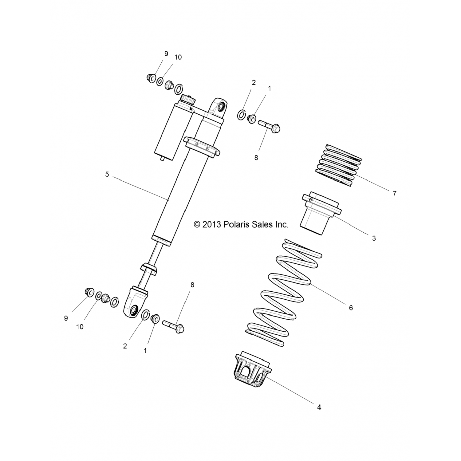
Деталь SPRING, BRIGHT WHITE [AW][EAN][EFW] (7043980-133)
7043980133
SPRING, BRIGHT WHITE [AW][EAN][EFW]
Наименование:
SPRING, BRIGHT WHITE [AW][EAN][EFW]
OEM:
7043980133
Позиция на картинке:
6
Цена (заказ из Cша 45-55 дней):
19 076 р.
Купить
Доставка из США до Москвы 150 руб. за 100 грамм
Доставка
Доставка из США, ОАЭ или из Германии в Москву
Доставка со складов в Москве
Скидка 5% от суммы заказа более 30 000 руб.
Оплата
Наличный способ оплаты
Банковской картой Visa, Mastercard
Применяемость детали Polaris 7043980-133
Polaris / Side x Side / 2014 / RZR XP 1000 (Z14ST1EAM/EAW/EAK/EAN/EFW) / Suspension, Front Shock Mounting
Polaris / Side x Side / 2014 / RZR XP 1000 INTL (Z14ST1EFX) / Suspension, Front Shock Mounting
Polaris / Side x Side / 2015 / RZR XP 1000 (Z15VDE99AT/AL/AV/AW/LP/EW/AO/AP/AZ/K99AA/AU) / Suspension, Front Shock Mounting
Polaris / Side x Side / 2015 / RZR XP 1000 (Z15VDE99AT/AL/AV/AW/LP/EW/AO/AP/AZ/NV/NW/K99AA/AU) / Suspension, Front Shock Mounting
Polaris / Side x Side / 2016 / RZR XP 1000 (Z16VDE99AF/AM/LM/M99AM) / Suspension, Front Shock Mounting Z16vde99af/Am/Lm/As/M99am