Навигация
Главная
Основной сайт
Поиск
Ski-Doo
Arctic Cat
Yamaha
Can-Am
Honda
Sea-Doo
Kawasaki
Suzuki
Polaris
BRP Lynx
Harley Davidson
Подобрать запчасти
Главная
Поиск
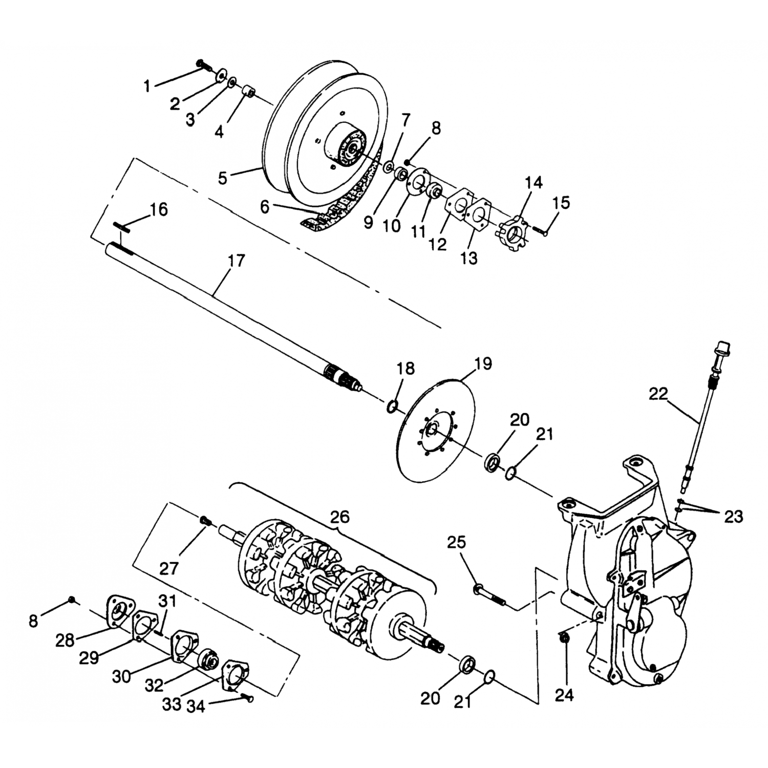
Деталь SCREW ,(10) (7517239)
7517239
SCREW ,(10)
Наименование:
SCREW ,(10)
OEM:
7517239
Позиция на картинке:
15
Доставка из США до Москвы 150 руб. за 100 грамм
Доставка
Доставка из США, ОАЭ или из Германии в Москву
Доставка со складов в Москве
Скидка 5% от суммы заказа более 30 000 руб.
Оплата
Наличный способ оплаты
Банковской картой Visa, Mastercard
Применяемость детали Polaris 7517239
Polaris / Снегоходы / 1997 / EURO ULTRA TOURING (E975378) / Drive Train Ultra Touring 0975378 & European Ultra Touring
Polaris / Снегоходы / 1997 / ULTRA TOURING (0975378) / Drive Train Ultra Touring & European Ultra Touring E975378