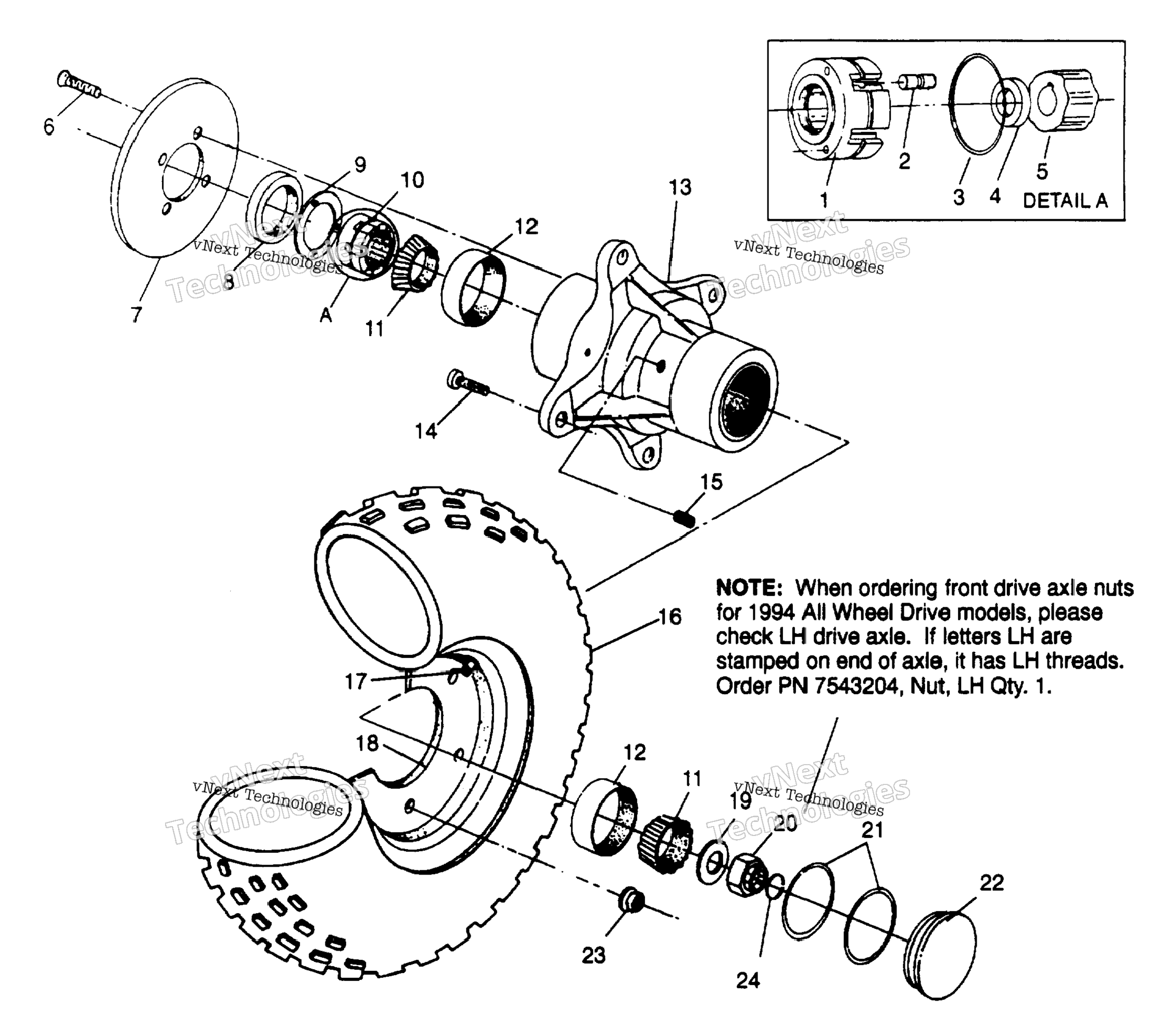
Front Wheel Assembly 4X4 300 для Polaris 300 4X4 (W958130) 1995 г.

Доставка из США до Москвы 90 руб. за 100 грамм
Доставка
  • Доставка из США, ОАЭ или из Германии в Москву
  • Доставка со складов в Москве
Скидка 5% от суммы заказа более 30 000 руб.
Оплата
  • Наличный способ оплаты
  • Банковской картой Visa, Mastercard
Номер запчасти,
наличие, срок поставки
Наименование Кол-во Цена
1 3250028 / 45-55 дней Roll cage 1 23 925 р.
2 3250010 / 45-55 дней Roll 6 3 909 р.
3 3250032 / 45-55 дней Garter spring 1 1 911 р.
4 3250026 Spacer 1 Узнать цены
5 3250027 Cam 1 Узнать цены
6 7515321 / 45-55 дней Bolt 8 149 р.
7 5211325 / 45-55 дней Disc brake 2 8 416 р.
8 3610019 / 45-55 дней Hub seal, front 2 3 985 р.
9 5211148 / 45-55 дней Armature plate 2 2 657 р.
10 1520281 / 45-55 дней Clutch hub, front 2 43 795 р.
11 3554506 / 45-55 дней Taper roll cone bearing 4 3 475 р.
12 3554507 / 45-55 дней Taper roll cup bearing 4 3 475 р.
13 1520182 Substituted by 2202595 (incl. 8, 12, 14) 1 Узнать цены
14 7515523 / 45-55 дней Stud 8 347 р.
15 7052045 / 45-55 дней Magnetic drain plug 2 1 415 р.
16 5410480 Tire,fr(22x8-10) (22x8x10) 1 Узнать цены
17 1525017 / 45-55 дней Rim valve 2 619 р.
18 1520175-486 / 45-55 дней Rim, front, 5.86 x 10 2 9 633 р.
19 7555903 Washer 1 Узнать цены
20 9999999 Discontinued (see footnote) 1 Узнать цены
20 7543204 Nut,lh thread (see footnote) 1 Узнать цены
21 5410470 / 45-55 дней O-ring 4 263 р.
22 5431368 / 45-55 дней Hub cap 2 2 657 р.
23 7542459 / 45-55 дней Flanged nut lock 8 174 р.
24 7710436 / 45-55 дней Ring,retaining 2 521 р.
Список узлов