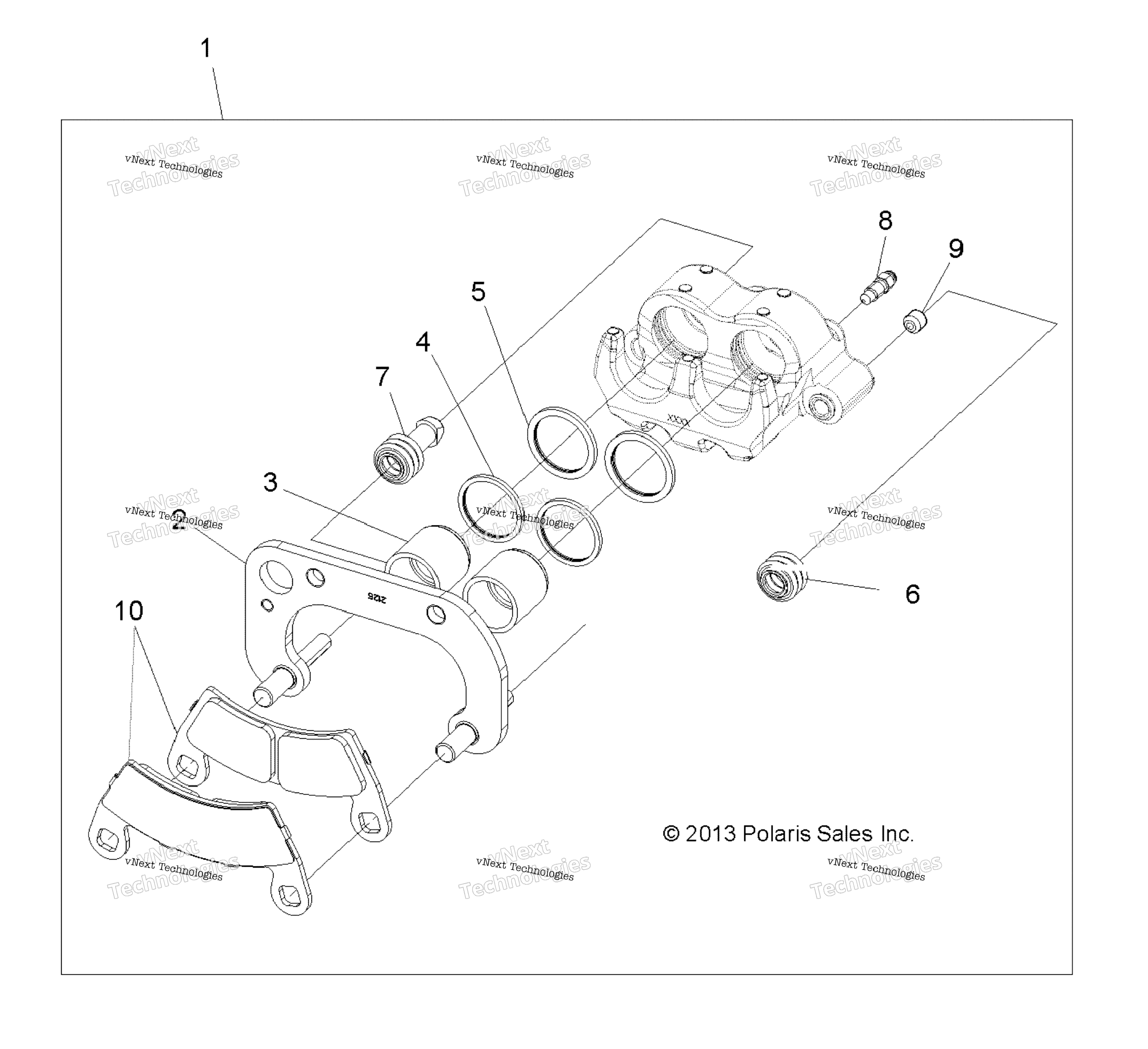
Brakes, Caliper, Front для Polaris ACE 570 EFI HD (A16DAH57A1) 2016 г.

Доставка из США до Москвы 90 руб. за 100 грамм
Доставка
  • Доставка из США, ОАЭ или из Германии в Москву
  • Доставка со складов в Москве
Скидка 5% от суммы заказа более 30 000 руб.
Оплата
  • Наличный способ оплаты
  • Банковской картой Visa, Mastercard
Номер запчасти,
наличие, срок поставки
Наименование Кол-во Цена
1 1912026 / 45-55 дней Asm-caliper,brk,xldb,1.19 ,lh 1 20 919 р.
1 1912027 / 45-55 дней Asm-caliper,brk,xldb,1.19 ,rh 1 20 666 р.
2 1912125 / 45-55 дней Caliper mount assembly, 1.375 m 1 5 758 р.
3 1930665 / 45-55 дней Piston and seal kit 2 6 200 р.
4 5410779 / 45-55 дней Square molded ring, .094 2 1 150 р.
5 5410780 / 45-55 дней Square molded ring, .103 x .134 2 1 150 р.
6 5412505 / 45-55 дней Pin bushing boot 1 353 р.
7 5412506 / 45-55 дней Pin seal boot 1 353 р.
8 7081343 / 45-55 дней Scr-m7x1.0,bleeder,olive d 1 607 р.
9 7518863 / 45-55 дней Scr-m10x1.0x8,soc set-od 1 1 041 р.
10 2205949 / 45-55 дней K-asm,pad,brake,db,1.375 [incl. 2 pads] 2 3 909 р.
10 2208933 / 45-55 дней K-asm,hd,pad,brk,db,1.375 [optional][2pads per kit] 2 5 212 р.
Список узлов