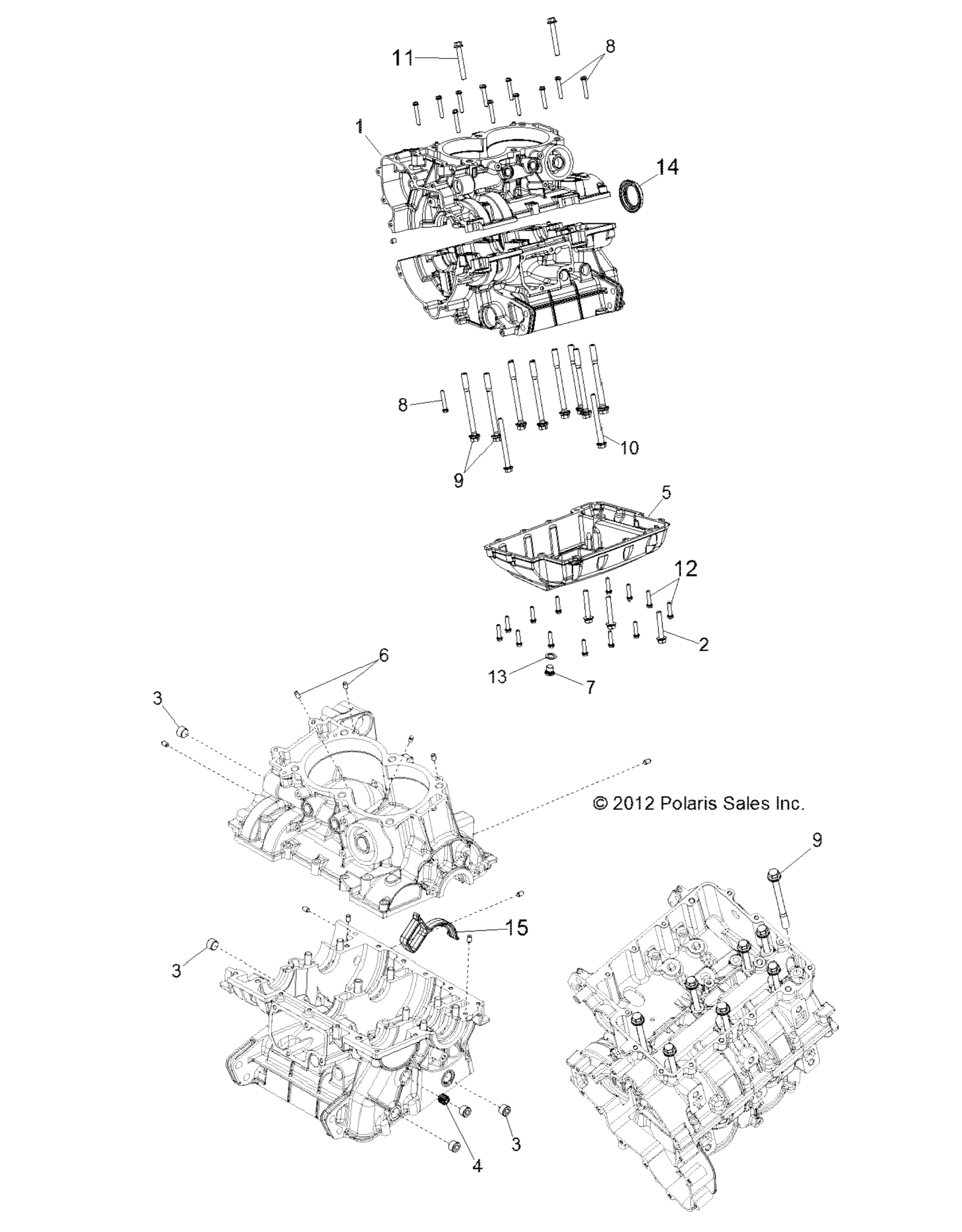
Engine, Crankcase для Polaris RZR 4 900 (Z14XT9EAO) 2014 г.

Доставка из США до Москвы 90 руб. за 100 грамм
Доставка
  • Доставка из США, ОАЭ или из Германии в Москву
  • Доставка со складов в Москве
Скидка 5% от суммы заказа более 30 000 руб.
Оплата
  • Наличный способ оплаты
  • Банковской картой Visa, Mastercard
Номер запчасти,
наличие, срок поставки
Наименование Кол-во Цена
1 2205191 / 45-55 дней Kit, crankcase [incl. 2-4,6,8-10,15] 1 165 318 р.
2 7517793 / 45-55 дней Screw 3 607 р.
3 7052413 / 45-55 дней Plug 5 149 р.
4 7518835 / 45-55 дней Plug, hex socket 2 619 р.
5 5137873 / 45-55 дней Cover, sump 1 11 518 р.
6 5136879 / 45-55 дней Pin, dowel 8 259 р.
7 7052306 / 45-55 дней Plug 1 1 385 р.
8 7518578 / 45-55 дней Screw 12 434 р.
9 7519141 / 45-55 дней Screw 16 1 477 р.
10 7519154 / 45-55 дней Screw 2 781 р.
11 7519186 / 45-55 дней Screw 2 1 028 р.
12 7519297 / 45-55 дней Screw 14 434 р.
13 5812232 / 45-55 дней Washer, copper 1 174 р.
14 3610176 / 45-55 дней Seal, flange 1 3 542 р.
15 5452616 / 45-55 дней Diverter, oil drain 1 2 213 р.
Список узлов