Навигация
Главная
Основной сайт
Поиск
Ski-Doo
Arctic Cat
Yamaha
Can-Am
Honda
Sea-Doo
Kawasaki
Suzuki
Polaris
BRP Lynx
Harley Davidson
Подобрать запчасти
Главная
Polaris
Side x Side
2017
A17SAH50A5 INTL FARMHAND HD 450 2x4 () (R09) (A17SAH50A5
Запчасти для Polaris A17SAH50A5 INTL FARMHAND HD 450 2x4 () (R09) (A17SAH50A5 2017 г.
BODY, CLUTCH COVER - A17SAH50A5 [49ATVCLUTCHCVR15570AA]
BODY, DECALS - A17SAH50A5 [100874]
BODY, FRONT BUMPER and MOUNTING - A17SAH50A5 [100098]
BODY, FRONT CAB and SIDE PANELS - A17SAH50A5 [101179]
BODY, FUEL TANK ASM. - A17SAH50A5 [100875]
BODY, HEADLIGHT POD - A17SAH50A5 [49ATVHEADLIGHT11SP800]
BODY, REAR CAB, SEAT and FOOTWELLS - A17SAH50A5 [100096]
BODY, REAR RACK - A17SAH50A5 [49ATVRACKMTGRR14570]
BODY, RIGHT HAND SIDE PANEL HEAT SHIELD AND HARDWARE 1 UP - A17SAH50A5 (101067)
BODY, STORAGE BOX, REAR - A17SAH50A5 [49ATVSTORAGERR14SP570]
BODY, STORAGE, FRONT - A17SEA50A1/A5/SEE50A1 [49ATVSTORAGE15570AA]
BRAKES, BRAKE LINES - A17SAH50A5 [100877]
BRAKES, BRAKE PEDAL and MASTER CYLINDER - A17SAH50A5 [49ATVBRAKEFOOT11SP500]
BRAKES, FRONT BRAKE LEVER and MASTER CYLINDER - A17SAH50A5 [100868]
BRAKES, FRONT CALIPER - A17SAH50A5 [49ATVBRAKEFRT08SP500]
BRAKES, FRONT CALIPER MOUNTING - A17SAH50A5 (100266)
BRAKES, REAR CALIPER - A17SAH50A5 [49ATVBRAKERR09SP500]
CHASSIS, FRAME - A17SAH50A5 [49ATVFRAME15570AA]
DRIVE TRAIN, GEAR SELECTOR - A17SAH50A5 [100274]
DRIVE TRAIN, MAIN GEARCASE - A17SAH50A5 [100444]
DRIVE TRAIN, MAIN GEARCASE MOUNTING - A17SAH50A5 [49ATVGEARCASEMTGN14SP500]
DRIVE TRAIN, PRIMARY CLUTCH - A17SAH50A5 [49ATVCLUTCH14SP570]
DRIVE TRAIN, REAR DRIVE SHAFT (FROM 8/29/16) - A17SAH50A5 [49ATVSHAFTDRIVERR1332935]
DRIVE TRAIN, REAR DRIVE SHAFT (TO 8/29/16) - A17SAH50A5 [100631]
DRIVE TRAIN, SECONDARY CLUTCH - A17SAH50A5 [49ATVCLUTCHDRIVEN11SP500]
ELECTRICAL, BATTERY - A17SAH50A5 [49ATVBATTERY15570A]
ELECTRICAL, BULBS - A17SAH50A5 [49ATVBULBS08SP500]
ELECTRICAL, GAUGES and INDICATORS - A17SAH50A5 [49ATVGAUGES08SP500]
ELECTRICAL, HEADLIGHTS - A17SAH50A5 [49ATVHEADLIGHT11SP500]
ELECTRICAL, IGNITION COIL, WIRE AND SPARK PLUG - A17SAH50A5 [49ATVIGNITION14SP570]
ELECTRICAL, MAIN WIRE HARNESS - A17SAH50A5 [100876]
ELECTRICAL, SWITCHES, SENSORS and ECM - A17SAH50A5 [49ATVELECT14SP570]
ELECTRICAL, TAILLAMPS - A17SAH50A5 [49ATVTAILLAMPS08SP500]
ENGINE, AIR INTAKE SYSTEM - A17SAH50A5 [101141]
ENGINE, CAM CHAIN and SPROCKET - A17SAH50A5 [100573]
ENGINE, COOLING SYSTEM - A17SAH50A5 (101178)
ENGINE, CRANKCASE - A17SAH50A5 [100566]
ENGINE, CRANKSHAFT, PISTON and BALANCE SHAFT - A17SAH50A5 [100565]
ENGINE, CYLINDER - A17SAH50A5 [100567]
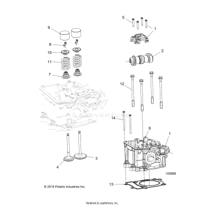
ENGINE, CYLINDER HEAD, CAM and VALVES - A17SAH50A5 [100869]
ENGINE, EXHAUST - A17SAH50A5 [101177)
ENGINE, MOUNTING & LONG BLOCK - A17SAH50A5 [100870]
ENGINE, OIL FILTER and DIPSTICK - A17SAH50A5 [49ATVOILFILTER14SP570]
ENGINE, OIL PUMP - A17SAH50A5 [100572]
ENGINE, STARTER DRIVE - A17SAH50A5 [100574]
ENGINE, STATOR COVER and FLYWHEEL - A17SAH50A5 [100093]
ENGINE, THERMOSTAT and COVER - A17SAH50A5 [100571]
ENGINE, THROTTLE BODY and FUEL RAIL - A17SAH50A5 [100570]
ENGINE, VALVE COVER - A17SAH50A5 [100569]
ENGINE, WATERPUMP IMPELLER and COVER - A17SAH50A5 [49ATVWATERPUMP14SP570]
REFERENCE, OWNERS MANUAL - A17SAH50A5 [49ATVOM07OTLW90]
STEERING, CONTROLS, THROTTLE ASM. and CABLE - A17SAH50A5 [49ATVCONTROLS13850SCRAM]
STEERING, HANDLEBAR and CONTROLS - A17SAH50A5 [100059]
STEERING, STEERING POST - A17SAH50A5 [49ATVSTEERING11SP500]
SUSPENSION, A-ARM and STRUT MOUNTING - A17SAH50A5 (100102)
SUSPENSION, FRONT STRUT - A17SAH50A5 [49ATVSTRUT10SP500I]
SUSPENSION, REAR - A17SAH50A5 [100192]
SUSPENSION, TORSION BAR - A17SAH50A5 [49ATVTORSION14SP570]
TOOLS, TOOL KIT - A17SAH50A5 [100035]
WHEELS, FRONT TIRE and BRAKE DISC - A17SAH50A5 [100317]
WHEELS, REAR TIRE and BRAKE DISC - A17SAH50A5 [49ATVWHEELREAR11SP500]