Навигация
Главная
Основной сайт
Поиск
Ski-Doo
Arctic Cat
Yamaha
Can-Am
Honda
Sea-Doo
Kawasaki
Suzuki
Polaris
BRP Lynx
Harley Davidson
Подобрать запчасти
Главная
Polaris
Side x Side
2019
A19S6E57B1 SPORTSMAN 570 6X6 () (R05) (A19S6E57B1
Запчасти для Polaris A19S6E57B1 SPORTSMAN 570 6X6 () (R05) (A19S6E57B1 2019 г.
BODY, CLUTCH COVER - A19S6E57B1 [49ATVCLUTCHCVR1570TRG]
BODY, DECALS - A19S6E57B1 [101291]
BODY, DUMP BOX - A19S6E57B1 [100466]
BODY, DUMP BOX LEVER and SHOCK MOUNTING - A19S6E57B1 [100467]
BODY, FRONT BUMPER and MOUNTING - A19S6E57B1 [100098]
BODY, FRONT CAB and SIDE PANELS - A19S6E57B1 [100463]
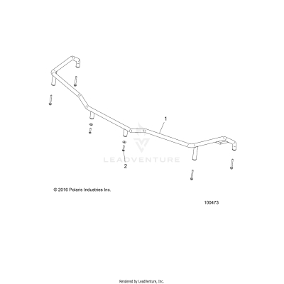
BODY, FRONT RACK EXTENDER - A19S6E57B1 [100473]
BODY, FUEL TANK ASM. - A19S6E57B1 [101444]
BODY, HEADLIGHT POD - A19S6E57B1 (100152)
BODY, PANEL - A19S6E57B1 [C101841]
BODY, REAR CAB and FOOTWELLS - A19S6E57B1 [100464]
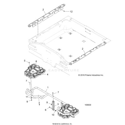
BODY, REAR RACK and BOX SIDE RAILS - A19S6E57B1 [100630]
BODY, RIGHT HAND SIDE PANEL HEAT SHIELD AND HARDWARE 2 UP - A19S6E57B1 (101068)
BODY, SEAT - A19S6E57B1 [100469]
BODY, STORAGE, FRONT - A19S6E57B1 [49ATVSTORAGE15570AA]
BRAKES, BRAKE LINES - A19S6E57B1 [100457]
BRAKES, BRAKE PEDAL and MASTER CYLINDER - A19S6E57B1 [49ATVBRAKEFOOT11SP500]
BRAKES, FRONT BRAKE LEVER and MASTER CYLINDER - A19S6E57B1 (100994)
BRAKES, FRONT CALIPER - A19S6E57B1 (49RGRCALIPER10)
BRAKES, MID CALIPERS - A19S6E57B1 [49ATVBRAKERR09SP500]
BRAKES, REAR CALIPER - A19S6E57B1 (49ATVBRAKERR09SP500)
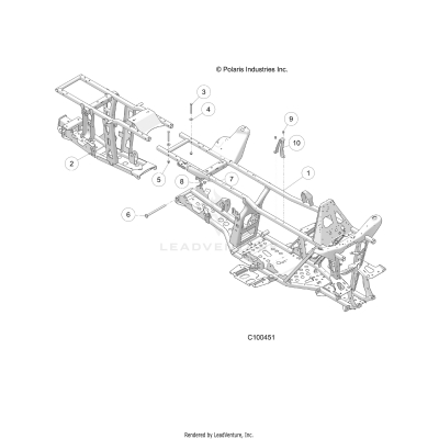
CHASSIS, FRAME - A19S6E57B1 [100451]
DRIVE TRAIN, FRONT DRIVE SHAFT - A19S6E57B1 (101258)
DRIVE TRAIN, FRONT GEARCASE - A19S6E57B1 (49ATVGEARCASE1333239)
DRIVE TRAIN, FRONT GEARCASE MOUNTING - A19S6E57B1 100458]
DRIVE TRAIN, FRONT PROP SHAFT - A19S6E57B1 [49ATVSHAFTPROP08SP500A]
DRIVE TRAIN, GEAR SELECTOR - A19S6E57B1 [49ATVGEARSELECT14SP570HD]
DRIVE TRAIN, MAIN GEARCASE - A19S6E57B1 [101385]
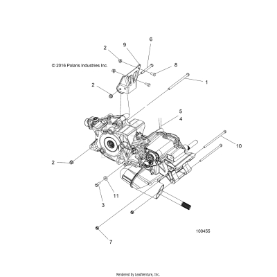
DRIVE TRAIN, MAIN GEARCASE MOUNTING - A19S6E57B1 [100455]
DRIVE TRAIN, PRIMARY CLUTCH - A19S6E57B1 [49ATVCLUTCH14SP570]
DRIVE TRAIN, REAR DRIVE SHAFT - A19S6E57B1 [101289]
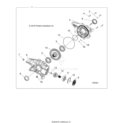
DRIVE TRAIN, REAR GEARCASE INTERNALS - A19S6E57B1 [100453]
DRIVE TRAIN, REAR GEARCASE MOUNTING - A19S6E57B1 [100454]
DRIVE TRAIN, REAR MID DRIVE SHAFT - A19S6E57B1 (100631)
DRIVE TRAIN, REAR PROP SHAFT - A19S6E57B1 [101288]
DRIVE TRAIN, SECONDARY CLUTCH - A19S6E57B1 (49ATVCLUTCHDRIVEN1323248)
ELECTRICAL, BATTERY - A19S6E57B1 [100471]
ELECTRICAL, BULBS - A19S6E57B1 (49ATVBULBS1570SPTR)
ELECTRICAL, GAUGES and INDICATORS - A19S6E57B1 (100895)
ELECTRICAL, HARNESS - A19S6E57B1 [100470]
ELECTRICAL, HEADLIGHTS - A19S6E57B1 (49ATVHEADLTASM10SPXP550)
ELECTRICAL, IGNITION COIL, WIRE AND SPARK PLUG - A19S6E57B1 [49ATVIGNITION14SP570]
ELECTRICAL, SWITCHES, SENSORS and ECM - A19S6E57B1 [101584]
ELECTRICAL, TAILLIGHTS - A19S6E57B1 [49ATVTAILLAMPS086X6]
ELECTRICAL, VOLTAGE REGULATOR AND MOUNTING - A19S6E57B1 [C101893]
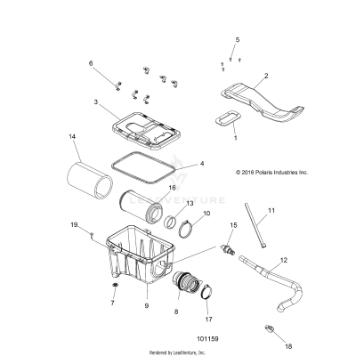
ENGINE, AIR INTAKE SYSTEM - A19S6E57B1 [101159]
ENGINE, AIR INTAKE SYSTEM SUPPORT BRACKET - A19S6E57B1 [101065]
ENGINE, CAM CHAIN and SPROCKET - A19S6E57B1 [49RGRCAM12RZR570]
ENGINE, COOLING SYSTEM - A19S6E57B1 [101153]
ENGINE, CRANKCASE - A19S6E57B1 [100043]
ENGINE, CRANKSHAFT, PISTON and BALANCE SHAFT - A19S6E57B1 [49RGRPISTON12RZR570]
ENGINE, CYLINDER - A19S6E57B1 [49RGRCYLINDER12RZR570]
ENGINE, CYLINDER HEAD, CAMS and VALVES - A19S6E57B1 [100092]
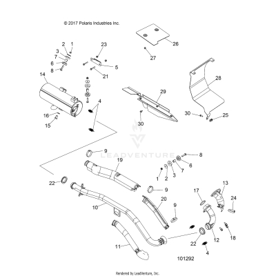
ENGINE, EXHAUST - A19S6E57B1 [101292]
ENGINE, MOUNTING & LONG BLOCK - A19S6E57B1 [49ATVENGINEMTG15TRCTR]
ENGINE, OIL FILTER and DIPSTICK - A19S6E57B1 [49ATVOILFILTER14SP570]
ENGINE, OIL PUMP - A19S6E57B1 [49ATVOILPUMP15570AA]
ENGINE, STARTER DRIVE - A19S6E57B1 [49ATVSTARTER15570AA]
ENGINE, STATOR COVER and FLYWHEEL - A19S6E57B1 [100093]
ENGINE, THERMOSTAT and COVER - A19S6E57B1 [C101422-22]
ENGINE, THROTTLE BODY and FUEL RAIL - A19S6E57B1 [49ATVTHROTTLEBODY15570AA]
ENGINE, VALVE COVER - A19S6E57B1 [49RGRVALVE12RZR570]
ENGINE, WATERPUMP IMPELLER and COVER - A19S6E57B1 [49ATVWATERPUMP14SP570]
REFERENCE TOOL KIT AND OWNERS MANUAL - A19S6E57B1 [C102681]
STEERING, CONTROLS, THROTTLE ASM. and CABLE - A19S6E57B1 (101161)
STEERING, EPS - A19S6E57B1 [49ATVSTEERING14SP570]
STEERING, HANDLEBAR and CONTROLS - A19S6E57B1 [100472]
SUSPENSION, A-ARM and STRUT MOUNTING - A19S6E57B1 (100091]
SUSPENSION, FRONT STRUT - A19S6E57B1 [49ATVSTRUT10SP500I]
SUSPENSION, MID - A19S6E57B1 [100460]
SUSPENSION, REAR - A19S6E57B1 [100461]
SUSPENSION, TORSION BAR - A19S6E57B1 [100459]
WHEELS, FRONT TIRE and BRAKE DISC - A19S6E57B1 [C101290]
WHEELS, REAR TIRE and BRAKE DISC - A19S6E57B1 [49ATVWHEELREAR11SP500]