Навигация
Главная
Основной сайт
Поиск
Ski-Doo
Arctic Cat
Yamaha
Can-Am
Honda
Sea-Doo
Kawasaki
Suzuki
Polaris
BRP Lynx
Harley Davidson
Подобрать запчасти
Главная
Polaris
Side x Side
2019
A19SEA50B1/B7/SEE50B7/B3/SEG50B4 SPORTSMAN 450 HO () (R04) (A19SEA50B1/B7/SEE50B7/B3/SEG50B4
Запчасти для Polaris A19SEA50B1/B7/SEE50B7/B3/SEG50B4 SPORTSMAN 450 HO () (R04) (A19SEA50B1/B7/SEE50B7/B3/SEG50B4 2019 г.
BODY, CLUTCH COVER - A19SEA50B1/B7/SEE50B7/B3/SEG50B4 [49ATVCLUTCHCVR15570AA]
BODY, DECALS - A19SEA50B1/B7/SEE50B7/B3/SEG50B4 [101328]
BODY, FRONT BUMPER and MOUNTING - A19SEA50B1/B7/SEE50B7/B3 [100098]
BODY, FRONT BUMPER and MOUNTING - A19SEG50B4 [C100517]
BODY, FRONT CAB and SIDE PANELS - A19SEA50B1/B7/SEE50B7/B3/SEG50B4 [101094]
BODY, FUEL TANK ASM. - A19SEA50B1/B7/SEE50B7/B3/SEG50B4 [101439]
BODY, HEADLIGHT POD - A19SEA50B1/B7/SEE50B7/B3/SEG50B4 (100152)
BODY, PANEL - A19SEA50B1/B7/SEE50B7/B3/SEG50B4 [C101372]
BODY, REAR CAB, SEAT and FOOTWELLS - A19SEA50B1/B7/SEE50B7/B3/SEG50B4 [100096]
BODY, REAR RACK - A19SEA50B1/B7/SEE50B7/B3 [49ATVRACKMTGRR14570]
BODY, REAR RACK - A19SEG50B4 [100518]
BODY, REAR RACK ADDITIOINAL RED REFLECTOR (FROM 9/3/2018) - A19SDA57B7/L7/SDD57LU/SDE57B5 (101600)
BODY, RIGHT HAND SIDE PANEL HEAT SHIELD AND HARDWARE 1 UP - A19SEA50B1/B7/SEE50B7/B3/SEG50B4 (101329
BODY, STORAGE BOX, REAR - A19SEA50B1/B7/SEE50B7/B3/SEG50B4 [49ATVSTORAGERR14SP570]
BODY, STORAGE, FRONT - A19SEA50B1/B7/SEE50B7/B3 [49ATVSTORAGE15570AA]
BODY, STORAGE, FRONT - A19SEG50B4 [100519]
BRAKES, BRAKE LINES - A19SEA50B1/B7/SEE50B7/B3/SEG50B4 [100579]
BRAKES, BRAKE PEDAL and MASTER CYLINDER - A19SEA50B1/B7/SEE50B7/B3/SEG50B4 [49ATVBRAKEFOOT11SP500]
BRAKES, FRONT BRAKE LEVER and MASTER CYLINDER - A19SEA50B1/B7/SEE50B7/B3/SEG50B4 [100868]
BRAKES, FRONT CALIPER - A19SEA50B1/B7/SEE50B7/B3/SEG50B4 [49ATVBRAKEFRT08SP500]
BRAKES, FRONT CALIPER MOUNTING - A19SEA50B1/B7/SEE50B7/B3/SEG50B4 (100266)
BRAKES, REAR CALIPER - A19SEA50B1/B7/SEE50B7/B3/SEG50B4 [49ATVBRAKERR09SP500]
CHASSIS, FRAME - A19SEA50B1/B7/SEE50B7/B3/SEG50B4 [49ATVFRAME15570AA]
DRIVE TRAIN, FRONT DRIVE SHAFT - A19SEA50B1/B7/SEE50B7/B3/SEG50B4 [101258]
DRIVE TRAIN, FRONT GEARCASE - A19SEA50B1/B7/SEE50B7/B3/SEG50B4 [49ATVTRANSINTL1333393]
DRIVE TRAIN, FRONT GEARCASE MOUNTING - A19SEA50B1/B7/SEE50B7/B3/SEG50B4 [49ATVGEARCASEMTG13SP500F]
DRIVE TRAIN, FRONT PROP SHAFT - A19SEA50B1/B7/SEE50B7/B3/SEG50B4 [49ATVSHAFTPROP08SP500A]
DRIVE TRAIN, GEAR SELECTOR - A19SEA50B1/B7/SEE50B7/B3/SEG50B4 [100274]
DRIVE TRAIN, MAIN GEARCASE - A19SEA50B1/B7/SEE50B7/B3/SEG50B4 [ATVGEARCASE1333302]
DRIVE TRAIN, MAIN GEARCASE MOUNTING - A19SEA50B1/B7/SEE50B7/B3/SEG50B4 [49ATVGEARCASEMTGN14SP500]
DRIVE TRAIN, PRIMARY CLUTCH - A19SEA50B1/B7/SEE50B7/B3/SEG50B4 (C101543)
DRIVE TRAIN, REAR DRIVE SHAFT - A19SEA50B1/B7/SEE50B7/B3/SEG50B4 (100631)
DRIVE TRAIN, SECONDARY CLUTCH - A19SEA50B1/B7/SEE50B7/B3/SEG50B4 (C101545)
ELECTRICAL, BATTERY - A19SEA50B1/B7/SEE50B7/B3/SEG50B4 [49ATVBATTERY15570A]
ELECTRICAL, BULBS - A19SEA50B1/B7/SEE50B7/B3/SEG50B4 (49ATVBULBS1570SPTR)
ELECTRICAL, GAUGES and INDICATORS - A19SEA50B1/B7/SEE50B7/B3/SEG50B4 (100895)
ELECTRICAL, HEADLIGHTS - A19SEA50B1/B7/SEE50B7/B3/SEG50B4 (49ATVHEADLTASM10SPXP550)
ELECTRICAL, IGNITION COIL, WIRE AND SPARK PLUG - A19SEA50B1/B7/SEE50B7/B3/SEG50B4 [49ATVIGNITION14SP
ELECTRICAL, MAIN WIRE HARNESS - A19SEA50B1/B7/SEE50B7/B3/SEG50B4 [100578]
ELECTRICAL, SWITCHES, SENSORS and ECM - A19SEA50B1/B7/SEE50B7/B3/SEG50B4 [101584]
ELECTRICAL, TAILLAMPS - A19SEA50B1/B7/SEE50B7/B3/SEG50B4 [49ATVTAILLAMPS08SP500]
ELECTRICAL, VOLTAGE REGULATOR AND MOUNTING - A19SEA50B1/B7/SEE50B7/B3/SEG50B4 (C101842)
ENGINE, AIR INTAKE SYSTEM - A19SEA50B1/B7/SEE50B7/B3/SEG50B4 [101096]
ENGINE, CAM CHAIN and SPROCKET - A19SEA50B1/B7/SEE50B7/B3/SEG50B4 [100573]
ENGINE, COOLING SYSTEM - A19SEA50B1/B7/SEE50B7/B3/SEG50B4 [101195]
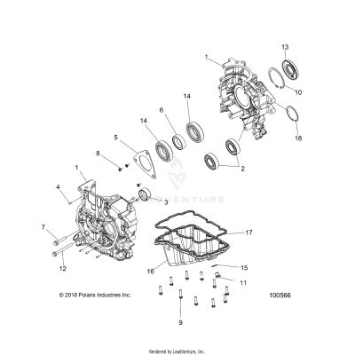
ENGINE, CRANKCASE - A19SEA50B1/B7/SEE50B7/B3/SEG50B4 [100566]
ENGINE, CYLINDER - A19SEA50B1/B7/SEE50B7/B3/SEG50B4 [100567]
ENGINE, CYLINDER HEAD, CAM and VALVES - A19SEA50B1/B7/SEE50B7/B3/SEG50B4 [100997]
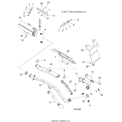
ENGINE, EXHAUST - A19SEA50B1/B7/SEE50B7/B3/SEG50B4 [101438]
ENGINE, MOUNTING & LONG BLOCK - A19SEA50B1/B7/SEE50B7/B3/SEG50B4 [100870]
ENGINE, OIL FILTER and DIPSTICK - A19SEA50B1/B7/SEE50B7/B3/SEG50B4 [49ATVOILFILTER14SP570]
ENGINE, OIL PUMP - A19SEA50B1/B7/SEE50B7/B3/SEG50B4 [100572]
ENGINE, STARTER DRIVE - A19SEA50B1/B7/SEE50B7/B3/SEG50B4 [100574]
ENGINE, STATOR COVER and FLYWHEEL - A19SEA50B1/B7/SEE50B7/B3/SEG50B4 [100093]
ENGINE, THROTTLE BODY and FUEL RAIL - A19SEA50B1/B7/SEE50B7/B3/SEG50B4 [100570]
ENGINE, VALVE COVER - A19SEA50B1/B7/SEE50B7/B3/SEG50B4 [100569]
ENGINE, WATERPUMP IMPELLER and COVER - A19SEA50B1/B7/SEE50B7/B3/SEG50B4 [49ATVWATERPUMP14SP570]
REFERENCE TOOL KIT AND OWNERS MANUAL - A19SEA50B1/B7/SEE50B7/B3/SEG50B4 [C102681]
STEERING, CONTROLS, THROTTLE ASM. and CABLE - A19SEA50B1/B7/SEE50B7/B3/SEG50B4 [49ATVCONTROLS13850SC
STEERING, EPS - A19SEE50B3/7 [49ATVSTEERING14SP570]
STEERING, HANDLEBAR and CONTROLS - A19SEA50B1/B7/SEE50B7/B3/SEG50B4 (100472)
STEERING, STEERING POST - A19SEA50B1/B7/SEG50B4 [49ATVSTEERING11SP500]
SUSPENSION, A-ARM and STRUT MOUNTING - A19SEA50B1/B7/SEE50B7/B3/SEG50B4 (100091]
SUSPENSION, FRONT STRUT - A19SEA50B1/B7/SEE50B7/B3/SEG50B4 [49ATVSTRUT10SP500I]
SUSPENSION, REAR - A19SEA50B1/B7/SEE50B7/B3/SEG50B4 [100090]
SUSPENSION, TORSION BAR - A19SEA50B1/B7/SEE50B7/B3/SEG50B4 [49ATVTORSION14SP570]
WHEELS, FRONT TIRE and BRAKE DISC - A19SEA50B1/B7/SEE50B7/B3/SEG50B4 [C101290]
WHEELS, REAR TIRE and BRAKE DISC - A19SEA50B1/B7/SEE50B7/B3/SEG50B4 [49ATVWHEELREAR11SP500]