Навигация
Главная
Основной сайт
Поиск
Ski-Doo
Arctic Cat
Yamaha
Can-Am
Honda
Sea-Doo
Kawasaki
Suzuki
Polaris
BRP Lynx
Harley Davidson
Подобрать запчасти
Главная
Polaris
Side x Side
2019
A19SXN85A8 SPORTSMAN 850 HIGH LIFTER () (R04) (A19SXN85A8
Запчасти для Polaris A19SXN85A8 SPORTSMAN 850 HIGH LIFTER () (R04) (A19SXN85A8 2019 г.
BODY, CLUTCH COVER AND BOOTS - A19SXN85A8 [100923]
BODY, CLUTCH DUCTS - A19SXN85A8 [100924]
BODY, DECALS - A19SXN85A8 [101317]
BODY, FOOTWELLS - A19SXN85A8 [100125]
BODY, FRONT BUMPER and MOUNTING - A19SXN85A8 [101498]
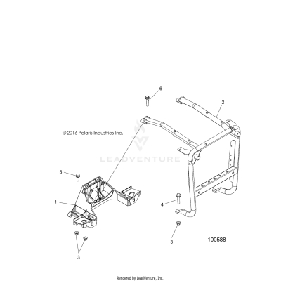
BODY, FRONT BUMPER SUPPORT - A19SXN85A8 [100588]
BODY, FRONT CAB - A19SXN85A8 [100593]
BODY, FUEL TANK - A19SXN85A8 [101517]
BODY, GAUGE POD - A19SXN85A8 [100123]
BODY, HEAT SHIELDS - A19SXN85A8 [101310]
BODY, REAR BUMPER - A19SXN85A8 [49ATVBUMPERRR09SPXP550]
BODY, REAR CAB and REAR RACK - A19SXN85A8 [100592]
BODY, SEAT - A19SXN85A8 [49ATVSEAT11SPXP850]
BODY, SHIELD, FRONT CAB - A19SXN85A8 [101242]
BODY, SKID PLATES - A19SXN85A8 [49ATVSKIDPLATE14SP550]
BODY, STORAGE, REAR - A19SXN85A8 [100925]
BRAKES, BRAKE LINES - A19SXN85A8 [101518]
BRAKES, BRAKE PEDAL and MASTER CYLINDER - A19SXN85A8 [101519]
BRAKES, FRONT BRAKE LEVER and MASTER CYLINDER - A19SXN85A8 [100921]
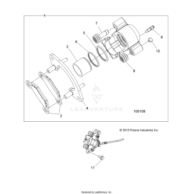
BRAKES, FRONT CALIPER - A19SXN85A8 [100108]
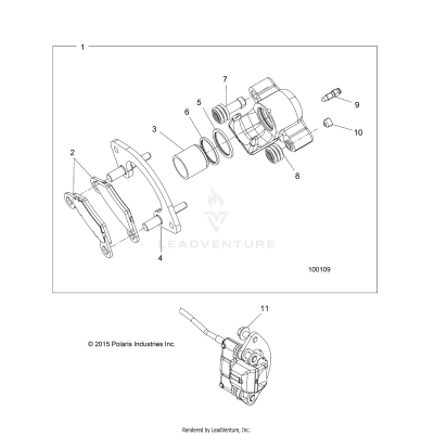
BRAKES, REAR CALIPER - A19SXN85A8 [100109]
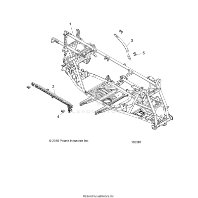
CHASSIS, MAIN FRAME - A19SXN85A8 [100587]
DRIVE TRAIN, DRIVE COUPLER - A19SXN85A8 [100077]
DRIVE TRAIN, DRIVE SHAFT, FRONT - A19SXN85A8 [101307]
DRIVE TRAIN, DRIVE SHAFT, REAR - A19SXN85A8 [49ATVSHAFTDRIVERR1332642]
DRIVE TRAIN, FRONT GEARCASE INTERNALS - A19SXN85A8 (1333391)
DRIVE TRAIN, GEAR SELECTOR - A19SXN85A8 [49ATVGEARSELECT15850SP]
DRIVE TRAIN, GEARCASE MOUNTING, FRONT - A19SXN85A8 [49ATVGEARCASEMTG15850SP]
DRIVE TRAIN, GEARCASE MOUNTING, REAR - A19SXN85A8 [49ATVGEARCASEMTGRR09SPXP550]
DRIVE TRAIN, MAIN GEARCASE - A19SXN85A8 [101567]
DRIVE TRAIN, PRIMARY CLUTCH - A19SXN85A8 (100591)
DRIVE TRAIN, PROP SHAFT, FRONT - A19SXN85A8 [101306]
DRIVE TRAIN, PROP SHAFT, REAR - A19SXN85A8 [101304]
DRIVE TRAIN, REAR GEARCASE INTERNALS - A19SXN85A8 [101512]
DRIVE TRAIN, SECONDARY CLUTCH - A19SXN85A8 (101520)
ELECTRICAL, BATTERY - A19SXN85A8 [100130]
ELECTRICAL, BULBS - A19SXN85A8 [100127]
ELECTRICAL, GAUGES and INDICATORS - A19SXN85A8 [100128]
ELECTRICAL, HARNESS - A19SXN85A8 [100308]
ELECTRICAL, HEADLIGHTS - A19SXN85A8 [100596]
ELECTRICAL, IGNITION SYSTEM - A19SXN85A8 [100348]
ELECTRICAL, TAILLIGHTS - A19SXN85A8 [49ATVTAILLAMPS09SPTRG800]
ENGINE, AIR INTAKE - A19SXN85A8 [100304]
ENGINE, BALANCE SHAFT - A19SXN85A8 [49ATVBALANCESHAFT10SPXP850]
ENGINE, CAM CHAIN AND TENSIONER - A19SXN85A8 [49ATVCAMCHAIN15850SP]
ENGINE, COOLING BYPASS - A19SXN85A8 [100350]
ENGINE, COOLING SYSTEM and WATER PUMP - A19SXN85A8 [100598]
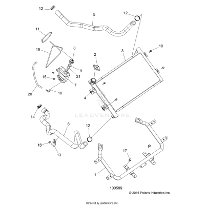
ENGINE, COOLING SYSTEM, RADIATOR - A19SXN85A8 [100589]
ENGINE, CRANKCASE - A19SXN85A8 [49ATVCRANKCASE14SPXP850]
ENGINE, CRANKSHAFT and PISTON - A19SXN85A8 [49ATVCRANKSHAFT12SPTRGEPS850]
ENGINE, CYLINDER HEAD, CAM and VALVES - A19SXN85A8 [100601]
ENGINE, EXHAUST - A19SXN85A8 [100600]
ENGINE, OIL SYSTEM - A19SXN85A8 [49ATVOIL09SPXP850]
ENGINE, STARTING SYSTEM - A19SXN85A8 [C101431-29]
ENGINE, THROTTLE BODY - A19SXN85A8 (C102214)
ENGINE, TRANSMISSION MOUNTING & LONG BLOCK - A19SXN85A8 (100742)
ENGINE, VALVE COVER - A19SXN85A8 [49ATVVALVE12SPTRGEPS850]
REFERENCE TOOL KIT AND OWNERS MANUAL - A19SXN85A8 [C102681]
STEERING, CONTROLS, THROTTLE ASM. and CABLE - A19SXN85A8 [49ATVCONTROLS15850SP]
STEERING, HANDLEBAR and CONTROLS - A19SXN85A8 [100131]
STEERING, STEERING POST ASM. - A19SXN85A8 [100113]
SUSPENSION, FRONT A-ARMS - A19SXN85A8 [100114]
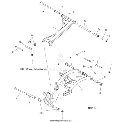
SUSPENSION, REAR - A19SXN85A8 [100110]
SUSPENSION, SHOCK, FRONT - A19SXN85A8 [49ATVSHOCKFRT7043168]
SUSPENSION, SHOCK, REAR - A19SXN85A8 [49ATVSHOCKRR7043169]
WHEELS, FRONT and HUB - A19SXN85A8 [100111]
WHEELS, REAR and HUB - A19SXN85A8 [100112]