Навигация
Главная
Основной сайт
Поиск
Ski-Doo
Arctic Cat
Yamaha
Can-Am
Honda
Sea-Doo
Kawasaki
Suzuki
Polaris
BRP Lynx
Harley Davidson
Подобрать запчасти
Главная
Polaris
Side x Side
2020
A20SEE50A1/A5/CA1/CA5 SPORTSMAN 450 HO EPS () (R04) (A20SEE50A1/A5/CA1/CA5
Запчасти для Polaris A20SEE50A1/A5/CA1/CA5 SPORTSMAN 450 HO EPS () (R04) (A20SEE50A1/A5/CA1/CA5 2020 г.
BODY, CLUTCH COVER - A20SEE50A1/A5/CA1/CA5 (49ATVCLUTCHCVR15570AA)
BODY, DECALS - A20SEE50A1/A5/CA1/CA5 (900121-01)
BODY, FRONT BUMPER and MOUNTING - A20SEE50A1/A5/CA1/CA5 (C101867)
BODY, FRONT CAB and SIDE PANELS - A20SEE50A1/A5/CA1/CA5 (101094)
BODY, FUEL TANK ASM. - A20SEE50A1/A5/CA1/CA5 (101439)
BODY, HEADLIGHT POD - A20SEE50A1/A5/CA1/CA5 (C0210745)
BODY, PANEL - A20SEE50A1/A5/CA1/CA5 (C101372)
BODY, REAR CAB, SEAT and FOOTWELLS - A20SEE50A1/A5/CA1/CA5 (100096)
BODY, REAR RACK - A20SEE50A1/A5/CA1/CA5 (49ATVRACKMTGRR14570)
BODY, RIGHT HAND SIDE PANEL HEAT SHIELD AND HARDWARE 1 UP - A20SEE50A1/A5/CA1/CA5 (101329)
BODY, STORAGE BOX, REAR - A20SEE50A1/A5/CA1/CA5 (C0210232-1)
BODY, STORAGE, FRONT - BODY, STORAGE, FRONT - A20SEE50A1/A5/CA1/CA5 (C101878)
BRAKES, BRAKE LINES - A20SEE50A1/A5/CA1/CA5 (100579)
BRAKES, BRAKE PEDAL and MASTER CYLINDER - A20SEE50A1/A5/CA1/CA5 (49ATVBRAKEFOOT11SP500)
BRAKES, FRONT BRAKE LEVER and MASTER CYLINDER - A20SEE50A1/A5/CA1/CA5 (100868)
BRAKES, FRONT CALIPER - A20SEE50A1/A5/CA1/CA5 (49ATVBRAKEFRT08SP500)
BRAKES, FRONT CALIPER MOUNTING - A20SEE50A1/A5/CA1/CA5 (100266)
BRAKES, REAR CALIPER - A20SEE50A1/A5/CA1/CA5 (49ATVBRAKERR09SP500)
CHASSIS, FRAME - A20SEE50A1/A5/CA1/CA5 (C102135)
DRIVE TRAIN, FRONT DRIVE SHAFT - A20SEE50A1/A5/CA1/CA5 (C101536)
DRIVE TRAIN, FRONT GEARCASE - A20SEE50A1/A5/CA1/CA5 (49ATVTRANSINTL1333393)
DRIVE TRAIN, FRONT GEARCASE MOUNTING - A20SEE50A1/A5/CA1/CA5 (49ATVGEARCASEMTG13SP500F)
DRIVE TRAIN, FRONT PROP SHAFT - A20SEE50A1/A5/CA1/CA5 (C101539)
DRIVE TRAIN, GEAR SELECTOR - A20SEE50A1/A5/CA1/CA5 (C101699-1)
DRIVE TRAIN, MAIN GEARCASE - A20SEE50A1/A5/CA1/CA5 (ATVGEARCASE1333302)
DRIVE TRAIN, MAIN GEARCASE MOUNTING - A20SEE50A1/A5/CA1/CA5 (C101958)
DRIVE TRAIN, PRIMARY CLUTCH - A20SEE50A1/A5/CA1/CA5 (101543)
DRIVE TRAIN, REAR DRIVE SHAFT - A20SEE50A1/A5/CA1/CA5 (C101544)
DRIVE TRAIN, SECONDARY CLUTCH - A20SEE50A1/A5/CA1/CA5 (C101545)
ELECTRICAL, BATTERY - A20SEE50A1/A5/CA1/CA5 (C0211282-1)
ELECTRICAL, BULBS - A20SEE50A1/A5/CA1/CA5 (49ATVBULBS1570SPTR)
ELECTRICAL, GAUGES and INDICATORS - A20SEE50A1/A5/CA1/CA5 (100895)
ELECTRICAL, HEADLIGHTS - A20SEE50A1/A5/CA1/CA5 (49ATVHEADLTASM10SPXP550)
ELECTRICAL, IGNITION COIL, WIRE AND SPARK PLUG - A20SEE50A1/A5/CA1/CA5 (C101422-16)
ELECTRICAL, MAIN WIRE HARNESS - A20SEE50A1/A5/CA1/CA5 (C0211276)
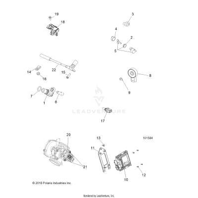
ELECTRICAL, SWITCHES, SENSORS and ECM - A20SEE50A1/A5/CA1/CA5 (101584)
ELECTRICAL, TAILLAMPS - A20SEE50A1/A5/CA1/CA5 (C102212-5)
ELECTRICAL, VOLTAGE REGULATOR AND MOUNTING - A20SEE50A1/A5/CA1/CA5 (C102170)
ENGINE, AIR INTAKE SYSTEM - A20SEE50A1/A5/CA1/CA5 (101096)
ENGINE, CAM CHAIN and SPROCKET - A20SEE50A1/A5/CA1/CA5 (100573)
ENGINE, COOLING SYSTEM - A20SEE50A1/A5/CA1/CA5 (101195)
ENGINE, CRANKCASE - A20SEE50A1/A5/CA1/CA5 (C101422-3)
ENGINE, CRANKSHAFT, PISTON and BALANCE SHAFT - A20SEE50A1/A5/CA1/CA5 (100565)
ENGINE, CYLINDER - A20SEE50A1/A5/CA1/CA5 (C101422-19)
ENGINE, EXHAUST - A20SEE50A1/A5/CA1/CA5 (C0211352-1)
ENGINE, MOUNTING & LONG BLOCK - A20SEE50A1/A5/CA1/CA5 (C101429)
ENGINE, OIL FILTER and DIPSTICK - A20SEE50A1/A5/CA1/CA5 (C101422-8)
ENGINE, OIL PUMP - A20SEE50A1/A5/CA1/CA5 (C101422-9)
ENGINE, STARTER DRIVE - A20SEE50A1/A5/CA1/CA5 (C101422-10)
ENGINE, STATOR COVER and FLYWHEEL - A20SEE50A1/A5/CA1/CA5 (100093)
ENGINE, THERMOSTAT and COVER - A20SEE50A1/A5/CA1/CA5 (C101422-12)
ENGINE, THROTTLE BODY and FUEL RAIL - A20SEE50A1/A5/CA1/CA5 (100570)
ENGINE, VALVE COVER - A20SEE50A1/A5/CA1/CA5 (100569)
ENGINE, WATERPUMP IMPELLER and COVER - A20SEE50A1/A5/CA1/CA5 (C101422-15)
REFERENCE TOOL KIT AND OWNERS MANUAL - A20SEE50A1/A5/CA1/CA5 (C102681)
STEERING, CONTROLS, THROTTLE ASM. and CABLE - A20SEE50A1/A5/CA1/CA5 (C102194)
STEERING, EPS - A20SEE50A1/A5/CA1/CA5 (49ATVSTEERING14SP570)
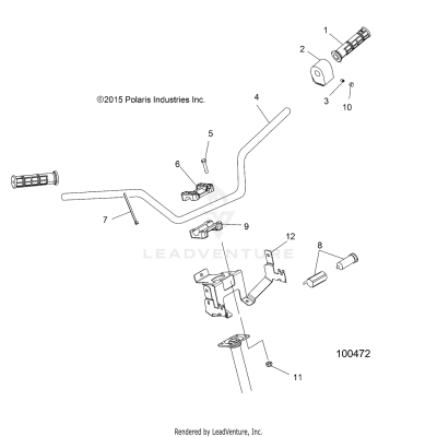
STEERING, HANDLEBAR and CONTROLS - A20SEE50A1/A5/CA1/CA5 (100472)
SUSPENSION, A-ARM and STRUT MOUNTING - A20SEE50A1/A5/CA1/CA5 (100091)
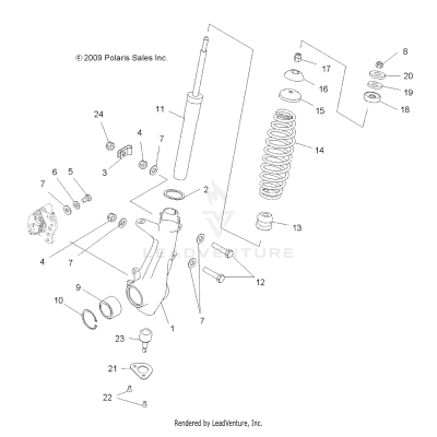
SUSPENSION, FRONT STRUT - A20SEE50A1/A5/CA1/CA5 (49ATVSTRUT10SP500I)
SUSPENSION, REAR - A20SEE50A1/A5/CA1/CA5 (100090)
SUSPENSION, TORSION BAR - A20SEE50A1/A5/CA1/CA5 (C101563)
WHEELS, FRONT TIRE and BRAKE DISC - A20SEE50A1/A5/CA1/CA5 (C101290)
WHEELS, REAR TIRE and BRAKE DISC - A20SEE50A1/A5/CA1/CA5 (49ATVWHEELREAR11SP500)