Навигация
Главная
Основной сайт
Поиск
Ski-Doo
Arctic Cat
Yamaha
Can-Am
Honda
Sea-Doo
Kawasaki
Suzuki
Polaris
BRP Lynx
Harley Davidson
Подобрать запчасти
Главная
Polaris
Side x Side
2025
INTL SPORTSMAN 570 EPS SE PREM LE T3B () (R01) (A25SEE57CY/EY
Запчасти для Polaris INTL SPORTSMAN 570 EPS SE PREM LE T3B () (R01) (A25SEE57CY/EY 2025 г.
BODY, CLOSE OFF PANEL and ACCESS PANEL - A25SEE57CY/EY (C0211236-7)
BODY, CLUTCH COVER - A25SEE57CY/EY (C102688)
BODY, DECALS, GRAPHIC - A25SEE57CY/EY (901080)
BODY, DECALS, STANDARD - A25SEE57CY/EY (901081)
BODY, FOOTWELLS - A25SEE57CY/EY (C102677)
BODY, FRONT BUMPER - A25SEE57CY/EY (C0211236-12)
BODY, FRONT CAB - A25SEE57CY/EY (C102574)
BODY, FRONT COVER - A25SEE57CY/EY (C102608)
BODY, FRONT RACK - A25SEE57CY/EY (C102570)
BODY, FRONT RACK EXTENDERS - A25SEE57CY/EY (C0211524-1)
BODY, HEADLIGHT POD - A25SEE57CY/EY (C0211236-5)
BODY, HEADLIGHT POD, PLUGS - A25SEE57CY/EY (C102224-2)
BODY, MIRRORS - A25SEE57CY/EY (C102187)
BODY, REAR BUMPER - A25SEE57CY/EY (C0211528)
BODY, REAR CAB - A25SEE57CY/EY (C102310-2)
BODY, REAR RACK - A25SEE57CY/EY (C102680)
BODY, REAR RACK, HANDGRIPS - A25SEE57CY/EY (C102309)
BODY, SEAT - A25SEE57CY/EY (C0211420)
BODY, SIDE PANELS - A25SEE57CY/EY (C102597)
BRAKES, BRAKE LINES - A25SEE57CY/EY (C102576)
BRAKES, BRAKE PEDAL and MASTER CYLINDER - A25SEE57CY/EY (C102577)
BRAKES, FRONT BRAKE LEVER and MASTER CYLINDER - A25SEE57CY/EY (102298)
BRAKES, FRONT CALIPER - A25SEE57CY/EY (1913813)
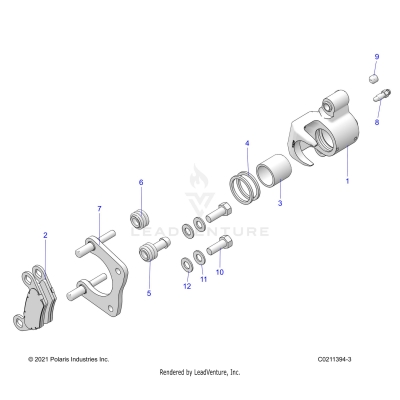
BRAKES, REAR CALIPER - A25SEE57CY/EY (C0211394-3)
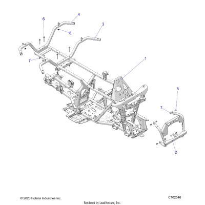
CHASSIS, FRAME - A25SEE57CY/EY (C102546)
CHASSIS, HITCH - A25SEE57CY/EY (102304)
CHASSIS, WINCH - A25SEE57CY/EY (C102294-3)
DRIVE TRAIN, FRONT DRIVE SHAFT - A25SEE57CY/EY (C102615)
DRIVE TRAIN, FRONT GEARCASE - A25SEE57CY/EY (102295)
DRIVE TRAIN, FRONT GEARCASE MOUNTING - A25SEE57CY/EY (C0211414-2)
DRIVE TRAIN, FRONT PROP SHAFT - A25SEE57CY/EY (1334441) [TO 1/15/2025]
DRIVE TRAIN, FRONT PROP SHAFT - A25SEE57CY/EY (C0211414-3) [FRM 1/15/2025]
DRIVE TRAIN, GEAR SELECTOR - A25SEE57CY/EY (C0211157-1)
DRIVE TRAIN, MAIN GEARCASE - A25SEE57CY/EY (1334635)
DRIVE TRAIN, MAIN GEARCASE MOUNTING - A25SEE57CY/EY (C102678)
DRIVE TRAIN, PRIMARY CLUTCH - A25SEE57CY/EY (C0211241-2)
DRIVE TRAIN, REAR DRIVE SHAFT - A25SEE57CY/EY (C102616)
DRIVE TRAIN, SECONDARY CLUTCH - A25SEE57CY/EY (C700594)
ELECTRICAL, BATTERY - A25SEE57CY/EY (C102436)
ELECTRICAL, GAUGES and INDICATORS - A25SEE57CY/EY (C102227)
ELECTRICAL, HEADLIGHTS - A25SEE57CY/EY (C102564)
ELECTRICAL, HORN, FOG LIGHT,and LICENSE PLATE LIGHT - A25SEE57CY/EY (C102703)
ELECTRICAL, IGNITION COIL, WIRE AND SPARK PLUG - A25SEE57CY/EY (C101422-28)
ELECTRICAL, MAIN WIRE HARNESS - A25SEE57CY/EY (C102708)
ELECTRICAL, SWITCHES, SENSORS and ECM - A25SEE57CY/EY (C102452)
ELECTRICAL, TAILLAMPS - A25SEE57CY/EY (C0211245-5)
ELECTRICAL, VOLTAGE REGULATOR AND MOUNTING - A25SEE57CY/EY (C102170)
ENGINE, AIR INTAKE SYSTEM - A25SEE57CY/EY (C102687)
ENGINE, CAM CHAIN and SPROCKET - A25SEE57CY/EY (C101422-17)
ENGINE, COOLING SYSTEM, HOSES - A25SEE57CY/EY (C0211235-3)
ENGINE, COOLING SYSTEM, RADIATOR, FAN & OVERFLOW BOTTLE - A25SEE57CY/EY (C0211235-1)
ENGINE, CRANKCASE - A25SEE57CY/EY (C101422-26)
ENGINE, CRANKSHAFT, PISTON and BALANCE SHAFT - A25SEE57CY/EY (C101422-4)
ENGINE, CYLINDER - A25SEE57CY/EY (C101422-19)
ENGINE, CYLINDER HEAD, CAMS and VALVES - A25SEE57CY/EY (C101422-20)
ENGINE, EXHAUST - A25SEE57CY/EY (C102556)
ENGINE, MOUNTING & LONG BLOCK - A25SEE57CY/EY (C102397)
ENGINE, OIL FILTER and DIPSTICK - A25SEE57CY/EY (C101422-8)
ENGINE, OIL PUMP - A25SEE57CY/EY (C101422-9)
ENGINE, STARTER DRIVE - A25SEE57CY/EY (C102548)
ENGINE, STATOR COVER and FLYWHEEL - A25SEE57CY/EY (C0211232-1)
ENGINE, THERMOSTAT and COVER - A25SEE57CY/EY (C101422-22)
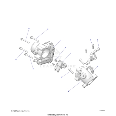
ENGINE, THROTTLE BODY and FUEL RAIL - A25SEE57CY/EY (C102554)
ENGINE, VALVE COVER - A25SEE57CY/EY (C0211232-4)
ENGINE, WATERPUMP IMPELLER and COVER - A25SEE57CY/EY (C101422-15)
FUEL SYSTEM, FUEL TANK ASM. - A25SEE57CY/EY (C0211402-1)
REFERENCE, TOOL KIT AND OWNERS MANUAL - A25SEE57CY/EY (C102704)
STEERING HANDLEBAR - A25SEE57CY/EY (C0211445-1)
STEERING POSTand EPS - A25SEE57CY/EY (C0211445-2)
STEERING, CONTROLS, LEFT HAND CONTROLS - A25SEE57CY/EY (C102133-3)
STEERING, CONTROLS, THROTTLE ASM. - A25SEE57CY/EY (C101441-2)
STEERING, TIE RODS - A25SEE57CY/EY (C0211267-4)
SUSPENSION, A-ARM and STRUT MOUNTING - A25SEE57CY/EY (C102414)
SUSPENSION, FRONT HUB and BRAKE DISC - A25SEE57CY/EY (C0211267-2)
SUSPENSION, FRONT STRUT - A25SEE57CY/EY (C102412)
SUSPENSION, REAR CONTROL ARM, MOUNTING - A25SEE57CY/EY (C0211229-2)
SUSPENSION, REAR CONTROL ARMS - A25SEE57CY/EY (C0211229-3)
SUSPENSION, REAR HUBS, CARRIER and BRAKE DISC - A25SEE57CY/EY (C102247-8)
SUSPENSION, REAR SHOCK and MOUNTING - A25SEE57CY/EY (C0211229-1)
SUSPENSION, TORSION BAR - A25SEE57CY/EY (C102603)
WHEELS, REAR TIRE - A25SEE57CY/EY (C102260-2)