Картер для Polaris 700 XC (099SB7AS) 1999 г.

(Crankcase)
Доставка из США до Москвы 90 руб. за 100 грамм
Доставка
  • Доставка из США, ОАЭ или из Германии в Москву
  • Доставка со складов в Москве
Скидка 5% от суммы заказа более 30 000 руб.
Оплата
  • Наличный способ оплаты
  • Банковской картой Visa, Mastercard
Номер запчасти,
наличие, срок поставки
Наименование Кол-во Цена
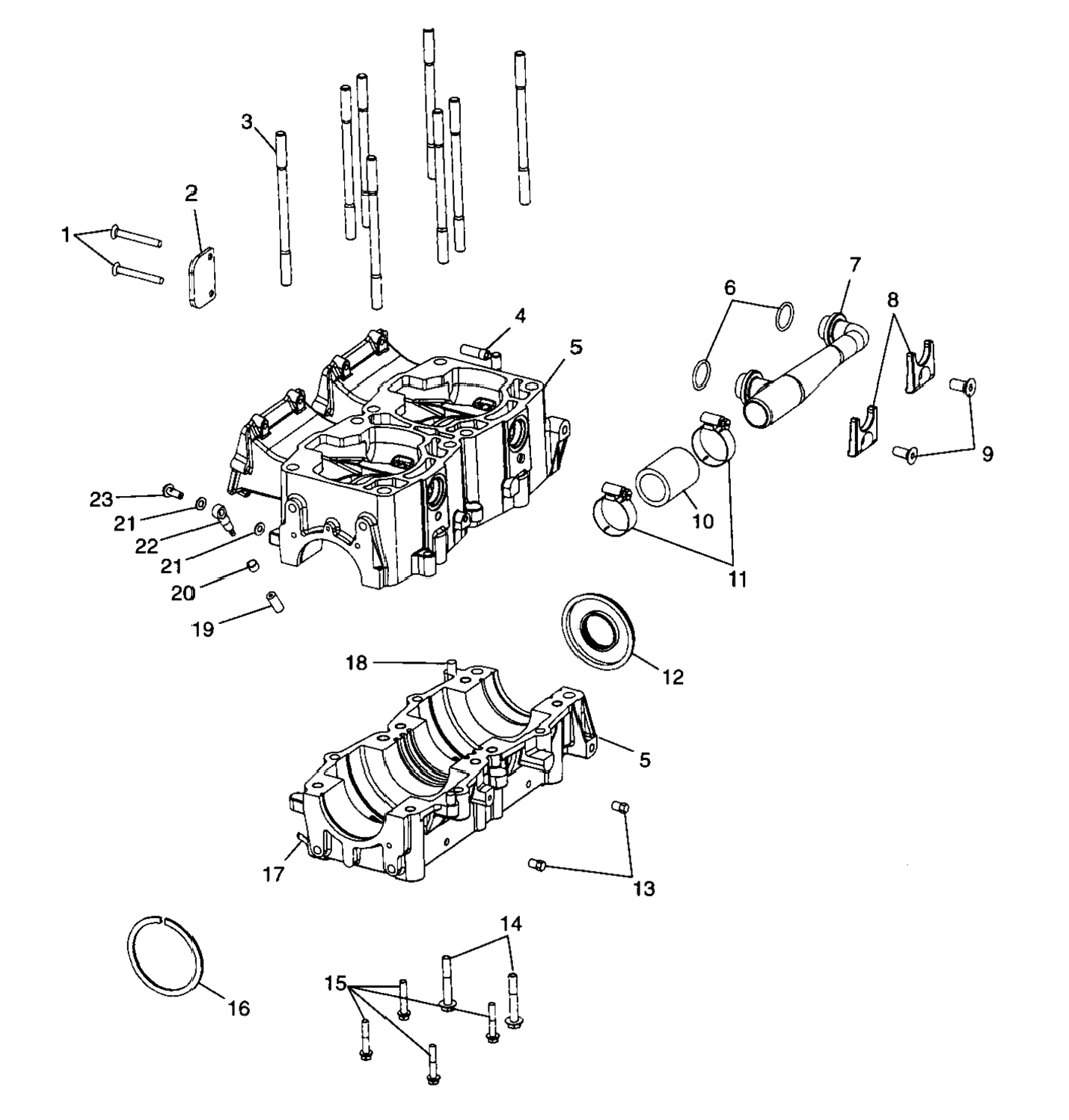
1 7516821 Screw,(10) 2 Узнать цены
1 9999999 Screw,(10) 1 Узнать цены
2 5131319 Plate,stop,torque 1 Узнать цены
3 5131677 Stud,cyl.flange,152mm,sps 8 Узнать цены
4 7051020 / 45-55 дней Valve,check,90 deg. 1 3 542 р.
5 2202233 / 45-55 дней Crankcase asm twn snoctrgd (incl. 3,5,14,15,18) 1 93 048 р.
6 5411125 / 45-55 дней O-ring 2 22 358 р.
7 5630610 / 45-55 дней Manifold,water inlet 1 5 385 р.
8 5241568 Retainer,water in.manif. 1 Узнать цены
9 7516736 Screw 2 Узнать цены
10 8450068-04 Hose 1 Узнать цены
11 7080560 / 45-55 дней Clamp, s.s.(10) 2 893 р.
12 5411394 / 45-55 дней Seal,flanged 1 610 р.
13 7051529 / 45-55 дней Plug 2 1 971 р.
14 7516919 Screw ,(10) 2 Узнать цены
14 9999999 Screw ,(10) 1 Узнать цены
15 7516732 / 45-55 дней Screw(10) 4 174 р.
16 7710441 / 45-55 дней Ring,retaining,(10) 1 1 041 р.
17 7052145 / 45-55 дней Fitting 1 1 041 р.
18 7663001 / 45-55 дней Pin, dowel 2 1 217 р.
19 8450061-600 / 45-55 дней Fuelline,3mmx7mm 1 5 133 р.
20 7080603 / 45-55 дней Clamp(10) 1 174 р.
21 7555998 / 45-55 дней Washer,flat,(10) 2 149 р.
22 7052160 Valve,check,oil pump 1 Узнать цены
23 7517319 / 45-55 дней Screw(10) 1 2 172 р.
Список узлов
Ski